Каталог запасных частей к технике: ХТЗ Т-151К. Электрооборудование и приборы
151К.48.001-1-02
1
2
3
4
5
6
6
7
8
9
9
10
11
12
13
14
15
16
17
18
18
19
20
21
22
23
24
25
26
27
28
28
29
30
31
32
32
32
34
35
36
37
38
39
39
39
40
40
41
41
42
42
42
43
44
44
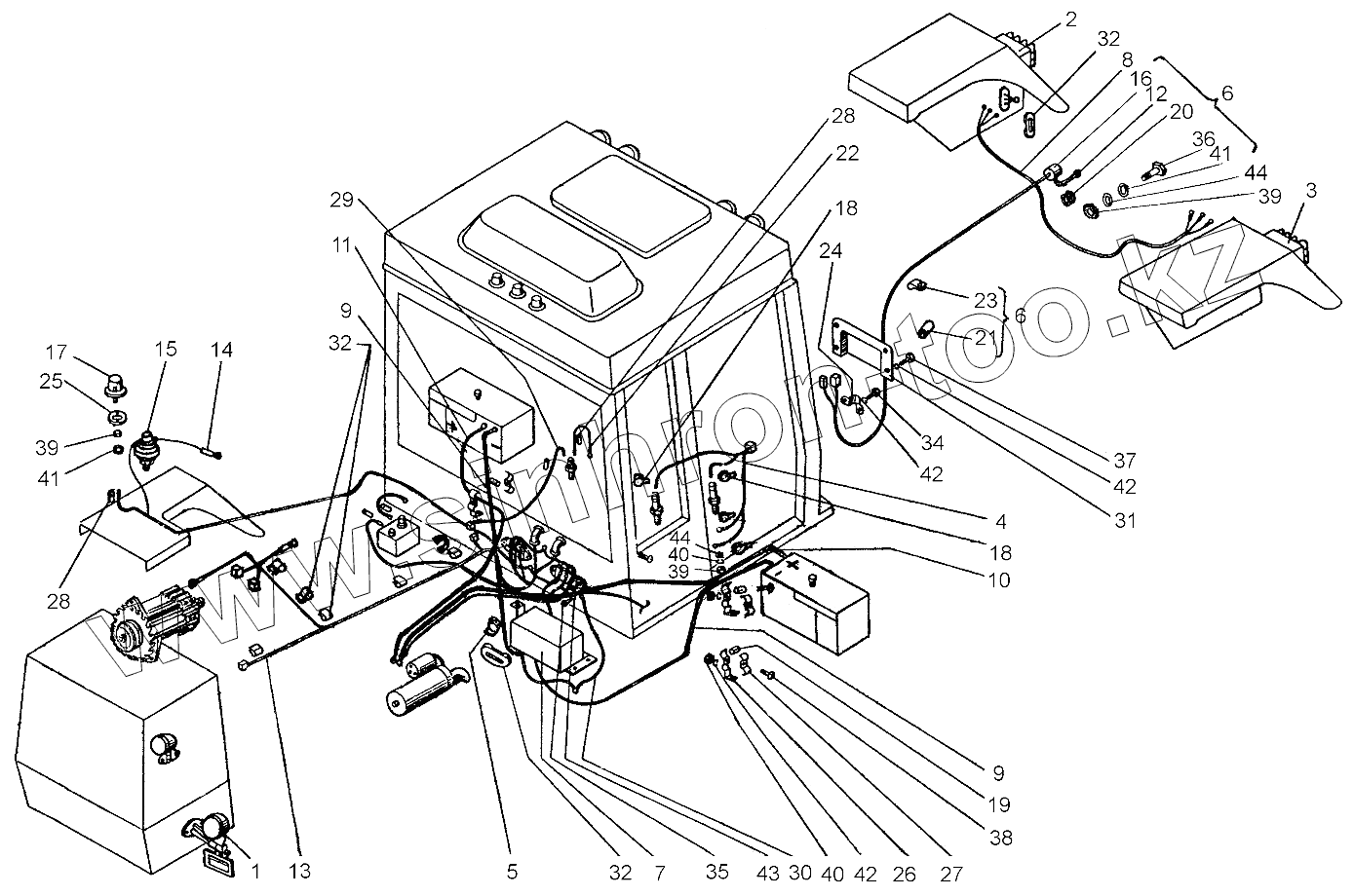
| Позиция на иллюстрации | Заводской номер детали | Название детали | |
|---|---|---|---|
| 151К.48.001-1-02 | 151К.48.001-1-02 | Электрооборудование и приборы | |
| 1 | 151К.48.011-1 | Фары и фонари передние | |
| 2 | 151К.48.040 | Фонарь задний правый | |
| 3 | 151К.48.040-01 | Фонарь задний левый | |
| 4 | 151К.48.084 | Жгут | |
| 5 | 125.48.040 | Лента крепежная в сборе | |
| 6 | 170.48.016 | Жгут с розеткой | |
| 7 | 170.48.050 | Включатель «массы» | |
| 8 | 170.48.062 | Жгут | |
| 9 | 170.48.070 | Провод | |
| 10 | 170.48.074 | Провод | |
| 11 | 170.48.075 | Провод | |
| 12 | 170.48.079 | Провод | |
| 13 | 170.48.083 | Жгут | |
| 14 | 170.48.098 | Провод | |
| 15 | 011 806 98 | Датчик сигнализатора засоренности воздушного фильтра | |
| 16 | ПС300А3-3723100 | Розетка | |
| 17 | УП101-3726010-Г1 | Фонарь | |
| 18 | 8.50.184 | Наконечник изоляционный | |
| 19 | 74.54.435 | Труба резиновая | |
| 20 | 150.48.250-05 | Втулка | |
| 21 | 150.48.268-01 | Трубка | |
| 22 | 150М.48.466-2 | Провод | |
| 23 | 150.55.156 | Скоба | |
| 24 | 151.48.119-1 | Скоба | |
| 25 | 151.48.152 | Прокладка | |
| 26 | 151.48.343 | Скоба | |
| 27 | 151.48.348 | Скоба | |
| 28 | 151.48.360 | Изолятор | |
| 29 | 151М.48.463-3 | Провод | |
| 30 | 151.48.464 | Провод | |
| 31 | 155.48.105 | Крышка | |
| 32 | 155.48.114 | Крышка | |
| 33 | 170.48.241 | Скоба | |
| 34 | М6х30.7796 | Болт (d=6, l=30, L0=18, H=4, S=10) | |
| 35 | М8х16.7796 | Болт | |
| 36 | М5х35.17473 | Винт | |
| 37 | М6х12.17473 | Винт | |
| 38 | М6х16.17473 | Винт | |
| 39 | М5.5927 | Гайка | |
| 40 | М6.5927 | Гайка | |
| 41 | 5 65Г.6402 | Шайба | |
| 42 | 6 65Г.6402 | Шайба | |
| 43 | 8 65Г.6402 | Шайба | |
| 44 | 5.04.11371 | Шайба |
Содержащиеся в справочниках-каталогах запасные части и детали не предлагаются к продаже, а носят исключительно информационный характер