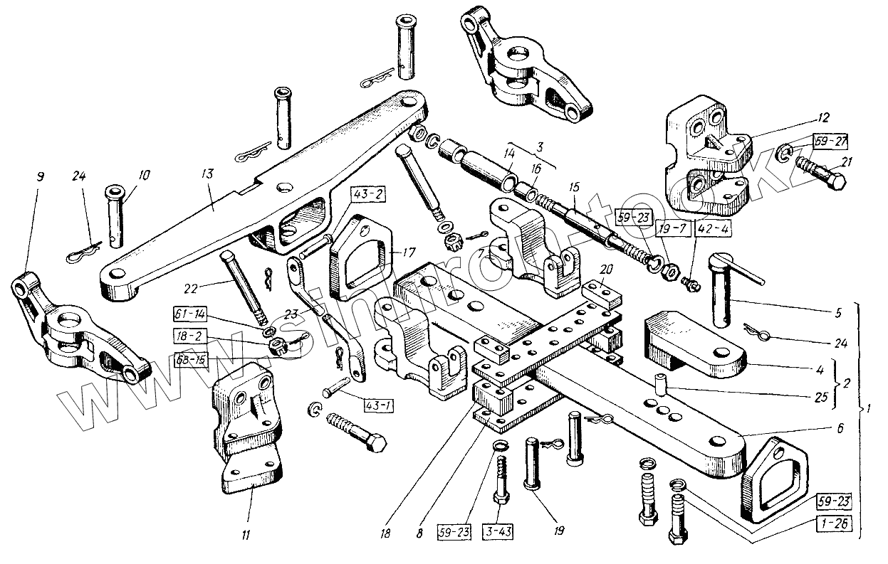
Каталог запасных частей к технике: ХТЗ Т-151К-08. Устройство тягово-сцепное
4x36.397
27.65Г.6402
20.04.11371
20.65Г.6402
20.65Г.6402
20.65Г.6402
151.35.001-4А
2-22h12x90/9650
6-22h12х105/96/50
2.3.90.19853
М20х1,5.5927
М20х1,5.5919
М20х70.7795
М20х1,5x150.7796
1
2
3
4
5
6
7
8
9
10
11
12
13
14
15
16
17
18
19
20
21
22
23
24
24
25
| Позиция на иллюстрации | Заводской номер детали | Название детали | |
|---|---|---|---|
| 4x36.397 | 4x36.397 | Шплинт | |
| 27.65Г.6402 | 27.65Г.6402 | Шайба (d=27,5, b=S=6) | |
| 20.04.11371 | 20.04.11371 | Шайба | |
| 20.65Г.6402 | 20.65Г.6402 | Шайба (d=20,5, b=S=4,5) | |
| 151.35.001-4А | 151.35.001-4А | Устройство тягово-сцепное | |
| 2-22h12x90/9650 | 2-22h12x90/9650 | Ось (d=22, D=28, l=90) | |
| 6-22h12х105/96/50 | 6-22h12х105/96/50 | Ось (d=22, D=28, l=105) | |
| 2.3.90.19853 | 2.3.90.19853 | Масленка | |
| М20х1,5.5927 | М20х1,5.5927 | Гайка | |
| М20х1,5.5919 | М20х1,5.5919 | Гайка | |
| М20х70.7795 | М20х70.7795 | Болт | |
| М20х1,5x150.7796 | М20х1,5x150.7796 | Болт (d=20, l=150, L0=46, H=11, S=27) | |
| 1 | 151.35.010-1 | Маятник | |
| 2 | 151.35.014 | Проушина | |
| 3 | 151.35.015 | Ролик | |
| 4 | 151.35.016 | Проушина | |
| 5 | 75.35.011 | Шкворень | |
| 6 | 151.35.101-2 | Маятник | |
| 7 | 151.35.105-2 | Опора | |
| 8 | 151.35.106-2 | Планка | |
| 9 | 151.35.107-1 | Стяжка | |
| 10 | 151.35.108-1 | Палец | |
| 11 | 151.35.109 | Бугель левый | |
| 12 | 151.35.110 | Бугель правый | |
| 13 | 151.35.111-2 | Траверса | |
| 14 | 151.35.113 | Ролик | |
| 15 | 151.35.114 | Ось | |
| 16 | 151.35.116-1 | Втулка | |
| 17 | 151.35.119 | Стремя | |
| 18 | 151.35.120 | Проставка | |
| 19 | 151.35.121 | Палец | |
| 20 | 151.35.123 | Проставка | |
| 21 | 150.35.104 | Болт | |
| 22 | 150.56.146 | Палец тяги соединительный | |
| 23 | 151.58.104-2 | Растяжка | |
| 24 | 151.58.121 | Шплинт | |
| 25 | А02-26 | Установочный штифт задней балки |
Содержащиеся в справочниках-каталогах запасные части и детали не предлагаются к продаже, а носят исключительно информационный характер