Каталог запасных частей к технике: ХТЗ Т-151К-08. Управление агрегатами трактора
М6.5915
М6х12.7798
М8х12.7796
М8х16.7796
М8х16.7796
М8х25.7796
М5х12.17475
М10.5915
М10.5915
М12.5915
М12.5915
М12.5915
М12.5915
М8.5915
М8.3032
151М.37.0120А
6.65Г.6402
8.65Г.6402
8.65Г.6402
8.65Г.6402
8.65Г.6402
2x16.397
2x16.397
3,2x20.397
3,2x20.397
3,2x20.397
1
2
3
4
5
6
7
8
8
8
9
10
11
12
13
14
15
16
17
18
19
20
21
22
23
23
23
24
25
26
27
28
29
30
31
32
33
33
34
34
35
36
36
37
38
39
39
39
40
41
42
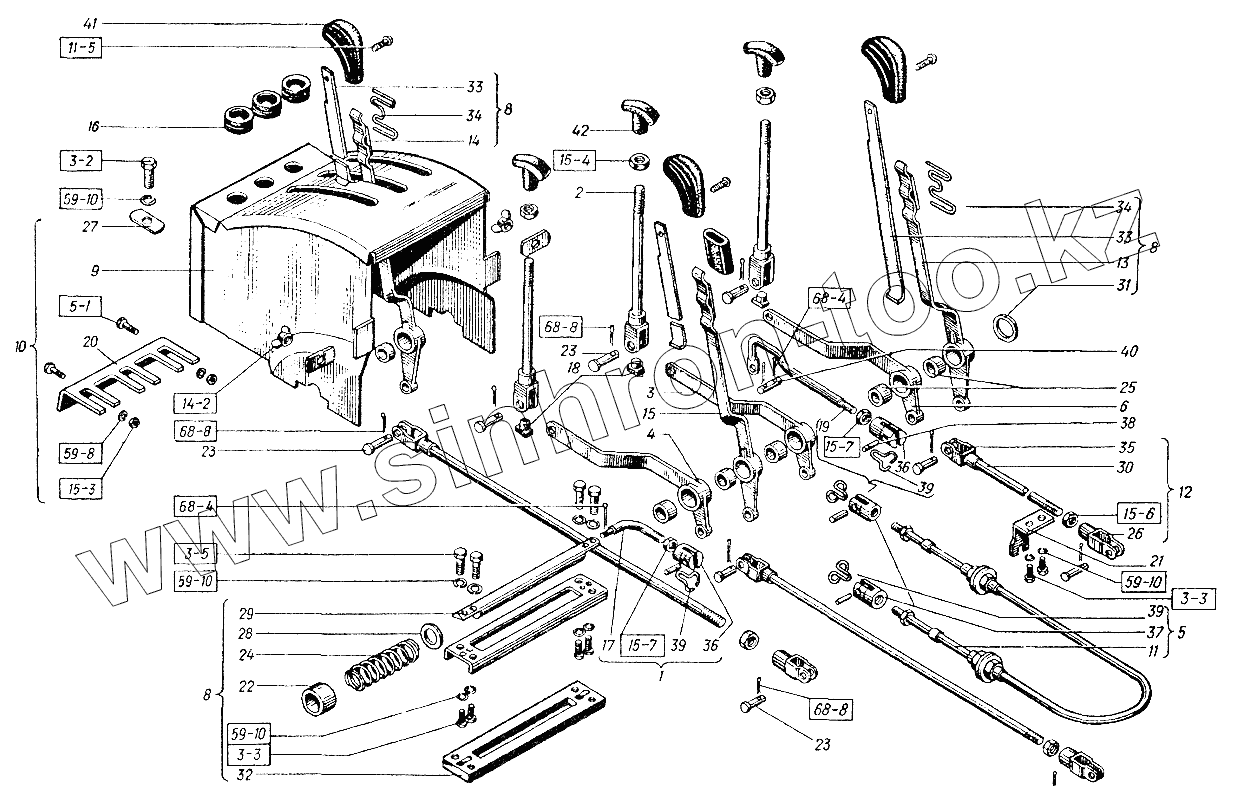
| Позиция на иллюстрации | Заводской номер детали | Название детали | |
|---|---|---|---|
| М6.5915 | М6.5915 | Гайка | |
| М6х12.7798 | М6х12.7798 | Болт | |
| М8х12.7796 | М8х12.7796 | Болт | |
| М8х16.7796 | М8х16.7796 | Болт | |
| М8х25.7796 | М8х25.7796 | Болт | |
| М5х12.17475 | М5х12.17475 | Винт | |
| М10.5915 | М10.5915 | Гайка | |
| М10.5915 | М10.5915 | Гайка | |
| М12.5915 | М12.5915 | Гайка | |
| М12.5915 | М12.5915 | Гайка | |
| М8.5915 | М8.5915 | Гайка | |
| М8.3032 | М8.3032 | Гайка | |
| 151М.37.0120А | 151М.37.0120А | Управление агрегатами трактора | |
| 151М.37.0102-01 | 151М.37.0102-01 | Управление распределителем | |
| 6.65Г.6402 | 6.65Г.6402 | Шайба | |
| 8.65Г.6402 | 8.65Г.6402 | Шайба | |
| 2x16.397 | 2x16.397 | Шплинт | |
| 3,2x20.397 | 3,2x20.397 | Шплинт | |
| 1 | 151М.37.0115-1 | Тяга | |
| 2 | 151М.37.0116 | Тяга | |
| 3 | 151М.37.0117 | Рычаг | |
| 4 | 151М.37.0117-01 | Рычаг | |
| 5 | 151М.37.0119 | Трос | |
| 6 | 151М.37.0121 | Рычаг | |
| 7 | 151М.37.0123 | Тяга | |
| 8 | 151М.57.0103-01 | Корпус управления | |
| 9 | 151М.57.0104-01 | Кожух | |
| 10 | 151М.57.0108-01 | Кожух | |
| 11 | 23.588.1.1.2.00-28 | Трос (L=1300) | |
| 12 | 150М.53.020 | Тяга | |
| 13 | 150М.53.082-1 | Рычаг | |
| 14 | 150М.53.082-1-01 | Рычаг | |
| 15 | 150М.53.082-1-02 | Рычаг | |
| 16 | 151М.37.705 | Кольцо | |
| 17 | 151М.37.710-3 | Тяга | |
| 18 | 151М.37.720 | Подпятник | |
| 19 | 151М.37.722-1 | Тяга | |
| 20 | 151М.37.725 | Кронштейн | |
| 21 | 151М.37.726 | Упор | |
| 22 | 151М.57.701-01 | Втулка | |
| 23 | 54.20.405 | Палец | |
| 24 | 125.21.249 | Пружина тормозка | |
| 25 | 125.21.254 | Втулка | |
| 26 | 150.20.278 | Вилка | |
| 27 | 150М.45.180 | Зажим | |
| 28 | 150М.53.118 | Опора | |
| 29 | 150М.53.121 | Ось | |
| 30 | 150М.53.126 | Тяга | |
| 31 | 150М.53.282 | Шайба | |
| 32 | 150М.53.283 | Уплотнитель | |
| 33 | 150М.53.284 | Рычаг | |
| 34 | 150М.53.286 | Пружина | |
| 35 | 150.97.121-02 | Вилка | |
| 36 | 151М.97.121А | Вилка | |
| 37 | 151М.97.121-07 | Вилка | |
| 38 | 151М.97.123 | Штифт | |
| 39 | 151М.97.125-01 | Стопор | |
| 40 | А07-16 | Ось крышки | |
| 41 | А13.17.000 | Рукоятка | |
| 42 | А13.28.000 | Рукоятка |
Содержащиеся в справочниках-каталогах запасные части и детали не предлагаются к продаже, а носят исключительно информационный характер