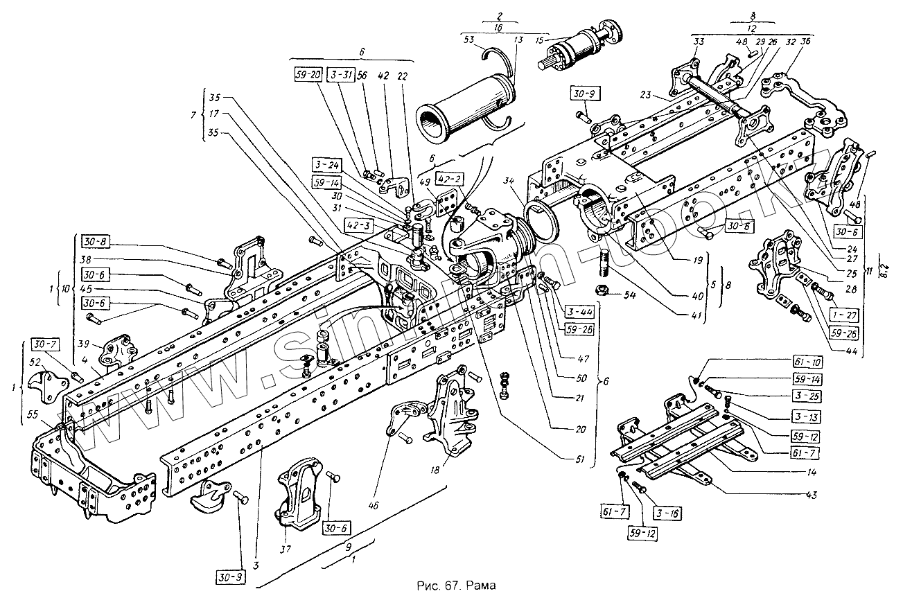
Каталог запасных частей к технике: ХТЗ Т-151К-08. Рама
20x80.10299
20x80.10299
М10х16.7796
М10x30.7796
М12х30.7796
М12x35.7796
М16х35.7796
М24х130.7795
М24х60.7796
20x55.10299
20x55.10299
20x55.10299
20x55.10299
20x55.10299
20x60.10299
20x70.10299
1.3.19853
2.3.45.19853
10.65Г.6402
10.65Г.6402
10.04.11371
10.04.11371
12.65Г.6402
12.65Г.6402
12.04.11371
16.65Г.6402
24.65Г. 6402
24.65Г. 6402
1
1
1
2
2
3
4
5
6
6
6
7
8
8
8
9
10
11
12
13
14
15
16
17
18
19
20
21
22
23
24
25
26
27
28
29
30
31
32
33
34
35
35
36
37
38
39
40
41
42
43
44
45
46
47
48
48
49
50
51
52
53
54
55
56
| Позиция на иллюстрации | Заводской номер детали | Название детали | |
|---|---|---|---|
| 20x80.10299 | 20x80.10299 | Заклепка | |
| М10х16.7796 | М10х16.7796 | Болт | |
| М10x30.7796 | М10x30.7796 | Болт | |
| М12х30.7796 | М12х30.7796 | Болт | |
| М12x35.7796 | М12x35.7796 | Болт | |
| М16х35.7796 | М16х35.7796 | Болт (d=16, l=35, L0=35, H=9, S=22) | |
| М24х130.7795 | М24х130.7795 | Болт (d=24, l=130, L0=54, H=13, S=32) | |
| М24х60.7796 | М24х60.7796 | Болт | |
| 20x55.10299 | 20x55.10299 | Заклепка | |
| 20x60.10299 | 20x60.10299 | Заклепка | |
| 20x70.10299 | 20x70.10299 | Заклепка | |
| 1.3.19853 | 1.3.19853 | Масленка | |
| 2.3.45.19853 | 2.3.45.19853 | Масленка | |
| 151К.30.001 | 151К.30.001 | Рама | |
| 10.65Г.6402 | 10.65Г.6402 | Шайба | |
| 10.04.11371 | 10.04.11371 | Шайба | |
| 12.65Г.6402 | 12.65Г.6402 | Шайба | |
| 12.04.11371 | 12.04.11371 | Шайба | |
| 16.65Г.6402 | 16.65Г.6402 | Шайба | |
| 24.65Г. 6402 | 24.65Г. 6402 | Шайба (d=24,5, b=S=5,5) | |
| 1 | 151К.30.011 | Рама передняя | |
| 2 | 151.30.012-1 | Рама задняя | |
| 3 | 151К.30.013 | Лонжерон | |
| 4 | 151К.30.014 | Лонжерон | |
| 5 | 151.30.017-2 | Опора шарнира задняя в сборе | |
| 6 | 151.30.018-3 | Корпус шарнира в сборе | |
| 7 | 151.30.024 | Опора шарнира передняя в сборе | |
| 8 | 151.30.027-1 | Рама | |
| 9 | 151К.30.032 | Лонжерон | |
| 10 | 151К.30.033 | Лонжерон | |
| 11 | 151.30.034-6 | Лонжерон | |
| 12 | 151.30.035-6 | Лонжерон | |
| 13 | 151.30.046-3А | Труба | |
| 14 | 151.30.054 | Поперечина | |
| 15 | 151.36.013-3 | Опора | |
| 16 | 151.36.014А | Опора с трубой | |
| 17 | 151.30.102-2 | Опора | |
| 18 | 151.30.107-5В | Кронштейн | |
| 19 | 151.30.119-1В | Опора | |
| 20 | 151.30.120-5А | Корпус | |
| 21 | 151.30.121А | Ухо | |
| 22 | 151.30.122-2А | Ухо | |
| 23 | 151.30.123-2 | Ось | |
| 24 | 151.30.124-5 | Кронштейн | |
| 25 | 151.30.125-1А | Лонжерон рамы задний левый | |
| 26 | 151.30.126-1А | Лонжерон | |
| 27 | 151.30.127-1Б | Фланец | |
| 28 | 151.30.128-3 | Кронштейн | |
| 29 | 151.30.135-3 | Кронштейн | |
| 30 | 151.30.137-1 | Ось | |
| 31 | 151.30.145-1 | Стопор | |
| 32 | 151.30.148-3 | Кронштейн | |
| 33 | 151.30.150А | Фланец | |
| 34 | 151.30.162-1 | Кольцо проставочное | |
| 35 | 151.30.164 | Втулка внутренняя | |
| 36 | 151.30.168 | Кронштейн | |
| 37 | 151.30.201-2Б | Кронштейн | |
| 38 | 151.30.202-5В | Кронштейн | |
| 39 | 151.30.204-2Б | Кронштейн | |
| 40 | 151.30.217-1Б | Бугель | |
| 41 | 151.30.218 | Шпилька | |
| 42 | 151.30.234 | Кронштейн следящей тяги | |
| 43 | 151.30.243-2 | Кронштейн | |
| 44 | 151.30.246 | Планка | |
| 45 | 151.30.253А | Кронштейн | |
| 46 | 151.30.254А | Кронштейн | |
| 47 | 151.30.263 | Штифт 25Пр2/2ах50 ГОСТ 3128-70 | |
| 48 | 74.56.415 | Штифт | |
| 49 | 125.30.136 | Втулка | |
| 50 | 125.30.138 | Втулка горизонтального шарнира | |
| 51 | 125.30.140 | Шайба вертикального шарнира | |
| 52 | 125.30.154А | Крюк передний | |
| 53 | 125.30.216 | Полукольцо | |
| 54 | 125.30.220А | Гайка | |
| 55 | 150.30.101-1 | Брус передний | |
| 56 | А02-35 | Штифт цилиндрический |
Содержащиеся в справочниках-каталогах запасные части и детали не предлагаются к продаже, а носят исключительно информационный характер