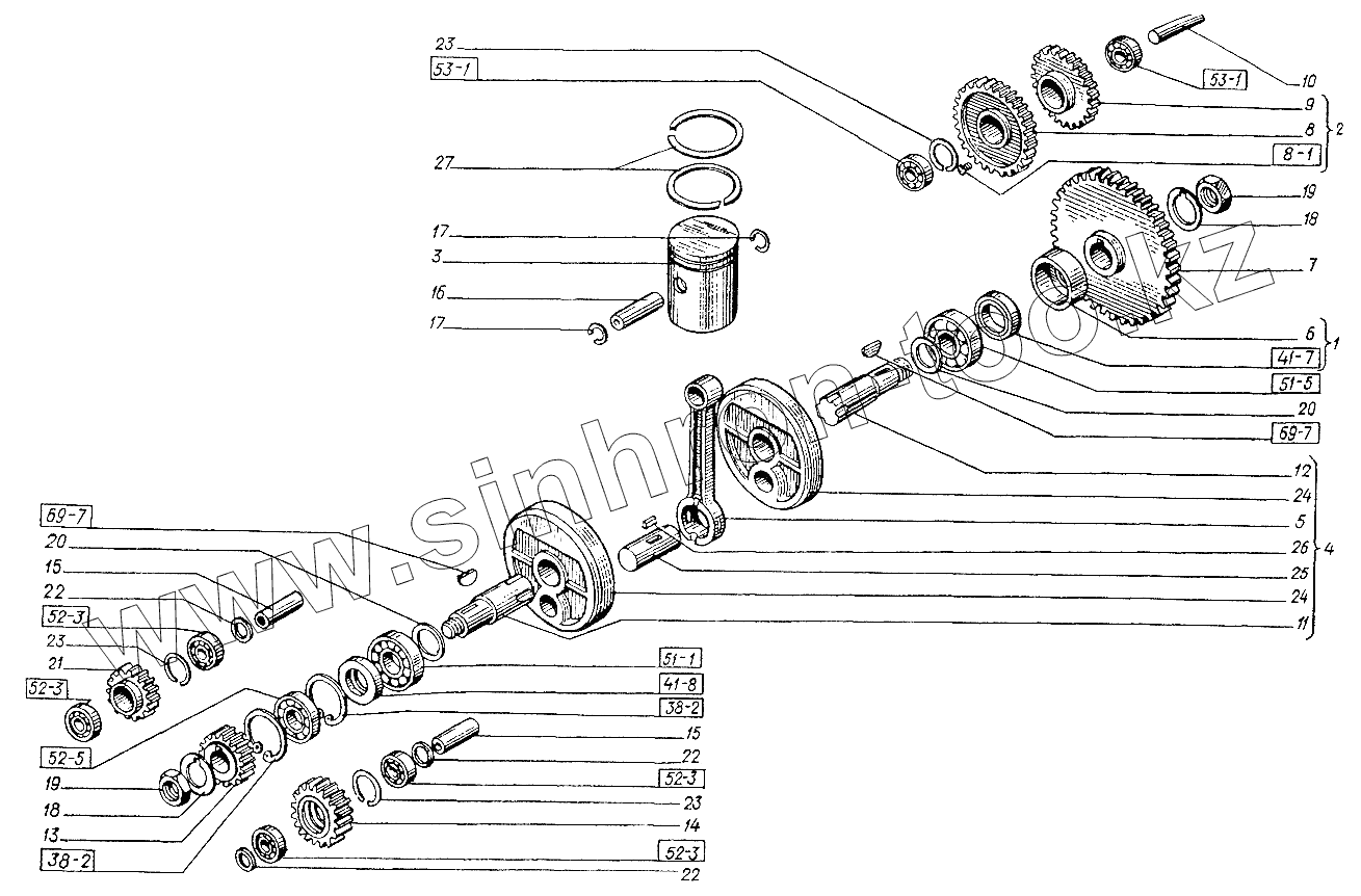
Каталог запасных частей к технике: ХТЗ Т-151К-08. Пусковой двигатель. Кривошипно-шатунный механизм
5x9.24071
5x9.24071
102206М.8328
2206КМ.8328
205.8338
180502КС9.8882
180502КС9.8882
202.8338
202.8338
202.8338
202.8338
1.2-30x52-1.8752
1.2-30x52-1.8752
С52.13943
С52.13943
М6х8.1477
1
2
3
4
5
6
7
8
9
10
11
12
13
14
15
15
16
17
17
18
18
19
19
20
20
21
22
22
22
23
23
23
24
24
25
26
27
| Позиция на иллюстрации | Заводской номер детали | Название детали | |
|---|---|---|---|
| 5x9.24071 | 5x9.24071 | Шпонка (b=5, h=9, d=22) | |
| 102206М.8328 | 102206М.8328 | Подшипник (d=30, D=62, L=16) | |
| 2206КМ.8328 | 2206КМ.8328 | Подшипник (d=30, D=62, L=16) | |
| 205.8338 | 205.8338 | Подшипник | |
| 180502КС9.8882 | 180502КС9.8882 | Подшипник (d=15, D=35, L=14) | |
| 202.8338 | 202.8338 | Подшипник | |
| 1.2-30x52-1.8752 | 1.2-30x52-1.8752 | Манжета (d=30, D=52, h=10) | |
| С52.13943 | С52.13943 | Кольцо (d=48,6, d1=56,2, b=5,1, S=1,7) | |
| М6х8.1477 | М6х8.1477 | Винт | |
| 1 | 75.24.015А | Уплотнение | |
| 2 | 350.01.050.01 | Шестерня промежуточная | |
| 3 | Д24С06Б | Поршень | |
| 4 | Д24С20Б | Коленчатый вал | |
| 5 | Д24С21В | Шатун | |
| 6 | 75.24.105 | Втулка сальника | |
| 7 | 350.01.001.01 | Маховик | |
| 8 | 350.01.006.01 | Венец | |
| 9 | 350.01.015.01 | Колесо зубчатое | |
| 10 | 350.01.007.00 | Палец промежуточной шестерни | |
| 11 | Д24012Б | Полуось передняя | |
| 12 | Д24013В | Полуось задняя | |
| 13 | Д24019В | Шестерня коленчатого вала | |
| 14 | Д24020Б | Шестерня промежуточная | |
| 15 | Д24022А | Палец промежуточной шестерни | |
| 16 | Д24026А | Палец поршня | |
| 17 | Д24028 | Кольцо стопорное | |
| 18 | Д24046Б | Шайба замковая | |
| 19 | Д24047А | Гайка маховика | |
| 20 | Д24070А | Шайба дистанционная | |
| 21 | Д24075А | Шестерня привода магнето | |
| 22 | Д24077 | Шайба | |
| 23 | Д24078 | Кольцо | |
| 24 | Д24097Г | Щека | |
| 25 | Д24098Г | Палец кривошипа | |
| 26 | Д24099 | Ролик подшипника шатуна | |
| 27 | Д24127А | Кольцо поршневое хромированное |
Содержащиеся в справочниках-каталогах запасные части и детали не предлагаются к продаже, а носят исключительно информационный характер