Каталог запасных частей к технике: ХТЗ Т-151К-08. Пусковой двигатель. Карбюратор
6Л.65Г.6402
5Л.65Г.6402
3Т.65Г.6402
3Т.65Г.6402
1
2
3
4
5
6
7
8
9
10
11
12
13
14
15
16
17
18
19
20
21
22
22
23
24
25
26
27
28
29
30
31
32
33
34
35
35
36
37
38
39
40
41
42
43
44
45
46
47
48
49
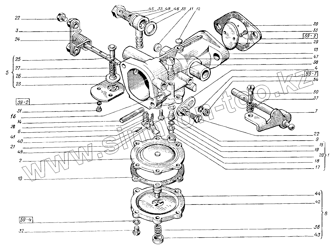
| Позиция на иллюстрации | Заводской номер детали | Название детали | |
|---|---|---|---|
| 6Л.65Г.6402 | 6Л.65Г.6402 | Шайба (d=6,1, b=S=1,2) | |
| 5Л.65Г.6402 | 5Л.65Г.6402 | Шайба (d=5,1, b=S=1) | |
| 3Т.65Г.6402 | 3Т.65Г.6402 | Шайба (d=3,1, b=S=1) | |
| 1 | 11.1107305 | Клапан обратный | |
| 2 | 11.1107370 | Мембрана | |
| 3 | 11.1107520 | Валик | |
| 4 | 11.1107540 | Рычаг | |
| 5 | 11.1107565 | Заслонка воздушная | |
| 6 | 11.1107675 | Игла клапана | |
| 7 | 11.1107820 | Валик | |
| 8 | К06-1107200 | Крышка | |
| 9 | 11.1107021 | Шайба | |
| 10 | 11.1107029 | Прокладка | |
| 11 | 11.1107032 | Заглушка | |
| 12 | 11.1107033 | Заглушка | |
| 13 | 11.1107106.2 | Корпус | |
| 14 | 11.1107114 | Шпилька | |
| 15 | 11.1107171 | Распылитель | |
| 16 | 11.1107216 | Жиклер | |
| 17 | 11.1107306 | Корпус клапана | |
| 18 | 11.1107307 | Пластина клапана | |
| 19 | 11.1107308 | Замок клапана | |
| 20 | 11.1107309 | Шайба | |
| 21 | 11.1107386 | Рычаг | |
| 22 | 11.1107549 | Винт | |
| 23 | 11.1107571 | Заслонка | |
| 24 | 11.1107575 | Пружина | |
| 25 | 11.1107576 | Ось | |
| 26 | 11.1107577 | Клапан | |
| 27 | 11.1107578 | Пружин | |
| 28 | 11.1107674 | Седло | |
| 29 | 11.1107891 | Заслонка дроссельная | |
| 30 | 11.1107926 | Винт | |
| 31 | 001300 | Винт | |
| 32 | 001300-04 | Винт | |
| 33 | 001300-16 | Винт | |
| 34 | 002100-3 | Гайка | |
| 35 | 002502-07 | Шайба | |
| 36 | 003700-03 | Пружина | |
| 37 | 003700-04 | Пружина | |
| 38 | 003700-08 | Пружина | |
| 39 | Д24093 | Прокладка фланца патрубка | |
| 40 | К02-1107117-А | Ось | |
| 41 | К06-1107106 | Пружина | |
| 42 | К06-1107201-10 | Крышка | |
| 43 | К06-1107202 | Кнопка | |
| 44 | К06-1107203-10 | Утолитель диафрагмы | |
| 45 | К13-1107207 | Болт | |
| 46 | К13-1107208 | Сетка | |
| 47 | К16-1107102-Б | Винт | |
| 48 | К16А-1107122 | Штуцер | |
| 49 | К22-1107616 | Винт |
Содержащиеся в справочниках-каталогах запасные части и детали не предлагаются к продаже, а носят исключительно информационный характер