Каталог запасных частей к технике: ХТЗ Т-151К-08. Пневмосистема. Пневмодвигатель. Кран запорно-регулировочный Кр30В
6Т.65Г.6402
6Т.65Г.6402
5.65Г.6402
3.65Г.6402
ПрТ18-8-3,5.288
010-014-25-2-2.9833
010-014-25-2-2.9833
008-012-12-2-2.9833
008-012-12-2-2.9833
004-006-14-2-2.9833
030-038-46-2-2.9833
030-038-46-2-2.9833
ПрТ8-4.288
М6.5927
М6.5927
М5х16.17473
М4х 8.17473
М4х 8.17473
М3х10.17473
М3х10.17473
1
1
1
1
2
2
3
4
5
6
7
8
9
10
11
12
13
14
15
16
17
18
19
20
21
22
23
24
25
26
27
28
29
30
31
32
33
34
35
36
37
38
| Позиция на иллюстрации | Заводской номер детали | Название детали | |
|---|---|---|---|
| 6Т.65Г.6402 | 6Т.65Г.6402 | Шайба (d=6,1, b=S=2) | |
| 5.65Г.6402 | 5.65Г.6402 | Шайба | |
| 3.65Г.6402 | 3.65Г.6402 | Шайба (d=3,1, b=S=0,8) | |
| ПрТ18-8-3,5.288 | ПрТ18-8-3,5.288 | Лента (l=18, b=8, S=3,5) | |
| 010-014-25-2-2.9833 | 010-014-25-2-2.9833 | Кольцо | |
| 008-012-12-2-2.9833 | 008-012-12-2-2.9833 | Кольцо (D=7,7, d=1,2) | |
| 004-006-14-2-2.9833 | 004-006-14-2-2.9833 | Кольцо (D=3,8, d=1,4) | |
| 030-038-46-2-2.9833 | 030-038-46-2-2.9833 | Кольцо (D=29,5, d=4,6) | |
| ПрТ8-4.288 | ПрТ8-4.288 | Диск (d=8, S=4) | |
| М6.5927 | М6.5927 | Гайка | |
| М5х16.17473 | М5х16.17473 | Винт | |
| М4х 8.17473 | М4х 8.17473 | Винт (d=4, l=8, L0=8, H=2,8, D=7) | |
| М3х10.17473 | М3х10.17473 | Винт (d=3, l=10, L0=10, H=2,1, D=5,5) | |
| М10x25.7796 | М10x25.7796 | Болт | |
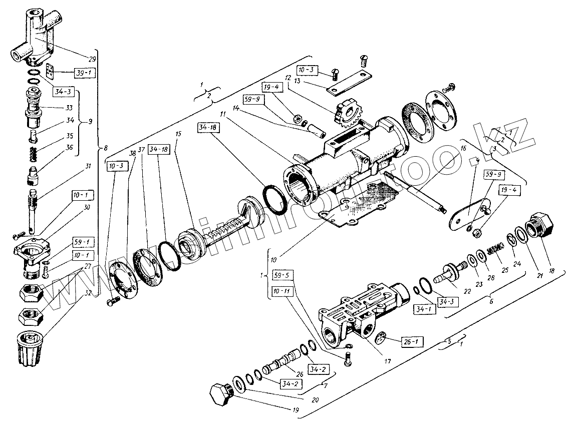
| 1 | 440Р520 | Пневмоцилиндр | |
| 2 | 440Р520 | Пневмоцилиндр | |
| 3 | 440Р520 | Пневмоцилиндр | |
| 4 | 440Р520 | Пневмоцилиндр | |
| 5 | 440-5205300 | Распределитель | |
| 6 | 440-5205310 | Клапан | |
| 7 | 440-5205320 | Золотник | |
| 8 | Кр30В-5205010 | Кран запорно-регулировочный Кр30В | |
| 9 | Кр30В-5205020 | Золотник | |
| 10 | 440-5205101 | Прокладка | |
| 11 | 440-5205201 | Корпус | |
| 12 | 440-5205202 | Сектор | |
| 13 | 440-5205203 | Фланец | |
| 14 | 440-5205207 | Втулка | |
| 15 | 440-5205211 | Рейка | |
| 16 | 440-5205221 | Ось | |
| 17 | 440-5205301 | Корпус | |
| 18 | 440-5205302 | Штуцер | |
| 19 | 440-5205306 | Пробка | |
| 20 | 440-5205307 | Прокладка | |
| 21 | 440-5205308 | Прокладка | |
| 22 | 440-5205311 | Клапан | |
| 23 | 440-5205312 | Прокладка | |
| 24 | 440-5205313 | Замок | |
| 25 | 440-5205317 | Пружина | |
| 26 | 440-5205321 | Корпус | |
| 27 | Кр11-5205013 | Гайка | |
| 28 | Кр11-5205114-01 | Шайба | |
| 29 | Кр30А-5205011 | Корпус | |
| 30 | Кр30А-5205012 | Крышка | |
| 31 | Кр30А-5205013 | Вентиль | |
| 32 | Кр30А-5205016 | Маховик | |
| 33 | Кр30А-5205021 | Корпус | |
| 34 | Кр30А-5205022 | Клапан | |
| 35 | Кр30-5205023 | Пружина | |
| 36 | Кр30-5205024 | Пробка | |
| 37 | 440-5205208 | Прокладка | |
| 38 | Сл22-5205605 | Крышка |
Содержащиеся в справочниках-каталогах запасные части и детали не предлагаются к продаже, а носят исключительно информационный характер