Каталог запасных частей к технике: ХТЗ Т-151К-08. Панель приборов
6.04.11371
6.04.11371
6.04.11371
6.65Г.6402
6.65Г.6402
6.65Г.6402
6.65Г.6402
М6х16.17473
М6х14.17473
М6х14.17475
М6х10.17473
М6х16.7798
1
1
1
1
1
2
2
2
2
2
3
4
5
6
7
8
9
10
11
12
13
14
15
16
17
18
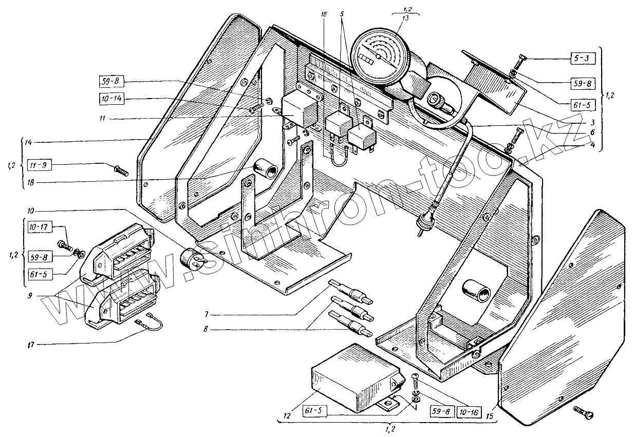
| Позиция на иллюстрации | Заводской номер детали | Название детали | |
|---|---|---|---|
| 6.04.11371 | 6.04.11371 | Шайба | |
| 6.65Г.6402 | 6.65Г.6402 | Шайба | |
| М6х16.17473 | М6х16.17473 | Винт | |
| М6х14.17473 | М6х14.17473 | Винт | |
| М6х14.17475 | М6х14.17475 | Винт (d=6, l=14, L0=14, H=3, D=11) | |
| М6х10.17473 | М6х10.17473 | Винт | |
| М6х16.7798 | М6х16.7798 | Болт | |
| 1 | 151К.48.026-1 | Панель приборов | |
| 2 | 151К.48.026-1-03 | Панель приборов | |
| 3 | 151К.48.044 | Кронштейн | |
| 4 | 151К.48.048 | Панель приборов | |
| 5 | 111.3747.010 | Реле | |
| 6 | ГВ134Е-3802600 | Вал гибкий | |
| 7 | ПР117-3722800-01 | Предохранитель | |
| 8 | ПР119-3722000-01 | Предохранитель | |
| 9 | ПР120-3722000 | Блок предохранителей | |
| 10 | РС492-4803010 | Прерыватель | |
| 11 | РС502-3721000 | Реле стартера | |
| 12 | РС950П-3726010 | Прерыватель | |
| 13 | ТХ133-3813000 | Тахоспидометр | |
| 14 | 151К.48.208 | Боковина | |
| 15 | 151К.48.208-01 | Боковина | |
| 16 | 151.48.469-01 | Провод | |
| 17 | 150М.48.450 | Провод | |
| 18 | 150.55.189 | Трубка резиновая |
Содержащиеся в справочниках-каталогах запасные части и детали не предлагаются к продаже, а носят исключительно информационный характер