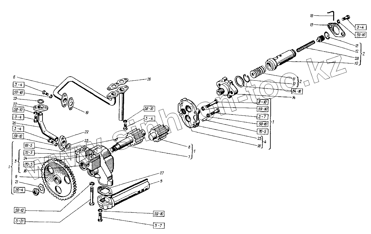
Каталог запасных частей к технике: ХТЗ Т-151К-08. Насос масляный
2.8x20.3128
2.8x20.3128
2.8x20.3128
5x6,5.24071
8.65Г.6402
8.65Г.6402
8.65Г.6402
8.65Г.6402
8.65Г.6402
8.65Г.6402
8.65Г.6402
8.65Г.6402
10.65Г.6402
026-032-36-2-4.9833
М18х1,5.5929
М8х55.7796
М8Х35.7796
М8Х35.7796
М8х20.7796
М8х20.7796
М8х20.7796
М8х20.7796
М8х20.7796
М10х80.7796
1
1
1
2
2
3
4
5
6
7
8
9
10
11
12
13
14
15
16
17
18
18
19
20
21
22
22
23
23
24
25
26
27
28
| Позиция на иллюстрации | Заводской номер детали | Название детали | |
|---|---|---|---|
| 2.8x20.3128 | 2.8x20.3128 | Штифт (d=8, L=20) | |
| 5x6,5.24071 | 5x6,5.24071 | Шпонка (b=5, h=6,5, d=16) | |
| 8.65Г.6402 | 8.65Г.6402 | Шайба | |
| 10.65Г.6402 | 10.65Г.6402 | Шайба | |
| 026-032-36-2-4.9833 | 026-032-36-2-4.9833 | Кольцо (D=25,5, d=3,6) | |
| М18х1,5.5929 | М18х1,5.5929 | Гайка (d=18, H=9, S=27) | |
| М8х55.7796 | М8х55.7796 | Болт (d=8, l=55, L0=22, H=5, S=12) | |
| М8Х35.7796 | М8Х35.7796 | Болт (d=8, l=35, L0=22, H=5, S=12) | |
| М8х20.7796 | М8х20.7796 | Болт | |
| М10х80.7796 | М10х80.7796 | Болт | |
| 1 | 66-09002.00-01 | Насос масляный | |
| 2 | 66М-09008.00 | Клапан | |
| 3 | 72-09004.20 | Корпус | |
| 4 | 72-09005.20-01 | Крышка | |
| 5 | 72-09009.11 | Трубка всасывающая | |
| 6 | 72-09014.10 | Трубка | |
| 7 | 72-09017.10 | Колесо зубчатое | |
| 8 | 72-09018.20 | Колесо зубчатое | |
| 9 | 66-09104.00 | Колесо | |
| 10 | 66М-09115.00 | Корпус клапана | |
| 11 | 66М-09139.00 | Плунжер | |
| 12 | 66М-09140.00 | Пробка | |
| 13 | 66М-09143.00 | Кольцо стопорное | |
| 14 | 66М-09161.00 | Переходник | |
| 15 | 66М-09167.00 | Фланец | |
| 16 | 66М-09178.00 | Проволока | |
| 17 | 14-1040 | Кольцо стопорное | |
| 18 | 60-09111.00 | Втулка масляного насоса | |
| 19 | 60-09127.00 | Прокладка | |
| 20 | 60-09129.20 | Прокладка | |
| 21 | 60-09132.10 | Шайба стопорная | |
| 22 | 60-09152.01 | Фланец трубки | |
| 23 | 60-09153.00 | Кольцо | |
| 24 | 72-09101.10 | Корпус | |
| 25 | 72-09102.20-01 | Крышка | |
| 26 | 72-09121.10 | Трубка к маслофильтру | |
| 27 | 72-09126.10 | Прокладка | |
| 28 | СМД55У-0913Б | Пружина |
Содержащиеся в справочниках-каталогах запасные части и детали не предлагаются к продаже, а носят исключительно информационный характер