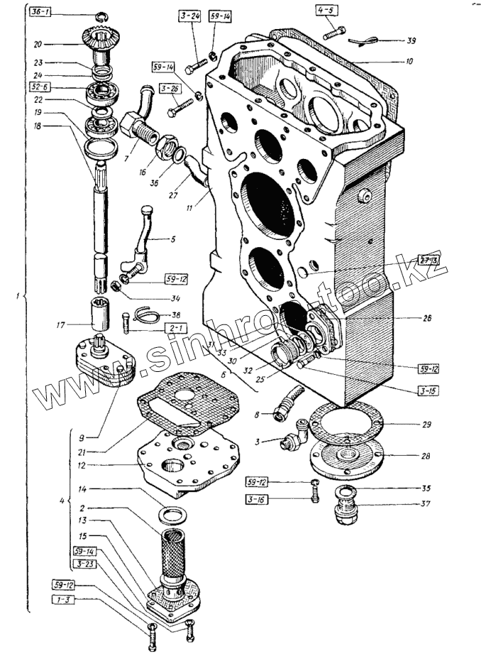
Каталог запасных частей к технике: ХТЗ Т-151К-08. Коробка раздаточная. Крышка
12.65Г.6402
12.65Г.6402
12.65Г.6402
10.65Г.6402
10.65Г.6402
10.65Г.6402
10.65Г.6402
206.8338
1Б20.13941
26.3111
М8х45.7795
3М12х65.7792
3М12х40.7796
М12х40.7796
М12х30.7796
М12x25.7796
М10x30.7796
М10x25.7796
1
2
3
4
5
6
7
8
9
10
11
12
13
14
15
16
17
18
19
20
21
22
23
24
25
26
27
28
29
30
31
32
33
34
35
36
37
38
39
| Позиция на иллюстрации | Заводской номер детали | Название детали | |
|---|---|---|---|
| 12.65Г.6402 | 12.65Г.6402 | Шайба | |
| 10.65Г.6402 | 10.65Г.6402 | Шайба | |
| 206.8338 | 206.8338 | Подшипник | |
| 1Б20.13941 | 1Б20.13941 | Кольцо (d=21,8, b=2, S=1) | |
| 26.3111 | 26.3111 | Заглушка | |
| М8х45.7795 | М8х45.7795 | Болт (d=8, l=45, L0=22, H=5, S=12) | |
| 3М12х65.7792 | 3М12х65.7792 | Болт (d=12, l=65, L0=30, H=8, S=17) | |
| 3М12х40.7796 | 3М12х40.7796 | Болт (d=12, l=40, L0=30, H=8, S=17) | |
| М12х40.7796 | М12х40.7796 | Болт | |
| М12х30.7796 | М12х30.7796 | Болт | |
| М12x25.7796 | М12x25.7796 | Болт | |
| М10x30.7796 | М10x30.7796 | Болт | |
| М10x25.7796 | М10x25.7796 | Болт | |
| 1 | 151.37.031-9 | Коробка раздаточная | |
| 2 | 151.37.048-4 | Каркас заборника | |
| 3 | 151.37.065 | Угольник ввертной в сборе | |
| 4 | 151.37.072-2 | Насос | |
| 5 | 151.37.073 | Трубка слива в сборе | |
| 6 | 151.37.074-1А | Окно | |
| 7 | 151.37.079 | Штуцер | |
| 8 | 150.08.023А | Шланг | |
| 9 | НМШ-25-00-00 | Насос шестеренчатый гидросистемы трансмиссии | |
| 10 | 151.37.241 | Прокладка корпуса | |
| 11 | 151.37.301-4 | Корпус | |
| 12 | 151.37.333-1 | Крышка | |
| 13 | 151.37.343 | Прокладка | |
| 14 | 151.37.346 | Кольцо | |
| 15 | 151.37.347 | Крышка | |
| 16 | 151.37.354 | Гайка | |
| 17 | 151.37.406 | Втулка | |
| 18 | 151.37.407 | Вал привода насоса | |
| 19 | 151.37.436 | Кольцо | |
| 20 | 151.37.483-2 | Шестерня | |
| 21 | 151.37.538-1 | Прокладка | |
| 22 | 151.37.540 | Кольцо | |
| 23 | 151.37.545 | Шайба регулировочная | |
| 24 | 151.37.545-01 | Шайба | |
| 25 | 151.37.548-2 | Крышка | |
| 26 | 151.37.549-1 | Прокладка | |
| 27 | 151.37.561 | Труба слива | |
| 28 | 125.37.329 | Крышка | |
| 29 | 125.37.330 | Прокладка | |
| 30 | 150.57.181-1 | Стекло смотровое | |
| 31 | 150.57.182-1 | Экран | |
| 32 | 150.57.183 | Гайка | |
| 33 | 150.57.196-1 | Кольцо | |
| 34 | ГПШ-М10х1 | Гайка | |
| 35 | КУ-39 | Кольцо уплотняющее | |
| 36 | НШ46-0505037 | Кольцо уплотнительное | |
| 37 | ПММ-39-Б | Пробка магнитная в сборе | |
| 38 | ПЖ-1,6x300 | Проволока | |
| 39 | ПЖ-1,6x640 | Проволока |
Содержащиеся в справочниках-каталогах запасные части и детали не предлагаются к продаже, а носят исключительно информационный характер