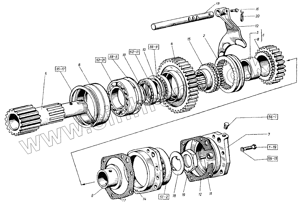
Каталог запасных частей к технике: ХТЗ Т-151К-08. Коробка раздаточная
12Т.65Г.6402
КГ 1/8"
313.8338
213.8338
2411КМ.8328
1Б160.13940
Б140.13943
2В120.13941
М12х55.7795
1
2
3
4
5
6
7
8
9
10
10
11
12
13
14
15
16
17
17
18
19
20
| Позиция на иллюстрации | Заводской номер детали | Название детали | |
|---|---|---|---|
| 12Т.65Г.6402 | 12Т.65Г.6402 | Шайба (d=12,2, b=S=3,5) | |
| КГ 1/8" | КГ 1/8" | Пробка (L=15, H=4,5, S=12) | |
| 313.8338 | 313.8338 | Подшипник | |
| 213.8338 | 213.8338 | Подшипник | |
| 2411КМ.8328 | 2411КМ.8328 | Подшипник (d=55, D=140, L=33) | |
| 1Б160.13940 | 1Б160.13940 | Кольцо | |
| Б140.13943 | Б140.13943 | Кольцо (d=130, d1=147, b=10,5, S=4) | |
| 2В120.13941 | 2В120.13941 | Кольцо (d=126, b=7, S=2,5) | |
| М12х55.7795 | М12х55.7795 | Болт (d=12, l=55, L0=30, H=7, S=17) | |
| 1 | 151.37.046-3 | Шестерня | |
| 2 | 151.37.221 | Муфта зубчатая включения | |
| 3 | 151.37.251 | Втулка шестерни раздаточной коробки | |
| 4 | 151.37.303-2А | Шестерня | |
| 5 | 151.37.305-4 | Вал первичный раздаточной коробки | |
| 6 | 151.37.307-3 | Стакан центрирующий | |
| 7 | 151.37.319-1Б | Крышка | |
| 8 | 151.37.320-3 | Шестерня | |
| 9 | 151.37.321 | Втулка опорная | |
| 10 | 151.37.324-2 | Кольцо проставочное | |
| 11 | 151.37.337-1 | Трубка | |
| 12 | 151.37.356 | Вилка включения рядов | |
| 13 | 151.37.357-3 | Валик | |
| 14 | 151.37.366 | Стакан | |
| 15 | 151.37.411 | Втулка зубчатая | |
| 16 | 125.37.299 | Болт стопорный | |
| 17 | 125.37.316 | Прокладка | |
| 18 | 150.37.149 | Шайба замковая | |
| 19 | 150.37.420-1 | Гайка | |
| 20 | ПЖ-1,6x300 | Проволока |
Содержащиеся в справочниках-каталогах запасные части и детали не предлагаются к продаже, а носят исключительно информационный характер