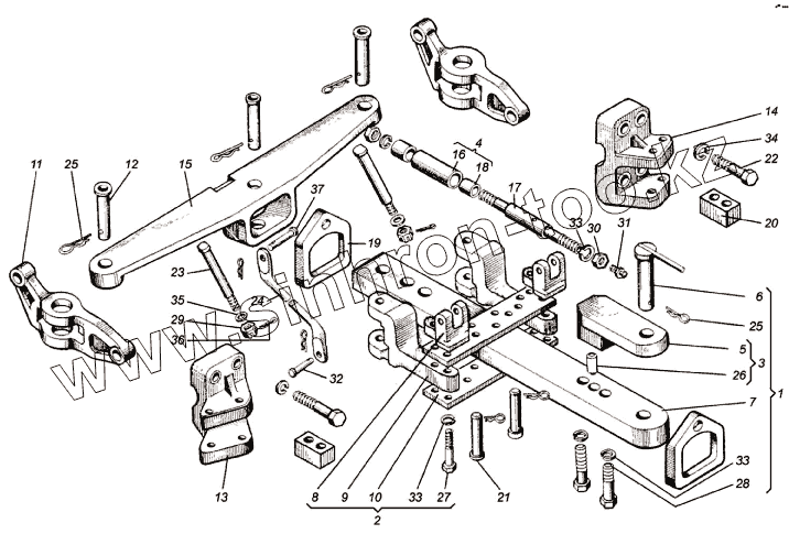
Каталог запасных частей к технике: ХТЗ Т-150К (2004). Устройство прицепное
151.35.001-4
1
2
3
4
5
6
7
8
9
10
11
12
13
14
15
16
17
18
19
20
21
22
23
24
25
25
26
27
28
29
30
31
32
33
33
33
34
35
36
37
| Позиция на иллюстрации | Заводской номер детали | Название детали | |
|---|---|---|---|
| 151.35.001-4 | 151.35.001-4 | Устройство тягово-сцепное | |
| 1 | 151.35.010-1 | Маятник | |
| 2 | 151.35.012 | Опора | |
| 3 | 151.35.014 | Проушина | |
| 4 | 151.35.015 | Ролик | |
| 5 | 151.35.016 | Проушина | |
| 6 | 75.35.011 | Шкворень | |
| 7 | 151.35.101-2 | Маятник | |
| 8 | 151.35.104 | Вилка | |
| 9 | 151.35.105-1 | Опора | |
| 10 | 151.35.106-2 | Планка | |
| 11 | 151.35.107 | Стяжка | |
| 12 | 151.35.108-1 | Палец | |
| 13 | 151.35.109 | Бугель левый | |
| 14 | 151.35.110 | Бугель правый | |
| 15 | 151.35.111-2 | Траверса | |
| 16 | 151.35.113 | Ролик | |
| 17 | 151.35.114 | Ось | |
| 18 | 151.35.116-1 | Втулка | |
| 19 | 151.35.119 | Стремя | |
| 20 | 151.35.120 | Проставка | |
| 21 | 151.35.121 | Палец | |
| 22 | 150.35.104 | Болт | |
| 23 | 150.56.146 | Палец тяги соединительный | |
| 24 | 151.58.104-2 | Растяжка | |
| 25 | 151.58.121 | Шплинт | |
| 26 | А02-26 | Установочный штифт задней балки | |
| 27 | 54.30.448 | Болт | |
| 28 | М20х70.7795 | Болт | |
| 29 | М20х1,5.5919 | Гайка | |
| 30 | М20х1,5.5927 | Гайка | |
| 31 | 2.3.90.19853 | Масленка | |
| 32 | 6-22М2x90.9650 | Ось | |
| 33 | 2065Г.6402 | Шайба | |
| 34 | 2765Г.6402 | Шайба | |
| 35 | 20.04.11371 | Шайба | |
| 36 | 4x36.397 | Шплинт | |
| 37 | 6-22h12x105.9650 | Ось |
Содержащиеся в справочниках-каталогах запасные части и детали не предлагаются к продаже, а носят исключительно информационный характер