Каталог запасных частей к технике: ХТЗ Т-150К (2004). Пневмосистема
1
2
2
3
4
5
6
7
8
9
10
11
12
13
14
14
15
16
17
18
19
20
21
22
23
23
24
25
26
27
28
29
30
31
32
33
33
34
35
36
37
38
39
40
41
42
43
43
44
45
46
47
48
49
50
51
52
53
54
55
56
57
57
58
59
60
60
61
62
62
63
63
64
65
65
66
67
68
69
70
71
72
73
73
73
74
74
74
75
76
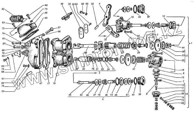
| Позиция на иллюстрации | Заводской номер детали | Название детали | |
|---|---|---|---|
| 1 | 130-3514010-Б | Кран тормозной в сборе | |
| 2 | 130-3514075-Б2 | Диафрагма | |
| 3 | 130-3514100-Б | Пружина уравновешивающая тормозного крана малая со стаканом в сборе | |
| 4 | 130-3514140-Б | Рычаг тормозного крана в сборе | |
| 5 | 130-3514210-А2 | Клапан тормозного крана в сборе | |
| 6 | 131-3720100 | Колодка | |
| 7 | 120-3720085 | Основание контакта в сборе | |
| 8 | 120-3720092 | Пружина основания контакта | |
| 9 | 120-3720095 | Диафрагма включателя света стоп-сигнала | |
| 10 | 120-3720102 | Контактная колодка | |
| 11 | 120-3720105 | Болт контактный с контактом в сборе | |
| 12 | 120-3720112-Б | Шина контактная | |
| 13 | 120-3720116 | Прокладка | |
| 14 | 127-3514237-А | Прокладка | |
| 15 | 127-3514238 | Пружина клапана | |
| 16 | 130-3514020-Б | Корпус тормозного крана | |
| 17 | 130-3514023 | Прокладка корпуса тормозного крана | |
| 18 | 130-3514032-Б | Крышка тормозного крана нижняя | |
| 19 | 130-3514033-Б | Крышка тормозного крана верхняя | |
| 20 | 130-3514080 | Диафрагма тормозного крана | |
| 21 | 130-3514085 | Пружина поддиафрагменная тормозного крана | |
| 22 | 130-3514087 | Пятка стакана тормозного крана | |
| 23 | 130-3514091 | Шайба диафрагмы тормозного крана | |
| 24 | 130-3514096 | Шайба опорная малой уравновешивающей пружины тормозного крана | |
| 25 | 130-3514101-Б | Пружина уравновешивающая тормозного крана малая | |
| 26 | 130-3514102-Б | Стакан малой уравновешивающей пружины тормозного крана | |
| 27 | 130-3514104 | Пружина уравновешивающая тормозного крана большая | |
| 28 | 130-3514105 | Шток тормозного крана | |
| 29 | 130-3514107-А | Шайба опорная штока тормозного крана | |
| 30 | 130-3514108-А | Направляющая штока тормозного крана | |
| 31 | 130-3514115-Б | Прокладка регулировочная малой уравновешивающей пружины тормозного крана | |
| 32 | 130-3514143-Б | Рычаг тормозного крана малый | |
| 33 | 130-3514167 | Ось рычага тормозного крана | |
| 34 | 130-3514175 | Уплотнитель выпускного отверстия тормозного крана | |
| 35 | 130-3514176 | Крышка выпускного отверстия тормозного крана | |
| 36 | 130-3514211 | Конус клапана тормозного крана | |
| 37 | 130-3514213 | Шайба клапана тормозного крана большая | |
| 38 | 130-3514215-1 | Пробка | |
| 39 | 130-3514219 | Гайка диафрагмы тормозного крана | |
| 40 | 130-3514232 | Седло клапана | |
| 41 | 130-3514235-Б | Седло клапана тормозного крана выпускное | |
| 42 | 130-3514236 | Прокладка выпускного седла клапана тормозного крана | |
| 43 | 130-3514237 | Прокладка | |
| 44 | 130-3514239 | Кольцо уплотнительное седла клапана тормозного крана | |
| 45 | 130-3514240-Б | Стержень | |
| 46 | 130-3514243 | Трубка стержня клапана тормозного крана | |
| 47 | 130-3514251-А | Корпус | |
| 48 | 130-3514255 | Валик рычага ручного привода тормозного крана | |
| 49 | 130-3514263-А2 | Крышка | |
| 50 | 130-3514265 | Крышка валика ручного привода тормозного крана | |
| 51 | 130-3514271 | Прокладка | |
| 52 | 130-3514275-А1 | Чехол | |
| 53 | 130-3514279 | Прокладка корпуса рычагов тормозного крана | |
| 54 | 130-3514285 | Шайба клапана тормозного крана малая | |
| 55 | 130-3514287 | Полукольцо стопорное опорной шайбы штока тормозного крана | |
| 56 | 164-3720111 | Болт сигнала Стоп | |
| 57 | 301294-П8 | Болт | |
| 58 | 303193-П8 | Гайка | |
| 59 | А29.61.004 | Пробка | |
| 60 | М6х30.7795 | Болт | |
| 61 | М8х35.7795 | Болт | |
| 62 | М8х25.7796 | Болт | |
| 63 | М6х20.7798 | Болт | |
| 64 | М5х12.17473 | Винт | |
| 65 | М6.5915 | Гайка | |
| 66 | М8.5915 | Гайка | |
| 67 | М4.5927 | Гайка | |
| 68 | М5.5927 | Гайка | |
| 69 | 16.3111 | Заглушка | |
| 70 | 012-016-25-1-3.9833 | Кольцо | |
| 71 | В30.13943 | Кольцо | |
| 72 | 565Г.6402 | Шайба | |
| 73 | 665Г.6402 | Шайба | |
| 74 | 865Г.6402 | Шайба | |
| 75 | 5.01.11371 | Шайба | |
| 76 | 12x2.04.11371 | Шайба |
Содержащиеся в справочниках-каталогах запасные части и детали не предлагаются к продаже, а носят исключительно информационный характер