Каталог запасных частей к технике: ХТЗ Т-150К (2004). Отопитель
150.67.041А
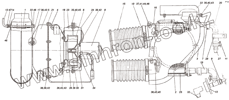
1
2
3
4
5
6
7
8
9
10
11
12
13
14
15
16
17
18
19
19
19
20
20
21
22
23
24
25
26
27
28
29
30
31
32
33
34
35
35
36
36
36
37
38
39
39
40
40
40
41
42
42
43
43
43
43
44
45
45
46
46
46
47
| Позиция на иллюстрации | Заводской номер детали | Название детали | |
|---|---|---|---|
| 150.67.041А | 150.67.041А | Отопитель | |
| 1 | 150.67.012-2 | Заслонка | |
| 2 | 150.67.035 | Радиатор отопителя | |
| 3 | 150.67.043-1 | Воздуховод | |
| 4 | 150.67.056-1 | Корпус | |
| 5 | 150.67.056-1-01 | Корпус | |
| 6 | 120.66.058-1 | Колесо | |
| 7 | 125.48.040 | Лента крепежная в сборе | |
| 8 | ДП77-12/40 | Электродвигатель | |
| 9 | ВС-11 | Кран | |
| 10 | ХСВА-104 | Хомут | |
| 11 | ХСА-28 | Хомут | |
| 12 | 150.67.108-3 | Ось | |
| 13 | 150.67.174 | Фланец | |
| 14 | 150.67.180 | Пружина | |
| 15 | 150.67.199-1 | Чехол | |
| 16 | 150.67.201-2 | Кронштейн | |
| 17 | 150.67.202 | Прокладка | |
| 18 | 150.67.205 | Шайба | |
| 19 | 150.67.211 | Трубка подачи | |
| 19 | 150А.67.103 | Трубка подачи | |
| 19 | 150А.67.103-01 | Трубка подачи | |
| 20 | 150.67.212 | Трубка слива | |
| 20 | 150А.67.103-02 | Трубка слива | |
| 21 | 150.67.216 | Прокладка | |
| 22 | 150.67.219 | Козырёк | |
| 23 | 150.67.232-1А | Кожух | |
| 24 | 150.67.233-1А | Кожух | |
| 25 | 150.67.242 | Прокладка | |
| 26 | 150.66.120 | Винт | |
| 27 | 150М.95.308 | Штуцер | |
| 28 | 150М.95.931 | Скоба | |
| 29 | 15148472-01 | Провод | |
| 30 | 120.66.155 | Втулка | |
| 31 | 120.66.156 | Гайка | |
| 32 | 163.66.119 | Угольник | |
| 33 | 17.004В | Сальник | |
| 34 | ОТ2.13.066 | Прокладка | |
| 35 | М6х12.7798 | Болт | |
| 36 | М6х16.7796 | Болт | |
| 37 | М8Х20.7796 | Болт | |
| 38 | М5х16.17473 | Винт | |
| 39 | М5.5927 | Гайка | |
| 40 | М6.5915 | Гайка | |
| 41 | М8.5915 | Гайка | |
| 42 | 565Г.6402 | Шайба | |
| 43 | 665Г.6402 | Шайба | |
| 44 | 865Г.6402 | Шайба | |
| 45 | 6.04.11371 | Шайба | |
| 46 | 8.04.11371 | Шайба | |
| 47 | 2,5x20.397 | Шплинт |
Содержащиеся в справочниках-каталогах запасные части и детали не предлагаются к продаже, а носят исключительно информационный характер