Каталог запасных частей к технике: ХТЗ Т-150К (2004). Коробка передач
1
2
2
3
5
6
7
8
9
10
11
12
13
14
15
16
17
18
19
20
21
22
23
24
25
26
27
28
29
30
31
32
33
34
35
36
37
38
39
40
40
41
41
42
43
44
45
46
47
48
49
50
50
51
51
52
52
52
53
53
53
54
55
56
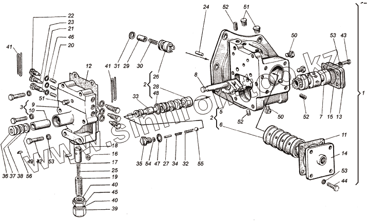
| Позиция на иллюстрации | Заводской номер детали | Название детали | |
|---|---|---|---|
| 1 | 150.37.025-1 | Распределитель правый | |
| 2 | 150.37.027-1 | Корпус правый | |
| 3 | 150.37.029-1 | Крышка боковая со втулкой в сборе | |
| 4 | 150.37.053-1А | Крышка боковая в сборе | |
| 5 | 150.37.144-2 | Корпус правый | |
| 6 | 150.37.146 | Втулка | |
| 7 | 150.37.147-1 | Золотник | |
| 8 | 150.37.148 | Сектор | |
| 9 | 150.37.246-1А | Крышка боковая | |
| 10 | 150.37.247 | Втулка сектора | |
| 11 | 150.37.252 | Прокладка | |
| 12 | 150.37.253-1 | Прокладка | |
| 13 | 150.37.257 | Крышка | |
| 14 | 150.37.308-3А | Крышка | |
| 15 | 150.37.310 | Прокладка | |
| 16 | 150.37.311 | Ролик | |
| 17 | 150.37.312 | Ось ролика | |
| 18 | 150.37.313 | Направляющая фиксатора | |
| 19 | 150.37.314-1 | Пробка фиксатора | |
| 20 | 150.37.316 | Клапан перебросный | |
| 21 | 150.37.371 | Пробка-ограничитель большая | |
| 22 | 150.37.372 | Пробка-ограничитель малая | |
| 23 | 150.37.373-2 | Пробка золотника малого | |
| 24 | 150.37.429-1 | Штифт | |
| 25 | 150.37.442 | Пружина фиксатора | |
| 26 | 150.37.603-1 | Втулка | |
| 27 | 150.37.604 | Упор | |
| 28 | 150.37.605 | Втулка | |
| 29 | 150.37.606 | Клапан | |
| 30 | 150.37.607 | Пружина | |
| 31 | 150.37.608-1 | Кольцо | |
| 32 | 150.37.609 | Пружина | |
| 33 | 150.37.610 | Золотник | |
| 34 | 150.37.611 | Пружина | |
| 35 | 150.37.613-1 | Пробка | |
| 36 | 8.12.129 | Обойма кольца | |
| 37 | 8.12.130 | Кольцо войлочное | |
| 38 | 8.47.160 | Шайба | |
| 39 | 125.57.154 | Гайка | |
| 40 | А06-14 | Шайба | |
| 41 | ПЖ-1,6х150 | Проволока | |
| 42 | М10x45.7795 | Болт | |
| 43 | М10x20,7796 | Болт | |
| 44 | М10x30,7796 | Болт | |
| 45 | М20х1,5.2526 | Гайка | |
| 46 | 012-016-25-2-2,9833 | Кольцо | |
| 47 | 013-017-25-2-2,9833 | Кольцо | |
| 48 | 018-022-25-2-2,9833 | Кольцо | |
| 49 | 1.2-16x30-1.8752 | Манжета | |
| 50 | "КГ1/8""" | Пробка | |
| 51 | "КГ1/4""" | Пробка | |
| 52 | "4-КГ1/8""" | Пробка | |
| 53 | 1065Г6402 | Шайба | |
| 54 | 4.04.11371 | Шайба | |
| 55 | Б7,938-100.3722 | Шарик | |
| 56 | 4x6,5.24071 | Шпонка |
Содержащиеся в справочниках-каталогах запасные части и детали не предлагаются к продаже, а носят исключительно информационный характер