Каталог запасных частей к технике: ХТЗ Т-150К (2004). Коробка передач
151.37.001-8
1
1
1
1
1
2
2
2
2
2
2
3
4
4
4
5
6
7
8
9
10
11
12
13
14
15
16
17
18
19
20
21
22
23
24
25
26
27
28
29
30
31
32
33
34
35
36
37
38
39
40
41
41
41
42
43
44
45
46
47
48
49
50
51
52
52
53
54
55
56
57
57
57
58
59
60
61
62
63
64
65
66
67
67
67
67
67
68
68
68
69
70
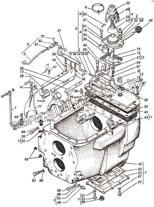
| Позиция на иллюстрации | Заводской номер детали | Название детали | |
|---|---|---|---|
| 151.37.001-8 | 151.37.001-8 | Коробка передач | |
| 1 | 151.37.021-8 | Коробка передач | |
| 2 | 151.37.050-4 | Крышка | |
| 3 | 151.37.056-1 | Тяга блокировки в сборе | |
| 4 | 151.37.0150-01 | Колонка | |
| 5 | 151.37.0156 | Тяга | |
| 6 | 7.37.028 | Пробка в сборе | |
| 7 | 150.00.062-1А-02 | Трубка | |
| 8 | ВАК-10(ВК418-3716000) | Выключатель | |
| 9 | ХС-95 | Хомутик | |
| 10 | 151.37.101-2-02 | Корпус | |
| 11 | 151.37.142-1 | Крышка ходоуменьшителя | |
| 12 | 151.37.157-1А | Рычаг | |
| 13 | 151.37.162-2 | Валик | |
| 14 | 151.37.163-2 | Вилка | |
| 15 | 151.37.167-1 | Болт | |
| 16 | 151.37.227-3 | Валик | |
| 17 | 151.37.228-2 | Вилка | |
| 18 | 151.37.232-1 | Колонка малая | |
| 19 | 151.37.233-1 | Прокладка | |
| 20 | 151.37.238 | Прокладка | |
| 21 | 151.37.248 | Валик блокировки | |
| 22 | 151.37.267-2 | Прокладка | |
| 23 | 151.37.268-3 | Прокладка | |
| 24 | 151.37.294-3 | Ограничитель | |
| 25 | 151.37.297-2 | Кулиса | |
| 26 | 151.37.357-3 | Валик | |
| 27 | 151.37.420 | Указатель | |
| 28 | 151.37.435-2 | Поводок | |
| 29 | 5.43.130 | Пружина застежки | |
| 30 | 7.37.233 | Штифт | |
| 31 | 54.20.405 | Палец | |
| 32 | 54.37.489 | Чехол | |
| 33 | 55-12-476 | Пружина | |
| 34 | 74.37.460 | Штифт | |
| 35 | 74.37.476 | Прокладка регулировочная | |
| 36 | 74.37.485 | Вставка | |
| 37 | 125.37.153 | Пружина фиксатора | |
| 38 | 125.37.154 | Фиксатор | |
| 39 | 125.37.259 | Фиксатор длинный | |
| 40 | 125.37.270 | Винт установочный | |
| 41 | 125.37.299 | Болт стопорный | |
| 42 | 150.20.278 | Вилка | |
| 43 | 150.37.474 | Рым-болт М16 ГОСТ 4751-67 | |
| 44 | А03-12 | Штифт | |
| 45 | А13.04.000А | Рукоятка | |
| 46 | А37-60 | Упорная втулка | |
| 47 | А37-63 | Колпачок | |
| 48 | Н036.04.005 | Штуцер | |
| 49 | ПЖ-1,6x300 | Проволока | |
| 50 | БПУ-10 | Болт | |
| 51 | ШПУ-10 | Шайба поворотного угольника | |
| 52 | ШПУ-20 | Шайба поворотного угольника | |
| 53 | М10x40.7795 | Болт | |
| 54 | М10x55.7795 | Болт | |
| 55 | М10x65.7795 | Болт | |
| 56 | М12x55.7795 | Болт | |
| 57 | М10x30.7796 | Болт | |
| 58 | 3М10x16.7796 | Болт | |
| 59 | М12x30.7796 | Болт | |
| 60 | М12x40.7796 | Болт | |
| 61 | М10.5915 | Гайка | |
| 62 | 26.3111 | Заглушка | |
| 63 | 6x32.10299 | Заклепка | |
| 64 | Н2-20х16-2.9833 | Кольцо | |
| 65 | "КГ1/4""" | Пробка | |
| 66 | "КГ3/8""" | Пробка | |
| 67 | 1065Г.6402 | Шайба | |
| 68 | 1265Г.6402 | Шайба | |
| 69 | Б8-100.3722 | Шарик | |
| 70 | 2x16.397 | Шплинт |
Содержащиеся в справочниках-каталогах запасные части и детали не предлагаются к продаже, а носят исключительно информационный характер