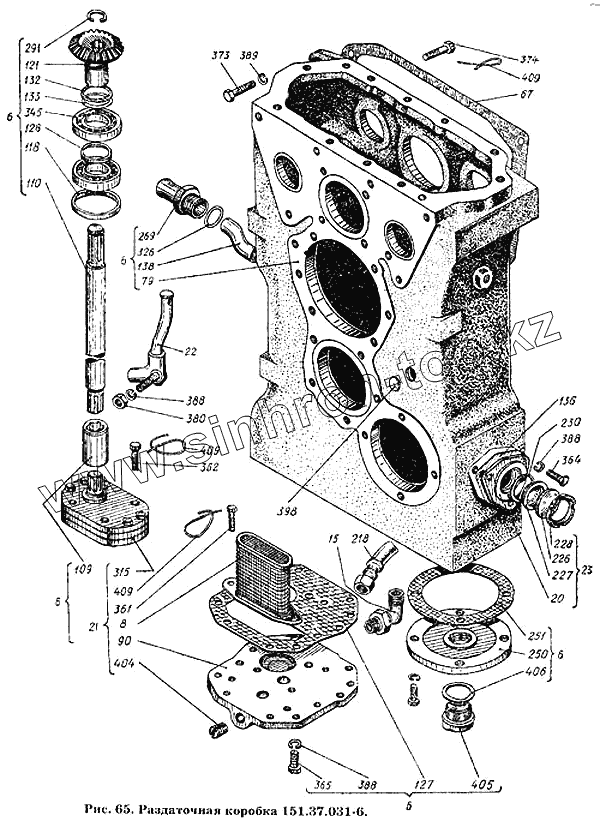
Каталог запасных частей к технике: ХТЗ Т-150К. Раздаточная коробка 151.37.031-6
6
6
6
6
6
8
15
20
21
22
23
67
79
90
109
110
118
121
127
128
132
133
136
138
218
226
227
228
230
250
251
269
291
315
326
345
361
362
364
364
373
374
380
388
388
388
388
388
388
388
388
389
389
389
398
398
398
398
404
405
405
406
406
409
409
409
409
409
409
| Позиция на иллюстрации | Заводской номер детали | Название детали | |
|---|---|---|---|
| 6 | 151.37.031-6 | Коробка раздаточная в сборе | |
| 8 | 151.37.048-2 | Каркас заборника в сборе | |
| 15 | 151.37.065 | Угольник ввертной в сборе | |
| 20 | 151.37.071-1 | Крышка в сборе | |
| 21 | 151.37.072-1 | Насос с крышкой в сборе | |
| 22 | 151.37.073 | Трубка слива в сборе | |
| 23 | 151.37.074 | Окно смотровое в сборе | |
| 67 | 151.37.241 | Прокладка корпуса | |
| 79 | 151.37.301-3 | Корпус раздаточной коробки | |
| 90 | 151.37.333 | Крышка | |
| 109 | 151.37.406 | Втулка | |
| 110 | 151.37.407 | Вал привода насоса | |
| 118 | 151.37.436 | Кольцо | |
| 121 | 151.37.483 | Шестерня | |
| 127 | 151.37.538-1 | Прокладка | |
| 128 | 151.37.540 | Кольцо | |
| 132 | 151.37.544 | Шайба регулировочная | |
| 133 | 151.37.545 | Шайба регулировочная | |
| 136 | 151.37.549-1 | Прокладка | |
| 138 | 151.37.561 | Труба слива | |
| 218 | 150.08.023 | Шланг в сборе | |
| 226 | 150.57.181-1 | Стекло смотровое | |
| 227 | 150.57.182-1 | Экран | |
| 228 | 150.57.183 | Гайка | |
| 230 | 150.57.196-1 | Кольцо | |
| 250 | 125.37.329 | Крышка | |
| 251 | 125.37.330 | Прокладка | |
| 269 | 125.40.227 | Штуцер | |
| 291 | 8.22.173А | Кольцо 1Б20 ГОСТ 13941-68 | |
| 315 | НМШ-25-00-00 | Насос шестеренчатый гидросистемы трансмиссии | |
| 326 | НШ46-0505037 | Кольцо уплотнительное | |
| 345 | Подшипник 206 ГОСТ 8338-57 | Подшипник 206 ГОСТ 8338-57 | |
| 361 | Болт 3М8-6gх65.66 ГОСТ 7796-70 | Болт 3М8-6gх65.66 ГОСТ 7796-70 | |
| 362 | Болт 3М10-6gх16/66 ГОСТ 7796-70 | Болт 3М10-6gх16/66 ГОСТ 7796-70 | |
| 364 | Болт М10-6gх20.66 ГОСТ 7796-70 | Болт М10-6gх20.66 ГОСТ 7796-70 | |
| 364 | Болт М10-6gх20.66 ГОСТ 7796-70 | Болт М10-6gх20.66 ГОСТ 7796-70 | |
| 373 | Болт М12-6gх40.88.35 ГОСТ 7796-70 | Болт М12-6gх40.88.35 ГОСТ 7796-70 | |
| 374 | Болт 3М12-6gх40.88.35 ГОСТ 7796-70 | Болт 3М12-6gх40.88.35 ГОСТ 7796-70 | |
| 380 | ГУ-1М10 | Гайка | |
| 388 | Шайба 10.65Г.05 ГОСТ 6402-70 | Шайба 10.65Г.05 ГОСТ 6402-70 | |
| 388 | Шайба 10.65Г.05 ГОСТ 6402-70 | Шайба 10.65Г.05 ГОСТ 6402-70 | |
| 388 | Шайба 10.65Г.05 ГОСТ 6402-70 | Шайба 10.65Г.05 ГОСТ 6402-70 | |
| 388 | Шайба 10.65Г.05 ГОСТ 6402-70 | Шайба 10.65Г.05 ГОСТ 6402-70 | |
| 388 | Шайба 10.65Г.05 ГОСТ 6402-70 | Шайба 10.65Г.05 ГОСТ 6402-70 | |
| 388 | Шайба 10.65Г.05 ГОСТ 6402-70 | Шайба 10.65Г.05 ГОСТ 6402-70 | |
| 388 | Шайба 10.65Г.05 ГОСТ 6402-70 | Шайба 10.65Г.05 ГОСТ 6402-70 | |
| 388 | Шайба 10.65Г.05 ГОСТ 6402-70 | Шайба 10.65Г.05 ГОСТ 6402-70 | |
| 389 | Шайба 12.65Г.05 ГОСТ 6402-70 | Шайба 12.65Г.05 ГОСТ 6402-70 | |
| 389 | Шайба 12.65Г.05 ГОСТ 6402-70 | Шайба 12.65Г.05 ГОСТ 6402-70 | |
| 389 | Шайба 12.65Г.05 ГОСТ 6402-70 | Шайба 12.65Г.05 ГОСТ 6402-70 | |
| 398 | Заглушка 26 ГОСТ 3111-67 | Заглушка 26 ГОСТ 3111-67 | |
| 398 | Заглушка 26 ГОСТ 3111-67 | Заглушка 26 ГОСТ 3111-67 | |
| 398 | Заглушка 26 ГОСТ 3111-67 | Заглушка 26 ГОСТ 3111-67 | |
| 398 | Заглушка 26 ГОСТ 3111-67 | Заглушка 26 ГОСТ 3111-67 | |
| 404 | Пробка КГ 3/4" ГОСТ 12721-67 | Пробка КГ 3/4" ГОСТ 12721-67 | |
| 405 | ПММ-39-Б | Пробка магнитная в сборе | |
| 405 | ПММ-39-Б | Пробка магнитная в сборе | |
| 406 | КУ-39 | Кольцо уплотняющее | |
| 406 | КУ-39 | Кольцо уплотняющее | |
| 407 | ХС-95 | Хомутик | |
| 409 | ПЖ-1,6х300 | Проволока | |
| 409 | ПЖ-1,6х300 | Проволока | |
| 409 | ПЖ-1,6х300 | Проволока | |
| 409 | ПЖ-1,6х300 | Проволока | |
| 409 | ПЖ-1,6х300 | Проволока | |
| 409 | ПЖ-1,6х300 | Проволока |
Содержащиеся в справочниках-каталогах запасные части и детали не предлагаются к продаже, а носят исключительно информационный характер