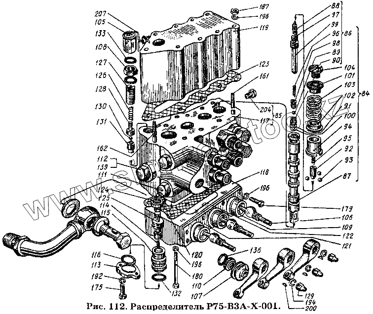
Каталог запасных частей к технике: ХТЗ Т-150К. Распределитель Р76-В3А-Х 001
84
85
86
87
88
89
90
91
92
93
94
95
96
97
98
99
100
101
102
103
104
105
106
107
108
109
110
111
112
113
114
115
116
117
118
119
120
121
122
123
124
125
126
127
128
129
130
131
132
133
136
139
161
162
175
175
175
179
180
187
192
192
194
196
196
196
200
204
207
| Позиция на иллюстрации | Заводской номер детали | Название детали | |
|---|---|---|---|
| 151.57.001-1 | 151.57.001-1 | Установка гидравлической системы | |
| 83 | Р75-В3А-Х-001 | Распределитель в сборе | |
| 84 | Р75-В3А-003 | Золотник в сборе | |
| 85 | Р75-В3А-004 | Корпус распределителя в сборе | |
| 86 | Р75-В-006А | Гильза золотника в сборе | |
| 87 | Р75-В-024В | Золотник | |
| 88 | Р75-В-025А | Бустер | |
| 89 | Р75-В-026 | Клапан бустера | |
| 90 | Р75-В-027А | Гнездо клапана бустера | |
| 91 | Р75-В-028А | Прокладка | |
| 92 | Р75-В-029 | Втулка фиксаторная | |
| 93 | Р75-В-030 | Фиксатор | |
| 94 | Р75-В-031 | Обойма фиксатора | |
| 95 | Р75-В-032 | Пружина фиксатора | |
| 96 | Р75-В-036 | Пружина бустера | |
| 97 | Р75-В-044А | Винт регулировочный | |
| 98 | Р75-В-045 | Направляющая клапана бустера | |
| 99 | Р75-В-046А | Гильза золотника | |
| 100 | Р75-В-052 | Фильтр | |
| 101 | Р75-033 | Стакан нижний | |
| 102 | Р75-034 | Стакан верхний | |
| 103 | Р75-035 | Пружина золотника | |
| 104 | Р75-037 | Пробка золотника | |
| 105 | Р75-051-Б | Колпачок | |
| 106 | Р75-054Б | Рычаг | |
| 107 | Р75-056 | Пальчик | |
| 108 | Р75-058-Б | Гайка | |
| 109 | Р75-064 | Кольцо нижнее | |
| 110 | Р75-065 | Кольцо верхнее | |
| 111 | Р75-066 | Заглушка | |
| 112 | Р75-067 | Заглушка | |
| 113 | Р75-071В | Упор | |
| 114 | Р75-072 | Пружина перепускного клапана | |
| 115 | Р75-073-А | Направляющая клапана | |
| 116 | Р75-077 | Кольцо У-35х30-2 ГОСТ 9833-61 | |
| 117 | Р75-3-021 | Корпус распределителя | |
| 118 | Р75-3-022-Б | Крышка верхняя | |
| 119 | Р75-3-023 | Крышка нижняя | |
| 120 | Р75-3-038 | Прокладка верхняя | |
| 121 | Р75-3-055-Б | Пластина пыльника | |
| 122 | Р75-3-057 | Пластина колец | |
| 123 | Р40/75-0808039А | Прокладка нижняя | |
| 124 | Р40/75-0808040А | Гнездо клапана | |
| 125 | Р40/75-0808041Б | Клапан перепускной | |
| 126 | Р40/75-0808048-Б | Пружина предохранительного клапана | |
| 127 | Р40/75-0808049-А | Винт регулировочный | |
| 128 | Р40/75-0809059А | Направляющая предохранительного клапана | |
| 129 | Р40/75-0808061А | Колпачок рукоятки | |
| 130 | Р40/75-0808062 | Клапан предохранительный | |
| 131 | Р40/75-0808063А | Гнездо предохранительного клапана | |
| 132 | НШ10-0101031 | Кольцо уплотнительное | |
| 133 | НШ10-0101034 | Кольцо уплотнительное | |
| 136 | НШ46-0505037 | Кольцо уплотнительное | |
| 139 | НШ46-0505046 | Кольцо уплотнительное | |
| 161 | ШМ8х114 | Шпилька М8х114 | |
| 162 | ШМ8х123 | Шпилька М8х123 | |
| 175 | Болт М10-6gх25.66 ГОСТ 7796-70 | Болт М10-6gх25.66 ГОСТ 7796-70 | |
| 175 | Болт М10-6gх25.66 ГОСТ 7796-70 | Болт М10-6gх25.66 ГОСТ 7796-70 | |
| 175 | Болт М10-6gх25.66 ГОСТ 7796-70 | Болт М10-6gх25.66 ГОСТ 7796-70 | |
| 179 | Болт М8х20 кл.2-050 ГОСТ 7796-70 | Болт М8х20 кл.2-050 ГОСТ 7796-70 | |
| 180 | Болт М8х55 кл.2-050 ГОСТ 7795-70 | Болт М8х55 кл.2-050 ГОСТ 7795-70 | |
| 187 | Гайка М8 кл.2 ГОСТ 5927-62 | Гайка М8 кл.2 ГОСТ 5927-62 | |
| 192 | Шайба 10.65Г.05 ГОСТ 6402-70 | Шайба 10.65Г.05 ГОСТ 6402-70 | |
| 192 | Шайба 10.65Г.05 ГОСТ 6402-70 | Шайба 10.65Г.05 ГОСТ 6402-70 | |
| 194 | Шайба 12.65Г.05 ГОСТ 6402-70 | Шайба 12.65Г.05 ГОСТ 6402-70 | |
| 196 | Шайба 8Т.65Г.05 ГОСТ 6402-70 | Шайба 8Т.65Г.05 ГОСТ 6402-70 | |
| 200 | Шпонка сегментная 3х6,5 ГОСТ 8795-68 | Шпонка сегментная 3х6,5 ГОСТ 8795-68 | |
| 204 | Пробка КГ3/8" ГОСТ 12720-67 | Пробка КГ3/8" ГОСТ 12720-67 | |
| 207 | 08-1,0 | Проволока L=100 |
Содержащиеся в справочниках-каталогах запасные части и детали не предлагаются к продаже, а носят исключительно информационный характер