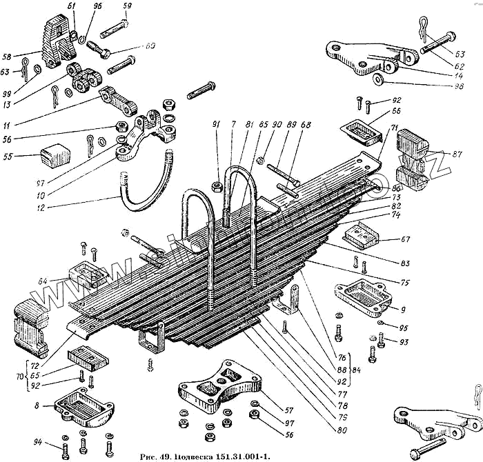
Каталог запасных частей к технике: ХТЗ Т-150К. Подвеска 151.31.001-1
7
8
9
10
12
13
14
60
62
63
64
65
66
67
68
70
71
72
73
74
75
76
77
78
79
80
81
82
83
84
85
86
87
88
89
90
91
92
92
92
93
94
95
97
97
98
| Позиция на иллюстрации | Заводской номер детали | Название детали | |
|---|---|---|---|
| 214-2902012 | 214-2902012 | Рессора передняя в сборе | |
| 151.31.001-1 | 151.31.001-1 | Подвеска в сборе | |
| 7 | 151.31.101 | Стремянка | |
| 8 | 151.31.111 | Крышка переднего кронштейна рессоры | |
| 9 | 151.31.112 | Крышка заднего кронштейна рессоры | |
| 10 | 151.31.115 | Накладка | |
| 11 | 151.31.117-1 | Серьга | |
| 12 | 151.31.118 | Стремянка блокировки | |
| 13 | 151.31.123 | Ограничитель | |
| 14 | 151.31.124 | Кронштейн амортизатора нижний | |
| 59 | 125.31.119 | Палец блокировки | |
| 60 | 125.31.120 | Болт | |
| 61 | 125.31.121 | Шайба | |
| 62 | 125.56.192 | Ось 22-22х/5х105 ГОСТ 9650-71 | |
| 63 | 125.58.127 | Шплинт пружинный | |
| 64 | 200-2902034 | Чашка подушки передняя верхняя | |
| 65 | 200-2902035 | Чашка подушки передняя нижняя | |
| 66 | 200-2902036 | Чашка подушки задняя верхняя | |
| 67 | 200-2902037 | Чашка подушки задняя нижняя | |
| 68 | 200-2902068 | Трубка распорная хомута | |
| 69 | 200.2902074 | Лист № 1 с чашками в сборе | |
| 70 | 200-2902076 | Лист № 3 с чашками в сборе | |
| 71 | 200-2902101 | Лист № 1 | |
| 72 | 200-2902102 | Лист № 3 | |
| 73 | 200-2902103 | Лист № 4 | |
| 74 | 200-2902104 | Лист № 6 | |
| 75 | 200-2902105 | Лист № 8 | |
| 76 | 200-2902106 | Лист № 9 | |
| 77 | 200-2902107 | Лист № 10 | |
| 78 | 200-2902108 | Лист № 11 | |
| 79 | 200-2902109 | Лист № 12 | |
| 80 | 200-2902110 | Лист № 13 | |
| 81 | 200-2912032 | Болт центровой | |
| 82 | 210-2902104 | Лист № 5 | |
| 83 | 210-2902106 | Лист № 7 | |
| 84 | 214-2902052 | Лист № 9 с хомутами в сборе | |
| 85 | 214-2902099 | Лист обратный | |
| 86 | 214-2902102 | Лист № 2 | |
| 87 | 214-2902430А/1 | Подушка | |
| 88 | 214-2902062 | Хомут | |
| 89 | 200333-П29 | Болт М10х120 ГОСТ 7795-62 | |
| 90 | 250810-П29 | Гайка М10 ГОСТ 5915-62 | |
| 91 | 250835-П29 | Гайка М12х1,25 ГОСТ 5915-62 | |
| 92 | 256836-П | Заклепка 10х20 ГОСТ 10299-52 | |
| 93 | Болт М14-6gх45.88.35 ГОСТ 7796-70 | Болт М14-6gх45.88.35 ГОСТ 7796-70 | |
| 94 | Болт М14-6gх55.88.35 ГОСТ 7795-70 | Болт М14-6gх55.88.35 ГОСТ 7795-70 | |
| 95 | Шайба 14.65Г ГОСТ 6402-70 | Шайба 14.65Г ГОСТ 6402-70 | |
| 96 | Шайба 22.65Г ГОСТ 6402-70 | Шайба 22.65Г ГОСТ 6402-70 | |
| 97 | Шайба 24.65Г ГОСТ 6402-70 | Шайба 24.65Г ГОСТ 6402-70 | |
| 98 | Шайба 22-04 ГОСТ 11371-68 | Шайба 22-04 ГОСТ 11371-68 | |
| 99 | Шайба 27-04 ГОСТ 11371-68 | Шайба 27-04 ГОСТ 11371-68 |
Содержащиеся в справочниках-каталогах запасные части и детали не предлагаются к продаже, а носят исключительно информационный характер