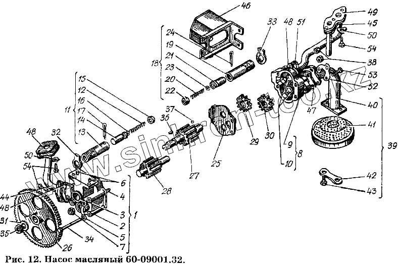
Каталог запасных частей к технике: ХТЗ Т-150К. Насос масляный 60-09001.32
1
2
3
4
5
6
7
8
9
10
11
12
13
14
15
16
17
18
19
20
21
22
23
24
25
26
27
28
29
30
31
32
33
34
35
36
37
38
39
40
41
42
43
44
45
46
47
48
48
48
49
50
50
51
52
53
54
54
| Позиция на иллюстрации | Заводской номер детали | Название детали | |
|---|---|---|---|
| 60-09001.32 | 60-09001.32 | Масляный насос с соединительной арматурой | |
| 60-09153.00 | 60-09153.00 | Кольцо | |
| 1 | 60-09002.12 | Насос масляный | |
| 2 | 60-09004.30 | Корпус масляного насоса | |
| 3 | 60-09101.40 | Корпус масляного насоса | |
| 4 | 60-09111.00 | Втулка масляного насоса | |
| 5 | 60-09135.10 | Шпилька установочная | |
| 6 | 60-09154.00 | Шайба замковая | |
| 6 | Штифт 8Сзх20 ГОСТ 3128-70 | Штифт 8Сзх20 ГОСТ 3128-70 | |
| 7 | Гайка М8.2.6.05 ГОСТ 2526-70 | Гайка М8.2.6.05 ГОСТ 2526-70 | |
| 8 | 60-09005.20 | Корпус радиаторной секции | |
| 9 | 60-09102.20 | Корпус радиаторной секции | |
| 10 | 60-09110.20 | Втулка | |
| 11 | 60-09008.00 | Клапан | |
| 12 | 60-09113.00 | Пружина | |
| 13 | 60-09115.01 | Корпус клапана | |
| 14 | 60-09139.00 | Клапан | |
| 15 | 60-09140.00 | Колпачок | |
| 16 | 60-09151.00 | Шайба регулировочная | |
| 17 | Шплинт 4х40-005 ГОСТ 397-66 | Шплинт 4х40-005 ГОСТ 397-66 | |
| 18 | 60-09012.00 | Клапан | |
| 19 | 60-09116.01 | Корпус клапана | |
| 20 | 60-09134.00 | Пружина | |
| 21 | 60-09138.00 | Клапан | |
| 22 | 60-09140.00 | Колпачок | |
| 23 | Шайба 6-015 ГОСТ 11371-68 | Шайба 6-015 ГОСТ 11371-68 | |
| 24 | Шплинт 4х40-005 ГОСТ 397-66 | Шплинт 4х40-005 ГОСТ 397-66 | |
| 25 | 60-09103.10 | Проставка | |
| 26 | 60-09104.10 | Колесо зубчатое m = 2,5, z = 64 | |
| 27 | 60-09105.20 | Шестерня ведущая m = 4,25, z = 10 | |
| 28 | 60-09106.10 | Шестерня ведомая m=4,25, z=10 | |
| 29 | 60-09112.10 | Шестерня радиаторная ведущая m = 4,25, z = 10 | |
| 30 | 60-09114.10 | Шестерня радиаторная ведомая m = 4,25, z = 10 | |
| 31 | 60-09132.10 | Шайба стопорная | |
| 32 | 60-09136.00 | Шайба замковая | |
| 33 | 60-09137.00 | Шайба замковая | |
| 34 | 60-09144.00 | Болт М8х85 | |
| 35 | Гайка М18х1,5.2.6.05 ГОСТ 5929-70 | Гайка М18х1,5.2.6.05 ГОСТ 5929-70 | |
| 36 | Шпонка сегментная 5х6,5 ГОСТ 8795-68 | Шпонка сегментная 5х6,5 ГОСТ 8795-68 | |
| 37 | Шарик БV 5,556мм Р ГОСТ 3722-60 | Шарик БV 5,556мм Р ГОСТ 3722-60 | |
| 38 | Гайка М8.2.6.05 ГОСТ 2526-70 | Гайка М8.2.6.05 ГОСТ 2526-70 | |
| 39 | 60-09009.20 | Трубка всасывающая с заборником | |
| 40 | 60-09010.20 | Трубка всасывающая | |
| 41 | 60-09016.00 | Заборник масляного насоса | |
| 42 | 60-09150.00 | Шайба замковая | |
| 43 | Болт М8.2х30.56.05 ГОСТ 7796-70 | Болт М8.2х30.56.05 ГОСТ 7796-70 | |
| 44 | 60-09011.30 | Трубка к маслофильтру | |
| 45 | 60-09014.30 | Трубка радиаторной секции | |
| 46 | 60-09017.01 | Кожух клапанов | |
| 47 | 60-09126.00 | Прокладка | |
| 48 | 60-09127.00 | Прокладка | |
| 49 | 60-09129.20 | Прокладка | |
| 50 | 60-09131.10 | Шайба замковая | |
| 51 | 60-09152.00 | Фланец трубки | |
| 52 | 60-09142.10 | Шайба | |
| 53 | Болт М8.2х16.56.05 ГОСТ 7796-70 | Болт М8.2х16.56.05 ГОСТ 7796-70 | |
| 54 | Болт М8.2х20.56.05 ГОСТ 7796-70 | Болт М8.2х20.56.05 ГОСТ 7796-70 |
Содержащиеся в справочниках-каталогах запасные части и детали не предлагаются к продаже, а носят исключительно информационный характер