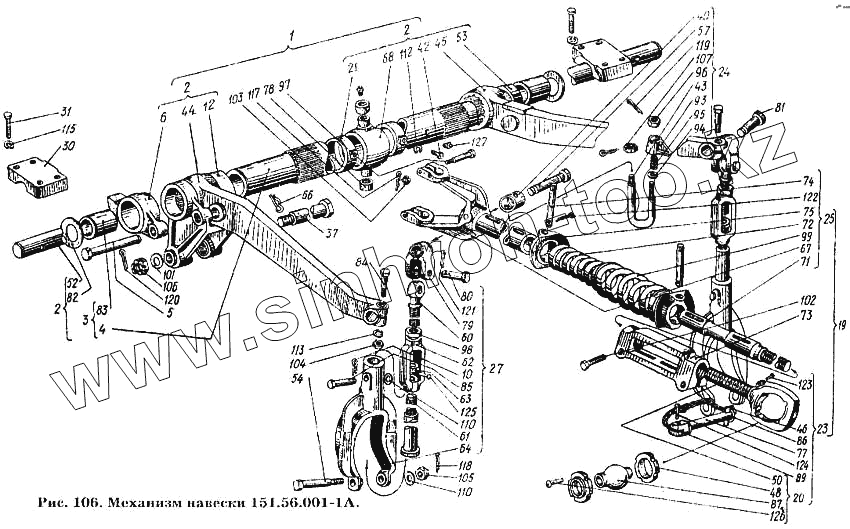
Каталог запасных частей к технике: ХТЗ Т-150К. Механизм навески 151.56.001-1А
1
2
2
2
3
4
5
6
10
12
19
20
21
23
24
25
27
30
31
37
40
42
43
44
45
46
46
48
48
48
50
52
53
54
57
60
61
62
63
64
66
67
68
71
72
73
74
75
77
78
79
80
81
82
83
84
85
85
86
86
87
89
93
94
95
96
97
98
99
101
102
103
104
105
106
107
110
110
112
113
113
115
117
118
119
120
121
121
122
123
124
125
126
126
127
| Позиция на иллюстрации | Заводской номер детали | Название детали | |
|---|---|---|---|
| 151.56.001-1А | 151.56.001-1А | Механизм навески | |
| 1 | 151.56.013 | Ось верхняя с рычагами в сборе | |
| 2 | 151.56.016-3 | Ось верхняя в сборе | |
| 3 | 151.56.018-2 | Вал рычагов в сборе | |
| 4 | 151.56.117-1 | Вал рычагов | |
| 5 | 151.56.132 | Палец блокировки | |
| 6 | 151.56.133А | Рычаг упорный | |
| 10 | 151.58.121 | Шплинт | |
| 12 | 150.56.015-1 | Рычаг штока в сборе | |
| 19 | 150.56.029-1 | Тяга верхняя в сборе | |
| 20 | 150.56.030 | Головка в сборе | |
| 21 | 150.56.032 | Кольцо упорное в сборе | |
| 23 | 150.56.034 | Головка с пальцем в сборе | |
| 24 | 150.56.035-1 | Фиксатор в сборе | |
| 25 | 150.56.036 | Вилка с пружинами в сборе | |
| 27 | 150.56.039 | Раскос в сборе | |
| 30 | 150.56.115-2 | Крышка бугеля стойки | |
| 31 | 150.56.116-2 | Болт специальный | |
| 37 | 150.56.136-1 | Палец рычага штока | |
| 40 | 150.56.144 | Втулка фиксатора | |
| 42 | 150.56.149 | Винт установочный | |
| 43 | 150.56.150-1 | Фиксатор | |
| 44 | 150.56.151А | Рычаг подъемный левый | |
| 45 | 150.56.152А | Рычаг подъемный правый | |
| 46 | 150.56.153 | Чека | |
| 46 | 150.56.153 | Чека | |
| 48 | 150.56.156 | Кольцо яблока | |
| 48 | 150.56.156 | Кольцо яблока | |
| 48 | 150.56.156 | Кольцо яблока | |
| 50 | 150.56.158 | Головка верхней тяги | |
| 52 | 150.56.161 | Ось верхняя | |
| 53 | 150.56.162 | Втулка упорная | |
| 54 | 150.56.169 | Палец рычагов нижний | |
| 57 | 150.56.172 | Палец рычага | |
| 60 | 150.56.185 | Винт раскоса верхний | |
| 61 | 150.56.186 | Винт раскоса | |
| 62 | 150.56.187 | Муфта раскоса | |
| 63 | 150.56.188 | Кольцо предохранительное | |
| 64 | 77.60.114-1 | Вилка раскоса | |
| 66 | 125.58.127А | Шплинт пружинный | |
| 67 | 77.60.024 | Вилка в сборе | |
| 68 | 77.60.109 | Траверса верхней тяги | |
| 71 | 77.60.139 | Винт верхней тяги | |
| 72 | 77.60.143 | Пружина малая | |
| 73 | 77.60.144А | Муфта верхней тяги | |
| 74 | 77.60.146 | Палец | |
| 75 | 77.60.147 | Шайба упорная | |
| 77 | 77.60.158 | Палец верхней тяги | |
| 78 | 77.60.161 | Втулка малая | |
| 79 | 77.60.164-1А | Серьга раскоса | |
| 80 | 77.60.165 | Палец серьги раскоса | |
| 81 | 77.60.168-1 | Палец рычага малый | |
| 82 | 77.60.169 | Шайба | |
| 83 | 77.60.170-2 | Втулка вала рычагов | |
| 84 | 77.60.174-1 | Болт рычагов | |
| 85 | 77.60.179-1 | Палец серьги | |
| 85 | 77.60.179-1 | Палец серьги | |
| 86 | 77.60.195 | Кольцо чеки | |
| 86 | 77.60.195 | Кольцо чеки | |
| 87 | 77.60.198 | Яблоко верхней тяги | |
| 89 | 77.60.203 | Цепочка верхней тяги | |
| 93 | 77.60.627А | Упор поворотный | |
| 94 | 77.60.628 | Шайба фиксатора | |
| 95 | 77.60.629 | Пружина фиксатора | |
| 96 | 77.60.634 | Шайба фиксатора | |
| 97 | 74.56.456 | Гайка упорная | |
| 98 | 74.56.458 | Гайка М36 ГОСТ 2526-62 | |
| 99 | 74.56.643 | Пружина | |
| 101 | 7.37.227 | Шайба | |
| 102 | Болт М20-6gх55.66 ГОСТ 7796-70 | Болт М20-6gх55.66 ГОСТ 7796-70 | |
| 103 | Гайка М12х1,25-6Н.8 ГОСТ 5932-62 | Гайка М12х1,25-6Н.8 ГОСТ 5932-62 | |
| 104 | Гайка М16-7Н.6 ГОСТ 5915-70 | Гайка М16-7Н.6 ГОСТ 5915-70 | |
| 105 | Гайка М20х1,5-6Н.8 | Гайка М20х1,5-6Н.8 | |
| 106 | Гайка М27х2-6Н.8 | Гайка М27х2-6Н.8 | |
| 107 | Гайка М16-6Н.8 ГОСТ 5933-62 | Гайка М16-6Н.8 ГОСТ 5933-62 | |
| 110 | Шайба 20-010 ГОСТ 11371-68 | Шайба 20-010 ГОСТ 11371-68 | |
| 110 | Шайба 20-010 ГОСТ 11371-68 | Шайба 20-010 ГОСТ 11371-68 | |
| 112 | Шайба 14.65Г. ГОСТ 6402-70 | Шайба 14.65Г. ГОСТ 6402-70 | |
| 113 | Шайба 16.65Г. ГОСТ 6402-70 | Шайба 16.65Г. ГОСТ 6402-70 | |
| 113 | Шайба 16.65Г. ГОСТ 6402-70 | Шайба 16.65Г. ГОСТ 6402-70 | |
| 115 | Шайба 24.65Г ГОСТ 6402-70 | Шайба 24.65Г ГОСТ 6402-70 | |
| 117 | Шплинт 3,2х25 ГОСТ 397-66 | Шплинт 3,2х25 ГОСТ 397-66 | |
| 118 | Шплинт 4х36 ГОСТ 397-66 | Шплинт 4х36 ГОСТ 397-66 | |
| 119 | Шплинт 5х36 ГОСТ 397-66 | Шплинт 5х36 ГОСТ 397-66 | |
| 120 | Шплинт 5х50 ГОСТ 397-66 | Шплинт 5х50 ГОСТ 397-66 | |
| 121 | Шплинт 6,3х40 ГОСТ 397-66 | Шплинт 6,3х40 ГОСТ 397-66 | |
| 121 | Шплинт 6,3х40 ГОСТ 397-66 | Шплинт 6,3х40 ГОСТ 397-66 | |
| 122 | Шплинт 8х50 ГОСТ 397-66 | Шплинт 8х50 ГОСТ 397-66 | |
| 123 | Заклепка 6х32.01 ГОСТ 10299-68 | Заклепка 6х32.01 ГОСТ 10299-68 | |
| 124 | Заклепка 6х42.01 ГОСТ 10299-68 | Заклепка 6х42.01 ГОСТ 10299-68 | |
| 125 | Заклепка 8х46 ГОСТ 10300-68 | Заклепка 8х46 ГОСТ 10300-68 | |
| 126 | Заклепка 12х45.01 ГОСТ 10299-68 | Заклепка 12х45.01 ГОСТ 10299-68 | |
| 126 | Заклепка 12х45.01 ГОСТ 10299-68 | Заклепка 12х45.01 ГОСТ 10299-68 | |
| 127 | Масленка I-Аl ГОСТ 1303-66 | Масленка I-Аl ГОСТ 1303-66 |
Содержащиеся в справочниках-каталогах запасные части и детали не предлагаются к продаже, а носят исключительно информационный характер