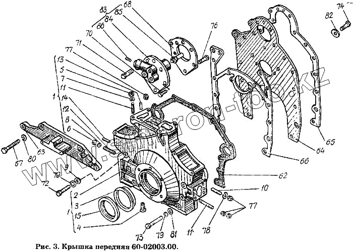
Каталог запасных частей к технике: ХТЗ Т-150К. Крышка передняя 60-02003.00
1
1
2
3
4
5
6
7
8
9
10
11
11
12
13
14
15
62
63
64
65
66
67
68
70
71
72
73
74
76
77
77
78
79
79
80
81
82
83
84
85
86
| Позиция на иллюстрации | Заводской номер детали | Название детали | |
|---|---|---|---|
| 60-02001.20 | 60-02001.20 | Крышка передняя и картер маховика | |
| 1 | 60-02003.00 | Крышка передняя | |
| 2 | 60-02101.01 | Крышка передняя | |
| 3 | 60-02109.00 | Кольцо маслоотражателя | |
| 4 | 60-02163.00 | Втулка резьбовая | |
| 5 | Гайка М10.2.6.05 ГОСТ 2524-70 | Гайка М10.2.6.05 ГОСТ 2524-70 | |
| 6 | Гайка М12.2.6.05 ГОСТ 2524-70 | Гайка М12.2.6.05 ГОСТ 2524-70 | |
| 7 | Шайба 10.65Г.05 ГОСТ 6402-70 | Шайба 10.65Г.05 ГОСТ 6402-70 | |
| 8 | Шайба 12.65Г.05 ГОСТ 6402-70 | Шайба 12.65Г.05 ГОСТ 6402-70 | |
| 9 | Шайба 12х2-015 ГОСТ 11371-68 | Шайба 12х2-015 ГОСТ 11371-68 | |
| 10 | Шпилька БМ10 кл. То/2х16(20/14)х40Х ГОСТ | Шпилька БМ10 кл. То/2х16(20/14)х40Х ГОСТ 11765-66 | |
| 11 | Шпилька БМ10 кл. То/2х25(20/22)х40Х ГОСТ | Шпилька БМ10 кл. То/2х25(20/22)х40Х ГОСТ 11765-66 | |
| 12 | Шпилька БМ12 кл. То/2х40(24/30)х055 ГОСТ | Шпилька БМ12 кл. То/2х40(24/30)х055 ГОСТ 11765-66 | |
| 13 | Штифт 8Пр2/2nх25 ГОСТ 3128-70 | Штифт 8Пр2/2nх25 ГОСТ 3128-70 | |
| 14 | Штифт 10Пр2/2ах25 ГОСТ 3128-70 | Штифт 10Пр2/2ах25 ГОСТ 3128-70 | |
| 15 | Манжета 2-30-105-4 ГОСТ 8752-70 | Манжета 2-30-105-4 ГОСТ 8752-70 | |
| 48 | 60-02128.00 | Шестерня промежуточная | |
| 62 | 60-02102.10 | Прокладка передней крышки | |
| 63 | 60-02105.00 | Опора шестерни | |
| 64 | 60-02114.00 | Щит | |
| 65 | 60-02116.01 | Прокладка картера маховика | |
| 66 | 60-02117.01 | Прокладка щита | |
| 67 | 60-02135.00 | Болт М14х100 | |
| 68 | 60-02140.10 | Прокладка опоры шестерни | |
| 70 | Болт М10.2х35.56.05 ГОСТ 7796-70 | Болт М10.2х35.56.05 ГОСТ 7796-70 | |
| 71 | Болт М10.2х50.56.05 ГОСТ 7795-70 | Болт М10.2х50.56.05 ГОСТ 7795-70 | |
| 72 | Болт М12.2х70.109.40Х05 ГОСТ 7795-70 | Болт М12.2х70.109.40Х05 ГОСТ 7795-70 | |
| 73 | Болт М12.2х90.109.40Х05 ГОСТ 7795-70 | Болт М12.2х90.109.40Х05 ГОСТ 7795-70 | |
| 74 | Болт М10.2х20.56.05 ГОСТ 7796-70 | Болт М10.2х20.56.05 ГОСТ 7796-70 | |
| 76 | Болт М10.2х30.56.05 ГОСТ 7796-70 | Болт М10.2х30.56.05 ГОСТ 7796-70 | |
| 77 | Гайка М10.2.6.05 ГОСТ 2524-70 | Гайка М10.2.6.05 ГОСТ 2524-70 | |
| 78 | Шайба 10.65Г.05 ГОСТ 6402-70 | Шайба 10.65Г.05 ГОСТ 6402-70 | |
| 79 | Шайба 12.65Г.05 ГОСТ 6402-70 | Шайба 12.65Г.05 ГОСТ 6402-70 | |
| 80 | Шайба 14.65Г.05 ГОСТ 6402-70 | Шайба 14.65Г.05 ГОСТ 6402-70 | |
| 81 | Шайба 12х2-015 ГОСТ 11371-68 | Шайба 12х2-015 ГОСТ 11371-68 | |
| 82 | 47 5361 3159 | Шайба стопорная 11х26 | |
| 83 | 60-02013.10 | Опора шестерни | |
| 84 | 60-0213830 | Опора шестерни | |
| 85 | 60-02177.00 | Штуцер | |
| 86 | Пробка КГ1/8" ГОСТ 12720-67 | Пробка КГ1/8" ГОСТ 12720-67 |
Содержащиеся в справочниках-каталогах запасные части и детали не предлагаются к продаже, а носят исключительно информационный характер