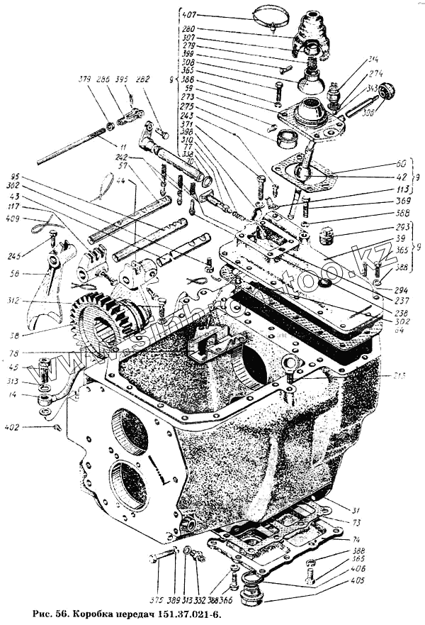
Каталог запасных частей к технике: ХТЗ Т-150К. Коробка передач 151.37.021-6
11
14
31
38
39
42
43
44
45
57
58
59
60
64
70
73
74
77
78
95
113
117
213
237
237
237
238
238
242
243
243
245
245
245
245
273
274
275
279
280
282
286
286
293
294
302
302
306
307
308
310
312
313
313
314
332
332
338
343
362
365
365
365
365
365
365
365
366
366
369
369
371
375
375
379
379
379
379
379
388
388
388
388
388
388
388
388
388
388
389
389
389
395
395
395
398
398
398
398
399
402
402
402
402
405
405
406
406
407
409
409
409
409
409
409
| Позиция на иллюстрации | Заводской номер детали | Название детали | |
|---|---|---|---|
| 151.37.001-6 | 151.37.001-6 | Коробка перемены передач с раздаточной коробкой | |
| 151.37.050-2 | 151.37.050-2 | Крышка ходоуменьшителя в сборе | |
| 3 | 151.37.021-6 | Коробка передач в сборе | |
| 11 | 151.37.056-1 | Тяга блокировки в сборе | |
| 14 | 151.37.063-1 | Трубка перепускная в сборе | |
| 31 | 151.37.101-2 | Корпус коробки передач | |
| 38 | 151.37.129-1 | Шестерня промежуточная заднего хода | |
| 39 | 151.37.142-1 | Крышка ходоуменьшителя | |
| 42 | 151.37.157 | Рычаг переключения рядов | |
| 43 | 151.37.162-1 | Валик | |
| 44 | 151.37.163-1 | Вилка заднего хода | |
| 45 | 151.37.167 | Болт поворотного угольника | |
| 57 | 151.37.227-1 | Валик | |
| 58 | 151.37.228-2 | Вилка | |
| 59 | 151.37.232-1 | Колонка малая | |
| 60 | 151.37.233-1 | Прокладка | |
| 64 | 151.37.238 | Прокладка | |
| 70 | 151.37.248 | Валик блокировки | |
| 73 | 151.37.267-2 | Прокладка | |
| 74 | 151.37.268-2 | Крышка люка | |
| 77 | 151.37.294-1 | Ограничитель | |
| 78 | 151.37.297-1 | Кулиса | |
| 95 | 151.37.357-2 | Валик | |
| 113 | 151.37.420 | Указатель | |
| 117 | 151.37.435 | Поводок двойной | |
| 213 | 150.37.474 | Рым-болт М16 ГОСТ 4751-67 | |
| 237 | 125.37.153 | Пружина фиксатора | |
| 237 | 125.37.153 | Пружина фиксатора | |
| 237 | 125.37.153 | Пружина фиксатора | |
| 238 | 125.37.154 | Фиксатор | |
| 238 | 125.37.154 | Фиксатор | |
| 242 | 125.37.259 | Фиксатор длинный | |
| 243 | 125.37.270 | Винт установочный | |
| 243 | 125.37.270 | Винт установочный | |
| 245 | 125.37.299 | Болт стопорный | |
| 245 | 125.37.299 | Болт стопорный | |
| 245 | 125.37.299 | Болт стопорный | |
| 245 | 125.37.299 | Болт стопорный | |
| 273 | 74.37.460 | Штифт | |
| 274 | 74.37.476 | Прокладка регулировочная | |
| 275 | 74.37.485 | Вставка | |
| 279 | 54.37.462 | Пружина колпачка | |
| 280 | 54.37.489 | Чехол | |
| 282 | 54.20.405 | Палец | |
| 286 | 14.38.528А | Вилка тяги блокировки | |
| 286 | 14.38.528А | Вилка тяги блокировки | |
| 293 | 7.37.028 | Пробка в сборе | |
| 294 | 7.37.233 | Штифт | |
| 302 | А03-12 | Штифт | |
| 302 | А03-12 | Штифт | |
| 306 | А13.04.000А | Рукоятка | |
| 307 | А37-60 | Упорная втулка | |
| 308 | А37-63 | Колпачок | |
| 310 | 5.43.130 | Пружина застежки | |
| 312 | БПУ-20 | Болт поворотного угольника | |
| 313 | ШПУ-20 | Шайба поворотного угольника | |
| 314 | БК403-3716000 | Включатель | |
| 332 | Н.036.04.005 | Штуцер | |
| 332 | Н.036.04.005 | Штуцер | |
| 338 | Кольцо Н2-20х16-2 ГОСТ 9833-61 | Кольцо Н2-20х16-2 ГОСТ 9833-61 | |
| 343 | Шар IV 8мм Р ГОСТ 3722-60 | Шар IV 8мм Р ГОСТ 3722-60 | |
| 362 | Болт 3М10-6gх16/66 ГОСТ 7796-70 | Болт 3М10-6gх16/66 ГОСТ 7796-70 | |
| 365 | Болт М10-6gх30.66 ГОСТ 7796-70 | Болт М10-6gх30.66 ГОСТ 7796-70 | |
| 365 | Болт М10-6gх30.66 ГОСТ 7796-70 | Болт М10-6gх30.66 ГОСТ 7796-70 | |
| 365 | Болт М10-6gх30.66 ГОСТ 7796-70 | Болт М10-6gх30.66 ГОСТ 7796-70 | |
| 365 | Болт М10-6gх30.66 ГОСТ 7796-70 | Болт М10-6gх30.66 ГОСТ 7796-70 | |
| 365 | Болт М10-6gх30.66 ГОСТ 7796-70 | Болт М10-6gх30.66 ГОСТ 7796-70 | |
| 365 | Болт М10-6gх30.66 ГОСТ 7796-70 | Болт М10-6gх30.66 ГОСТ 7796-70 | |
| 366 | Болт М10-6gх40.66 ГОСТ 7795-70 | Болт М10-6gх40.66 ГОСТ 7795-70 | |
| 366 | Болт М10-6gх40.66 ГОСТ 7795-70 | Болт М10-6gх40.66 ГОСТ 7795-70 | |
| 369 | Болт М10-6gх55.66 ГОСТ 7795-70 | Болт М10-6gх55.66 ГОСТ 7795-70 | |
| 369 | Болт М10-6gх55.66 ГОСТ 7795-70 | Болт М10-6gх55.66 ГОСТ 7795-70 | |
| 371 | Болт М10-6gх70.66 ГОСТ 7795-70 | Болт М10-6gх70.66 ГОСТ 7795-70 | |
| 375 | Болт М12-6gх55.88.35 ГОСТ 7795-70 | Болт М12-6gх55.88.35 ГОСТ 7795-70 | |
| 375 | Болт М12-6gх55.88.35 ГОСТ 7795-70 | Болт М12-6gх55.88.35 ГОСТ 7795-70 | |
| 379 | Гайка М10-7Н.6 ГОСТ 5915-70 | Гайка М10-7Н.6 ГОСТ 5915-70 | |
| 379 | Гайка М10-7Н.6 ГОСТ 5915-70 | Гайка М10-7Н.6 ГОСТ 5915-70 | |
| 379 | Гайка М10-7Н.6 ГОСТ 5915-70 | Гайка М10-7Н.6 ГОСТ 5915-70 | |
| 379 | Гайка М10-7Н.6 ГОСТ 5915-70 | Гайка М10-7Н.6 ГОСТ 5915-70 | |
| 379 | Гайка М10-7Н.6 ГОСТ 5915-70 | Гайка М10-7Н.6 ГОСТ 5915-70 | |
| 388 | Шайба 10.65Г.05 ГОСТ 6402-70 | Шайба 10.65Г.05 ГОСТ 6402-70 | |
| 388 | Шайба 10.65Г.05 ГОСТ 6402-70 | Шайба 10.65Г.05 ГОСТ 6402-70 | |
| 388 | Шайба 10.65Г.05 ГОСТ 6402-70 | Шайба 10.65Г.05 ГОСТ 6402-70 | |
| 388 | Шайба 10.65Г.05 ГОСТ 6402-70 | Шайба 10.65Г.05 ГОСТ 6402-70 | |
| 388 | Шайба 10.65Г.05 ГОСТ 6402-70 | Шайба 10.65Г.05 ГОСТ 6402-70 | |
| 388 | Шайба 10.65Г.05 ГОСТ 6402-70 | Шайба 10.65Г.05 ГОСТ 6402-70 | |
| 388 | Шайба 10.65Г.05 ГОСТ 6402-70 | Шайба 10.65Г.05 ГОСТ 6402-70 | |
| 388 | Шайба 10.65Г.05 ГОСТ 6402-70 | Шайба 10.65Г.05 ГОСТ 6402-70 | |
| 389 | Шайба 12.65Г.05 ГОСТ 6402-70 | Шайба 12.65Г.05 ГОСТ 6402-70 | |
| 389 | Шайба 12.65Г.05 ГОСТ 6402-70 | Шайба 12.65Г.05 ГОСТ 6402-70 | |
| 389 | Шайба 12.65Г.05 ГОСТ 6402-70 | Шайба 12.65Г.05 ГОСТ 6402-70 | |
| 395 | Шплинт 2х16 ГОСТ 397-66 | Шплинт 2х16 ГОСТ 397-66 | |
| 395 | Шплинт 2х16 ГОСТ 397-66 | Шплинт 2х16 ГОСТ 397-66 | |
| 395 | Шплинт 2х16 ГОСТ 397-66 | Шплинт 2х16 ГОСТ 397-66 | |
| 398 | Заглушка 26 ГОСТ 3111-67 | Заглушка 26 ГОСТ 3111-67 | |
| 398 | Заглушка 26 ГОСТ 3111-67 | Заглушка 26 ГОСТ 3111-67 | |
| 398 | Заглушка 26 ГОСТ 3111-67 | Заглушка 26 ГОСТ 3111-67 | |
| 398 | Заглушка 26 ГОСТ 3111-67 | Заглушка 26 ГОСТ 3111-67 | |
| 399 | Заклепка 6х32.01 ГОСТ 10299-68 | Заклепка 6х32.01 ГОСТ 10299-68 | |
| 402 | Пробка КГ 1/4" ГОСТ 12720-67 | Пробка КГ 1/4" ГОСТ 12720-67 | |
| 402 | Пробка КГ 1/4" ГОСТ 12720-67 | Пробка КГ 1/4" ГОСТ 12720-67 | |
| 402 | Пробка КГ 1/4" ГОСТ 12720-67 | Пробка КГ 1/4" ГОСТ 12720-67 | |
| 402 | Пробка КГ 1/4" ГОСТ 12720-67 | Пробка КГ 1/4" ГОСТ 12720-67 | |
| 405 | ПММ-39-Б | Пробка магнитная в сборе | |
| 405 | ПММ-39-Б | Пробка магнитная в сборе | |
| 406 | КУ-39 | Кольцо уплотняющее | |
| 406 | КУ-39 | Кольцо уплотняющее | |
| 407 | ХС-95 | Хомутик | |
| 409 | ПЖ-1,6х300 | Проволока | |
| 409 | ПЖ-1,6х300 | Проволока | |
| 409 | ПЖ-1,6х300 | Проволока | |
| 409 | ПЖ-1,6х300 | Проволока | |
| 409 | ПЖ-1,6х300 | Проволока | |
| 409 | ПЖ-1,6х300 | Проволока |
Содержащиеся в справочниках-каталогах запасные части и детали не предлагаются к продаже, а носят исключительно информационный характер