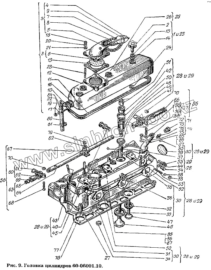
Каталог запасных частей к технике: ХТЗ Т-150К. Головка цилиндров 60-06001.10
1
2
2
3
3
4
5
6
7
8
9
10
11
11
12
13
14
14
15
15
16
17
18
19
20
21
22
23
24
24
25
25
26
27
28
28
28
28
28
28
29
29
29
29
29
29
30
30
30
30
31
32
33
34
35
36
37
38
38
39
40
40
41
41
42
42
43
43
44
44
45
45
46
46
47
47
48
48
49
50
50
51
51
52
52
52
53
53
54
55
56
56
57
58
59
60
61
62
63
64
65
66
67
68
68
69
70
70
71
72
73
73
74
75
76
77
78
79
80
81
82
83
84
85
85
86
86
87
87
88
| Позиция на иллюстрации | Заводской номер детали | Название детали | |
|---|---|---|---|
| 60-06001.10 | 60-06001.10 | Головка цилиндров | |
| 1 | 60-06006.10 | Колпак головки левый | |
| 2 | 60-06010.00 | Гайка колпака | |
| 2 | 60-06019.00 | Гайка колпака | |
| 3 | 60-06025.00 | Патрубок маслоналивной | |
| 4 | СМД1-0124 | Пружина крышки | |
| 5 | 60-06166.01 | Патрубок маслоналивной | |
| 6 | Гайка М8.2.6.05 ГОСТ 2524-70 | Гайка М8.2.6.05 ГОСТ 2524-70 | |
| 6 | 60-06204.00 | Сетка | |
| 7 | 14-0108 | Крышка патрубка | |
| 8 | 14-0122 | Прокладка крышки патрубка | |
| 9 | 14-01С11 | Цепочка | |
| 10 | 60-06026.00 | Сапун | |
| 11 | 60-06127.00 | Прокладка колпака | |
| 11 | 60-06127.00 | Прокладка колпака | |
| 12 | 60-06163.01 | Колпак головки цилиндров | |
| 13 | 60-06167.00 | Прокладка | |
| 14 | 60-06205.11 | Кольцо уплотнительное | |
| 14 | 60-06205.11 | Кольцо уплотнительное | |
| 15 | 60-06206.00 | Шайба прижимная | |
| 15 | 60-06206.00 | Шайба прижимная | |
| 16 | 60-06220.00 | Прокладка сапуна | |
| 17 | Гайка М8.2.6.05 ГОСТ 2524-70 | Гайка М8.2.6.05 ГОСТ 2524-70 | |
| 18 | Гайка М10.2.6.05 ГОСТ 2524-70 | Гайка М10.2.6.05 ГОСТ 2524-70 | |
| 19 | Шайба 8.65Г.05 ГОСТ 6402-70 | Шайба 8.65Г.05 ГОСТ 6402-70 | |
| 20 | Шайба 10.65Г.05 ГОСТ 6402-70 | Шайба 10.65Г.05 ГОСТ 6402-70 | |
| 21 | Шайба 10х2-015 ГОСТ 10450-68 | Шайба 10х2-015 ГОСТ 10450-68 | |
| 22 | Шпилька БМ8 кл. То/2х16(10/12)х055 ГОСТ | Шпилька БМ8 кл. То/2х16(10/12)х055 ГОСТ 11765-66 | |
| 23 | Шпилька БМ10 кл. То/2х25(20/22)х40Х ГОСТ | Шпилька БМ10 кл. То/2х25(20/22)х40Х ГОСТ 11765-66 | |
| 24 | СМД1-0624 | Кольцо стопорное | |
| 24 | СМД1-0624 | Кольцо стопорное | |
| 25 | 60-06007.01 | Колпак головки правый | |
| 26 | 60-06164.01 | Колпак головки цилиндров | |
| 27 | 60-06008.30 | Прокладка головки | |
| 28 | 60-06009.10 | Головка с клапанами | |
| 29 | 60-06010.10 | Головка с клапанами | |
| 30 | 60-06002.31 | Головка цилиндров | |
| 30 | 60-06002.31 | Головка цилиндров | |
| 31 | 60-06101.21 | Головка цилиндров | |
| 32 | 60-06106.00 | Седло выпускного клапана | |
| 33 | 60-06107.20 | Седло впускного клапана | |
| 34 | 60-06126.00 | Заглушка | |
| 35 | 60-06129.00 | Заглушка | |
| 36 | 60-06201.01 | Пробка резьбовая | |
| 37 | 60-06214.00 | Заглушка | |
| 38 | 60-06103.00 | Втулка направляющая или 236-10070.32 | |
| 38 | 236-10070.32 | Втулка направляющая или 60-06103.00 | |
| 39 | Заглушка 60-002 ГОСТ 3111-67 | Заглушка 60-002 ГОСТ 3111-67 | |
| 40 | 60-06138.00 | Шпилька крепления стойки | |
| 40 | 60-06138.00 | Шпилька крепления стойки | |
| 41 | 60-06140.00 | Тарелка клапана | |
| 41 | 60-06140.00 | Тарелка клапана | |
| 42 | 60-06171.00 | Втулка тарелки клапана | |
| 42 | 60-06171.00 | Втулка тарелки клапана | |
| 43 | 60-06208.00 | Шпилька крепления форсунки | |
| 43 | 60-06208.00 | Шпилька крепления форсунки | |
| 44 | СМД7-0216-2 | Прокладка поворотного угольника | |
| 44 | СМД7-0216-2 | Прокладка поворотного угольника | |
| 45 | 236-10033.30 | Рым-болт | |
| 45 | 236-10033.30 | Рым-болт | |
| 46 | 236-10070.10В | Клапан впускной | |
| 46 | 236-10070.10В | Клапан впускной | |
| 47 | 236-10070.15В4 | Клапан выпускной | |
| 47 | 236-10070.15В4 | Клапан выпускной | |
| 48 | 236-10070.20 | Пружина клапана наружная | |
| 48 | 236-10070.20 | Пружина клапана наружная | |
| 49 | 236-10070.21 | Пружина клапана внутренняя | |
| 50 | 236-10070.25 | Шайба пружины клапана | |
| 50 | 236-10070.25 | Шайба пружины клапана | |
| 51 | 236-10070.28 | Сухарь клапана | |
| 51 | 236-10070.28 | Сухарь клапана | |
| 52 | Шпилька БМ8 кл. То/2х20(12/15)х055 ГОСТ | Шпилька БМ8 кл. То/2х20(12/15)х055 ГОСТ 11765-66 | |
| 52 | Шпилька БМ8 кл. То/2х20(12/15)х055 ГОСТ | Шпилька БМ8 кл. То/2х20(12/15)х055 ГОСТ 11765-66 | |
| 53 | Шпилька БМ10 кл. То/2 х35(15/26)х055 ГОС | Шпилька БМ10 кл. То/2 х35(15/26)х055 ГОСТ 11765-66 | |
| 53 | Шпилька БМ10 кл. То/2 х35(15/26)х055 ГОС | Шпилька БМ10 кл. То/2 х35(15/26)х055 ГОСТ 11765-66 | |
| 54 | 60-06213.00 | Пробка резьбовая | |
| 55 | 60-06212.00 | Штуцер | |
| 56 | 60-06013.00 | Механизм распределения | |
| 57 | 60-06003.01 | Коромысло клапана правое со втулкой | |
| 58 | 60-06109.02 | Коромысло клапана правое | |
| 59 | 60-06168.00 | Втулка коромысла клапана | |
| 60 | 60-06004.01 | Коромысло клапана левое со втулкой | |
| 61 | 60-06132.02 | Коромысло клапана левое | |
| 62 | 60-06168.00 | Втулка коромысла клапана | |
| 63 | 60-06018.01 | Ось коромысел | |
| 64 | 60-06144.00 | Ось коромысел | |
| 65 | 60.06190.10 | Заглушка | |
| 66 | 60-06122.00 | Пружина распорная | |
| 67 | 60-06141.00 | Стойка осей коромысел | |
| 68 | 60-06172.10 | Винт регулировочный | |
| 69 | СМД7-0688 | Кольцо стопорное | |
| 70 | Гайка М12х1,25.2а.6.05 ГОСТ 2524-70 | Гайка М12х1,25.2а.6.05 ГОСТ 2524-70 | |
| 71 | 60-06016.10 | Патрубок водоотводящий правый | |
| 72 | 60-06183.10 | Патрубок водоотводящий правый | |
| 73 | 60-06159.00 | Штуцер | |
| 73 | 60-06159.00 | Штуцер | |
| 74 | 60-06017.10 | Патрубок водоотводящий левый | |
| 75 | 60-06182.10 | Патрубок водоотводящий левый | |
| 76 | Н-6081А | Ниппель конечный (475313148) | |
| 77 | 60-06010.10 | Головка с клапанами | |
| 78 | 60-06143.10 | Крышка | |
| 79 | 60-06165.00 | Гайка крепления стойки | |
| 80 | 60-06224.00 | Шланг сапуна | |
| 81 | 60-06226.00 | Хомут | |
| 82 | 60-06175.10 | Шайба контровочная | |
| 83 | СМД7-0645 | Гайка крепления выхлопного коллектора | |
| 84 | А23-02.160 | Хомут стяжной | |
| 85 | Гайка М8.2.6.05 ГОСТ 2524-70 | Гайка М8.2.6.05 ГОСТ 2524-70 | |
| 86 | Шайба 8.65Г.05 ГОСТ 6402-70 | Шайба 8.65Г.05 ГОСТ 6402-70 | |
| 87 | Шайба 8х1,5-015 ГОСТ 10450-68 | Шайба 8х1,5-015 ГОСТ 10450-68 | |
| 88 | Шайба 10х2-015 ГОСТ 10450-68 | Шайба 10х2-015 ГОСТ 10450-68 |
Содержащиеся в справочниках-каталогах запасные части и детали не предлагаются к продаже, а носят исключительно информационный характер