Каталог запасных частей к технике: ХТЗ Т-150К. Бак гидравлической системы 151.57.031-2
1
2
3
7
8
14
15
16
17
18
19
20
21
33
34
35
40
44
45
46
47
48
71
79
172
177
177
185
185
189
203
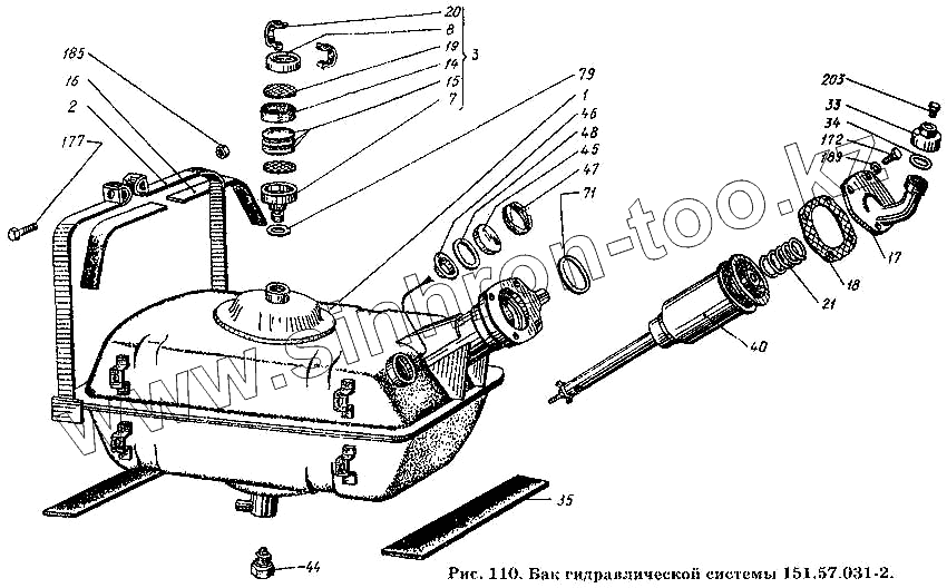
| Позиция на иллюстрации | Заводской номер детали | Название детали | |
|---|---|---|---|
| 151.57.001-1 | 151.57.001-1 | Установка гидравлической системы | |
| 151.57.032-2 | 151.57.032-2 | Бак гидравлической системы с фильтром в сборе | |
| 1 | 151.57.031-2 | Бак гидравлической системы в сборе | |
| 2 | 151.57.036-2 | Лента крепления бака передняя в сборе | |
| 3 | 151.57.039 | Сапун в сборе | |
| 7 | 151.57.044 | Корпус сапуна в сборе | |
| 8 | 151.57.049 | Стакан верхний в сборе | |
| 14 | 151.57.133 | Фильтр грубой очистки | |
| 15 | 151.57.134 | Фильтр тонкой очистки | |
| 16 | 161.57.147-1 | Прокладка верхняя | |
| 17 | 151.57.156 | Крышка бака | |
| 18 | 151.57.157 | Прокладка горловины | |
| 19 | 151.57.159 | Сетка сапуна | |
| 20 | 151.57.160 | Защелка | |
| 21 | 151.57.163 | Пружина | |
| 33 | 151.57.243 | Пробка | |
| 34 | 151.57.244 | Прокладка пробки | |
| 35 | 151.57.246 | Прокладка | |
| 40 | 151.40.080 | Фильтр в сборе | |
| 44 | 150.57.046 | Пробка спускная | |
| 45 | 150.57.181-1 | Стекло смотровое | |
| 46 | 150.57.182-1 | Экран | |
| 47 | 150.57.183 | Гайка | |
| 48 | 150.57.196-1 | Кольцо | |
| 71 | 54.31.473-1 | Кольцо уплотнения | |
| 74 | 25.20.162 | Рукоятка | |
| 74 | 25.20.162 | Рукоятка | |
| 79 | 16.173А | Прокладка | |
| 172 | Болт М8-6gх25.66 ГОСТ 7796-70 | Болт М8-6gх25.66 ГОСТ 7796-70 | |
| 177 | Болт М10-6gх65.66 ГОСТ 7795-70 | Болт М10-6gх65.66 ГОСТ 7795-70 | |
| 177 | Болт М10-6gх65.66 ГОСТ 7795-70 | Болт М10-6gх65.66 ГОСТ 7795-70 | |
| 185 | Гайка М10-7Н.6 ГОСТ 5915-70 | Гайка М10-7Н.6 ГОСТ 5915-70 | |
| 185 | Гайка М10-7Н.6 ГОСТ 5915-70 | Гайка М10-7Н.6 ГОСТ 5915-70 | |
| 189 | Шайба 8.65Г ГОСТ 6402-70 | Шайба 8.65Г ГОСТ 6402-70 | |
| 203 | Пробка КГ 3/8" ГОСТ 12721-67 | Пробка КГ 3/8" ГОСТ 12721-67 |
Содержащиеся в справочниках-каталогах запасные части и детали не предлагаются к продаже, а носят исключительно информационный характер