Каталог запасных частей к технике: ХТЗ Т-150. Насос топливный (корпус)
1
2
3
4
4
4
5
6
7
8
8
9
10
11
12
13
14
15
16
17
18
19
20
21
22
23
24
25
26
27
28
29
30
31
32
33
34
35
36
37
37
37
37
38
39
40
41
42
43
44
45
46
47
48
48
48
48
48
49
50
51
52
53
53
53
54
54
54
55
56
57
58
59
59
60
60
61
62
63
64
65
66
67
68
68
68
69
69
70
71
72
73
74
75
75
75
76
76
76
77
78
79
79
80
81
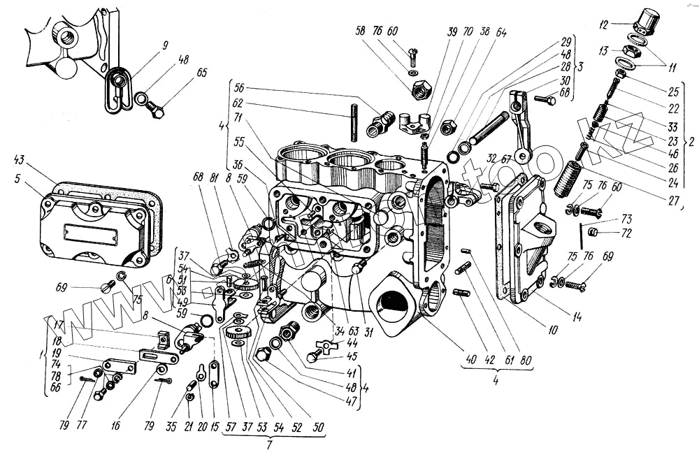
| Позиция на иллюстрации | Заводской номер детали | Название детали | |
|---|---|---|---|
| 221.1111005-20 | 221.1111005-20 | Насос топливный | |
| 1 | 22.1110030 | Тяга | |
| 2 | 22.1110170-01 | Корректор | |
| 3 | 21.1110180-02 | Рычаг управления | |
| 4 | 22.1111020 | Корпус насоса | |
| 5 | 22.1111100 | Крышка боковая | |
| 6 | 22.1111240 | Кронштейн | |
| 7 | 21.1111240-05А | Кронштейн | |
| 8 | 22.1111280-05 | Втулка привода дозатора | |
| 9 | 21.1111490-10 | Трубка сливная | |
| 10 | 21.1110016 | Прокладка | |
| 11 | 21.1110021 | Прокладка | |
| 12 | 21.1110022 | Колпачок корректора | |
| 13 | 21.1110023 | Контргайка корректора | |
| 14 | 21.1110024 | Крышка регулятора | |
| 15 | 21.1110031 | Тяга | |
| 16 | 22-1110032 | Шайба | |
| 17 | 22.1110033 | Скоба | |
| 18 | 22.1110034 | Тяга | |
| 19 | 22.1110036 | Тяга | |
| 20 | 21.1110037 | Шайба стопорная | |
| 21 | 22.1110038 | Замок | |
| 22 | 21.1110171 | Ограничитель | |
| 23 | 21.1110172-01 | Винт регулировочный | |
| 24 | 21.1110174 | Шток корректора | |
| 25 | 21.1110175 | Контргайка регулировочного винта | |
| 26 | 21.1110176 | Пружина корректора | |
| 27 | 21.1110178-01 | Корпус корректора | |
| 28 | 21.1110181 | Ось рычага управления | |
| 29 | 21.1110183 | Кольцо уплотнительное | |
| 30 | 21.1110184 | Рычаг управления | |
| 31 | 21.1110188 | Пробка | |
| 32 | 21.1110192 | Втулка рычажная | |
| 33 | 21.1110201 | Пружина | |
| 34 | 22.1110211 | Пружина запуска | |
| 35 | 21.1110212 | Ось тяги | |
| 36 | 21.1110213 | Штифт пружины запуска | |
| 37 | 21.1110328 | Шайба груза | |
| 37 | 21.1110328 | Шайба груза | |
| 38 | 21.1110361 | Винт регулировочный | |
| 39 | 21.110363 | Колпачок | |
| 40 | 22.1111025 | Корпус | |
| 41 | 21.1111026 | Втулка резьбовая | |
| 42 | 21.1111027 | Шпилька | |
| 43 | 22.1111106 | Прокладка | |
| 44 | 21.1111126-06 | Шайба стопорная | |
| 45 | 21.1111127-07 | Винт установочный толкатели | |
| 46 | 21.1111147 | Тарелка | |
| 47 | 21.1111207 | Пробка уровня масла | |
| 48 | 21.1111211-01 | Прокладка | |
| 48 | 21.1111211-01 | Прокладка | |
| 48 | 21.1111211-01 | Прокладка | |
| 49 | 22.1111241 | Кронштейн | |
| 50 | 21.1111241-05 | Кронштейн | |
| 51 | 22.1111242 | Ось | |
| 52 | 21.1111242-06 | Ось | |
| 53 | 21.1111243-05А | Шайба опорная | |
| 53 | 21.1111243-05А | Шайба опорная | |
| 54 | 21.1111244А | Шестерня промежуточная | |
| 54 | 21.1111244А | Шестерня промежуточная | |
| 55 | 21.1111245 | Штифт | |
| 56 | 21.1111246 | Штуцер | |
| 57 | 21.1111247 | Шайба стопорная | |
| 58 | 21.1111248 | Гайка штуцера | |
| 59 | 21.1111282 | Кольцо уплотнительное | |
| 60 | 21.1111349 | Винт | |
| 61 | 21.1111355 | Шпилька | |
| 62 | 21.1111356 | Шпилька | |
| 63 | 21.1111359 | Фиксатор | |
| 64 | 21.1111361 | Гайка штуцера | |
| 65 | 21.1111481 | Болт | |
| 66 | Болт М5х12.88.35.05 ГОСТ 7805-70 | Болт М5х12.88.35.05 ГОСТ 7805-70 | |
| 67 | Болт М6х12.88.05 ГОСТ 7798-70 | Болт М6х12.88.05 ГОСТ 7798-70 | |
| 68 | Болт М6х14.88.016 ГОСТ 7798-70 | Болт М6х14.88.016 ГОСТ 7798-70 | |
| 68 | Болт М6х14.88.016 ГОСТ 7798-70 | Болт М6х14.88.016 ГОСТ 7798-70 | |
| 69 | Винт А1М6-8gх18.88.016 ГОСТ 17473-80 | Винт А1М6-8gх18.88.016 ГОСТ 17473-80 | |
| 70 | Гайка М6.8.016 ГОСТ 5915-70 | Гайка М6.8.016 ГОСТ 5915-70 | |
| 71 | Заглушка 14-10кп Хим. окс. ГОСТ 3111-81 | Заглушка 14-10кп Хим. окс. ГОСТ 3111-81 | |
| 72 | Пломба 1-6х8-АД1М ГОСТ 18677-73 | Пломба 1-6х8-АД1М ГОСТ 18677-73 | |
| 73 | Проволока КС-0,8 ГОСТ 792-67 | Проволока КС-0,8 ГОСТ 792-67 | |
| 74 | Шайба 5.65Г.05 ГОСТ 6402-70 | Шайба 5.65Г.05 ГОСТ 6402-70 | |
| 75 | Шайба 6.65Г.05 ГОСТ 6402-70 | Шайба 6.65Г.05 ГОСТ 6402-70 | |
| 76 | Шайба 6.04.016 ГОСТ 10450-78 | Шайба 6.04.016 ГОСТ 10450-78 | |
| 77 | Шайба 5.04.05 ГОСТ 11371-78 | Шайба 5.04.05 ГОСТ 11371-78 | |
| 78 | Шайба 5.01.05 ГОСТ 13463-77 | Шайба 5.01.05 ГОСТ 13463-77 | |
| 79 | Шплинт 1,6х12 ГОСТ 397-79 | Шплинт 1,6х12 ГОСТ 397-79 | |
| 80 | Штифт 5h 8х10 ГОСТ 3128-70 | Штифт 5h 8х10 ГОСТ 3128-70 | |
| 81 | Шайба 2.6.01.05 ОСТ 23.1.423-74 | Шайба 2.6.01.05 ОСТ 23.1.423-74 |
Содержащиеся в справочниках-каталогах запасные части и детали не предлагаются к продаже, а носят исключительно информационный характер