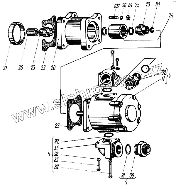
Каталог запасных частей к технике: ХТЗ Т-150. Насос гидросистемы
4
4
4
11
20
21
22
22
23
23
24
25
32
35
36
82
82
85
85
89
89
91
92
93
96
96
96
96
96
96
102
| Позиция на иллюстрации | Заводской номер детали | Название детали | |
|---|---|---|---|
| 150.53.001-3 | 150.53.001-3 | Насос гидросистемы | |
| 4 | 150.53.021-1 | Гидравлический насос | |
| 11 | НШ50-3-Л-00 | Насос шестеренный | |
| 20 | 150.53.127 | Корпус переходной | |
| 21 | 150.53.128 | Кольцо проставочное | |
| 22 | 150.53.130 | Прокладка | |
| 23 | 150.53.131-1 | Втулка муфты | |
| 24 | 150.53.132 | Муфта предохранительная | |
| 25 | 150.53.133 | Кольцо упорное | |
| 32 | Н.036.04.015 | Штуцер ввертным | |
| 35 | НШ46-0505035В | Муфта | |
| 36 | НШ46-0505036В | Штуцер | |
| 82 | Болт М10-6gх65.66.019 ГОСТ 7795-70 | Болт М10-6gх65.66.019 ГОСТ 7795-70 | |
| 82 | Болт М10-6gх65.66.019 ГОСТ 7795-70 | Болт М10-6gх65.66.019 ГОСТ 7795-70 | |
| 85 | Болт М10-6gх25.66.019 ГОСТ 7796-70 | Болт М10-6gх25.66.019 ГОСТ 7796-70 | |
| 85 | Болт М10-6gх25.66.019 ГОСТ 7796-70 | Болт М10-6gх25.66.019 ГОСТ 7796-70 | |
| 89 | Гайка М10.6.0112 ГОСТ 5915-70 | Гайка М10.6.0112 ГОСТ 5915-70 | |
| 89 | Гайка М10.6.0112 ГОСТ 5915-70 | Гайка М10.6.0112 ГОСТ 5915-70 | |
| 91 | Кольцо 035-040-30-2-2 ГОСТ 9833-73 | Кольцо 035-040-30-2-2 ГОСТ 9833-73 | |
| 92 | Кольцо 036-042-36-2-2 ГОСТ 9833-78 | Кольцо 036-042-36-2-2 ГОСТ 9833-78 | |
| 93 | Кольцо 1Б25 ГОСТ 13940-80 | Кольцо 1Б25 ГОСТ 13940-80 | |
| 96 | Шайба 10 65Г 05 ГОСТ 6402-70 | Шайба 10 65Г 05 ГОСТ 6402-70 | |
| 96 | Шайба 10 65Г 05 ГОСТ 6402-70 | Шайба 10 65Г 05 ГОСТ 6402-70 | |
| 96 | Шайба 10 65Г 05 ГОСТ 6402-70 | Шайба 10 65Г 05 ГОСТ 6402-70 | |
| 96 | Шайба 10 65Г 05 ГОСТ 6402-70 | Шайба 10 65Г 05 ГОСТ 6402-70 | |
| 96 | Шайба 10 65Г 05 ГОСТ 6402-70 | Шайба 10 65Г 05 ГОСТ 6402-70 | |
| 102 | Шпилька М10(То/6g)х25(16/18)66.019 ГОСТ 11765-66 | Шпилька М10(То/6g)х25(16/18)66.019 ГОСТ 11765-66 |
Содержащиеся в справочниках-каталогах запасные части и детали не предлагаются к продаже, а носят исключительно информационный характер