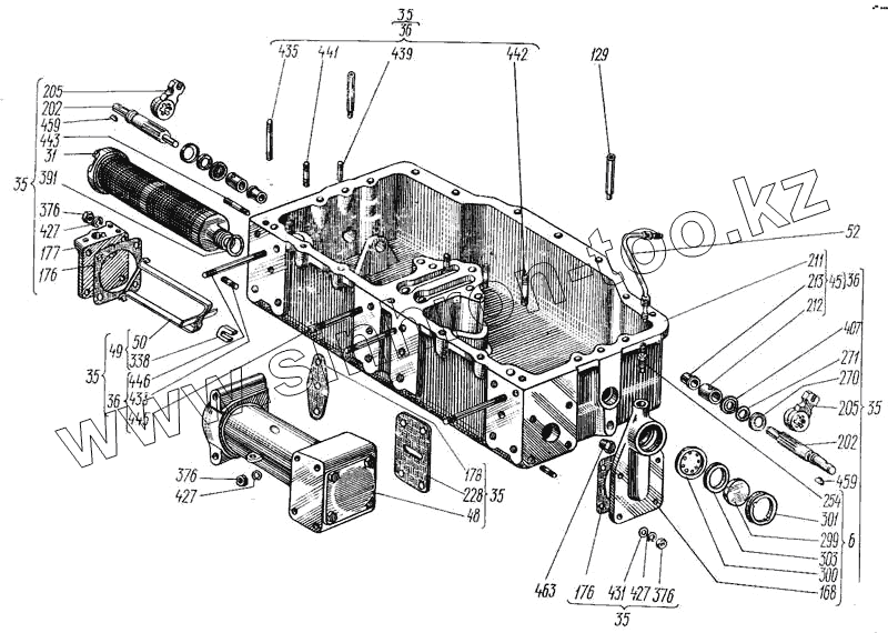
Каталог запасных частей к технике: ХТЗ Т-150. Коробка передач
6
31
35
35
35
35
35
35
36
36
36
45
48
49
50
52
129
168
176
176
176
177
178
202
202
205
205
211
212
213
228
254
270
270
270
271
271
271
299
300
301
303
338
376
376
376
376
391
391
391
407
412
427
427
427
427
427
427
427
427
427
427
427
427
427
431
431
431
431
439
439
439
439
441
441
441
441
443
445
446
459
459
459
459
463
| Позиция на иллюстрации | Заводской номер детали | Название детали | |
|---|---|---|---|
| Шайба 10.65Г.05 ГОСТ 6402-70 | Шайба 10.65Г.05 ГОСТ 6402-70 | Шайба 10.65Г.05 ГОСТ 6402-70 | |
| 150.37.001-3 | 150.37.001-3 | Коробка передач с тормозами | |
| 6 | 150.37.015-1 | Крышка | |
| 31 | 150.37.052-1 | Заборник | |
| 35 | 150.37.062-4 | Гидропанель | |
| 36 | 150.37.063-4 | Гидропанель со втулками | |
| 45 | 150.37.083 | Гидропанель со втулками | |
| 48 | 150.37.086-2 | Фильтр | |
| 49 | 150.37.094 | Кронштейн с магнитом | |
| 50 | 150.37.095 | Кронштейн | |
| 52 | 150.37.098-3 | Трубка | |
| 129 | 150.37.222-1 | Штифт | |
| 168 | 150.37.330-1 | Крышка | |
| 176 | 150.37.346-2 | Прокладка заборника | |
| 176 | 150.37.346-2 | Прокладка заборника | |
| 177 | 150.37.347-3 | Крышка заборника | |
| 178 | 150.37.348-1 | Прокладка | |
| 202 | 150.37.387-2 | Валик управления | |
| 205 | 150.37.390-3 | Поводок | |
| 211 | 150.37.408-4 | Гидропанель | |
| 212 | 150.37.410-1 | Втулка | |
| 213 | 150.37.411-1 | Втулка | |
| 228 | 150.37.488-1 | Прокладка фильтра | |
| 254 | 150.37.589 | Штуцер | |
| 270 | 8.12.129 | Обойма кольца | |
| 270 | 8.12.129 | Обойма кольца | |
| 270 | 8.12.129 | Обойма кольца | |
| 271 | 8.12.130 | Кольцо войлочное | |
| 271 | 8.12.130 | Кольцо войлочное | |
| 271 | 8.12.130 | Кольцо войлочное | |
| 299 | 150.57.181-1 | Стекло смотровое | |
| 300 | 150.57.182-1 | Экран | |
| 301 | 150.57.183 | Гайка | |
| 303 | 150.57.196-1 | Кольцо | |
| 338 | ПММ-3-39 | Магнит | |
| 376 | Гайка М10-6Н.8.0112 ГОСТ 5915-70 | Гайка М10-6Н.8.0112 ГОСТ 5915-70 | |
| 376 | Гайка М10-6Н.8.0112 ГОСТ 5915-70 | Гайка М10-6Н.8.0112 ГОСТ 5915-70 | |
| 391 | 150.37.386 | Кольцо У-32х0-2 ГОСТ 9833-61 | |
| 391 | 150.37.386 | Кольцо У-32х0-2 ГОСТ 9833-61 | |
| 391 | 150.37.386 | Кольцо У-32х0-2 ГОСТ 9833-61 | |
| 407 | Манжета 1.2-16х30-1 ГОСТ 8752-79 | Манжета 1.2-16х30-1 ГОСТ 8752-79 | |
| 412 | Шпилька М10(То/6g)х45.66.019 ГОСТ 22036-76 | Шпилька М10(То/6g)х45.66.019 ГОСТ 22036-76 | |
| 427 | Шайба 10.65Г.05 ГОСТ 6402-70 | Шайба 10.65Г.05 ГОСТ 6402-70 | |
| 427 | Шайба 10.65Г.05 ГОСТ 6402-70 | Шайба 10.65Г.05 ГОСТ 6402-70 | |
| 427 | Шайба 10.65Г.05 ГОСТ 6402-70 | Шайба 10.65Г.05 ГОСТ 6402-70 | |
| 427 | Шайба 10.65Г.05 ГОСТ 6402-70 | Шайба 10.65Г.05 ГОСТ 6402-70 | |
| 427 | Шайба 10.65Г.05 ГОСТ 6402-70 | Шайба 10.65Г.05 ГОСТ 6402-70 | |
| 427 | Шайба 10.65Г.05 ГОСТ 6402-70 | Шайба 10.65Г.05 ГОСТ 6402-70 | |
| 427 | Шайба 10.65Г.05 ГОСТ 6402-70 | Шайба 10.65Г.05 ГОСТ 6402-70 | |
| 427 | Шайба 10.65Г.05 ГОСТ 6402-70 | Шайба 10.65Г.05 ГОСТ 6402-70 | |
| 427 | Шайба 10.65Г.05 ГОСТ 6402-70 | Шайба 10.65Г.05 ГОСТ 6402-70 | |
| 427 | Шайба 10.65Г.05 ГОСТ 6402-70 | Шайба 10.65Г.05 ГОСТ 6402-70 | |
| 427 | Шайба 10.65Г.05 ГОСТ 6402-70 | Шайба 10.65Г.05 ГОСТ 6402-70 | |
| 428 | Шайба 12.65Г.05 ГОСТ 6402-70 | Шайба 12.65Г.05 ГОСТ 6402-70 | |
| 428 | Шайба 12.65Г.05 ГОСТ 6402-70 | Шайба 12.65Г.05 ГОСТ 6402-70 | |
| 428 | Шайба 12.65Г.05 ГОСТ 6402-70 | Шайба 12.65Г.05 ГОСТ 6402-70 | |
| 428 | Шайба 12.65Г.05 ГОСТ 6402-70 | Шайба 12.65Г.05 ГОСТ 6402-70 | |
| 431 | Шайба 10.04.0115 ГОСТ 11371-78 | Шайба 10.04.0115 ГОСТ 11371-78 | |
| 431 | Шайба 10.04.0115 ГОСТ 11371-78 | Шайба 10.04.0115 ГОСТ 11371-78 | |
| 431 | Шайба 10.04.0115 ГОСТ 11371-78 | Шайба 10.04.0115 ГОСТ 11371-78 | |
| 431 | Шайба 10.04.0115 ГОСТ 11371-78 | Шайба 10.04.0115 ГОСТ 11371-78 | |
| 439 | Шпилька М10(То/6g)х25.66.019 ГОСТ 22036-76 | Шпилька М10(То/6g)х25.66.019 ГОСТ 22036-76 | |
| 439 | Шпилька М10(То/6g)х25.66.019 ГОСТ 22036-76 | Шпилька М10(То/6g)х25.66.019 ГОСТ 22036-76 | |
| 439 | Шпилька М10(То/6g)х25.66.019 ГОСТ 22036-76 | Шпилька М10(То/6g)х25.66.019 ГОСТ 22036-76 | |
| 439 | Шпилька М10(То/6g)х25.66.019 ГОСТ 22036-76 | Шпилька М10(То/6g)х25.66.019 ГОСТ 22036-76 | |
| 441 | Шпилька М10(То/6g)х35.66.019 ГОСТ 22036-76 | Шпилька М10(То/6g)х35.66.019 ГОСТ 22036-76 | |
| 441 | Шпилька М10(То/6g)х35.66.019 ГОСТ 22036-76 | Шпилька М10(То/6g)х35.66.019 ГОСТ 22036-76 | |
| 441 | Шпилька М10(То/6g)х35.66.019 ГОСТ 22036-76 | Шпилька М10(То/6g)х35.66.019 ГОСТ 22036-76 | |
| 441 | Шпилька М10(То/6g)х35.66.019 ГОСТ 22036-76 | Шпилька М10(То/6g)х35.66.019 ГОСТ 22036-76 | |
| 443 | Шпилька М10(То/6g)х50.66.019 ГОСТ 22036-76 | Шпилька М10(То/6g)х50.66.019 ГОСТ 22036-76 | |
| 445 | Шпилька М10(То/6g)х90.66.019 ГОСТ 22036-76 | Шпилька М10(То/6g)х90.66.019 ГОСТ 22036-76 | |
| 446 | Шпилька М10(То/6g)х110.88.35.019 | Шпилька М10(То/6g)х110.88.35.019 | |
| 459 | Шпонка 4х6,5 ГОСТ 24071-80 | Шпонка 4х6,5 ГОСТ 24071-80 | |
| 459 | Шпонка 4х6,5 ГОСТ 24071-80 | Шпонка 4х6,5 ГОСТ 24071-80 | |
| 459 | Шпонка 4х6,5 ГОСТ 24071-80 | Шпонка 4х6,5 ГОСТ 24071-80 | |
| 463 | Пробка КГ 3/8" 40 ОСТ 23.1.117-83 | Пробка КГ 3/8" 40 ОСТ 23.1.117-83 |
Содержащиеся в справочниках-каталогах запасные части и детали не предлагаются к продаже, а носят исключительно информационный характер