Каталог запасных частей к технике: ХТЗ Т-150. Кабина
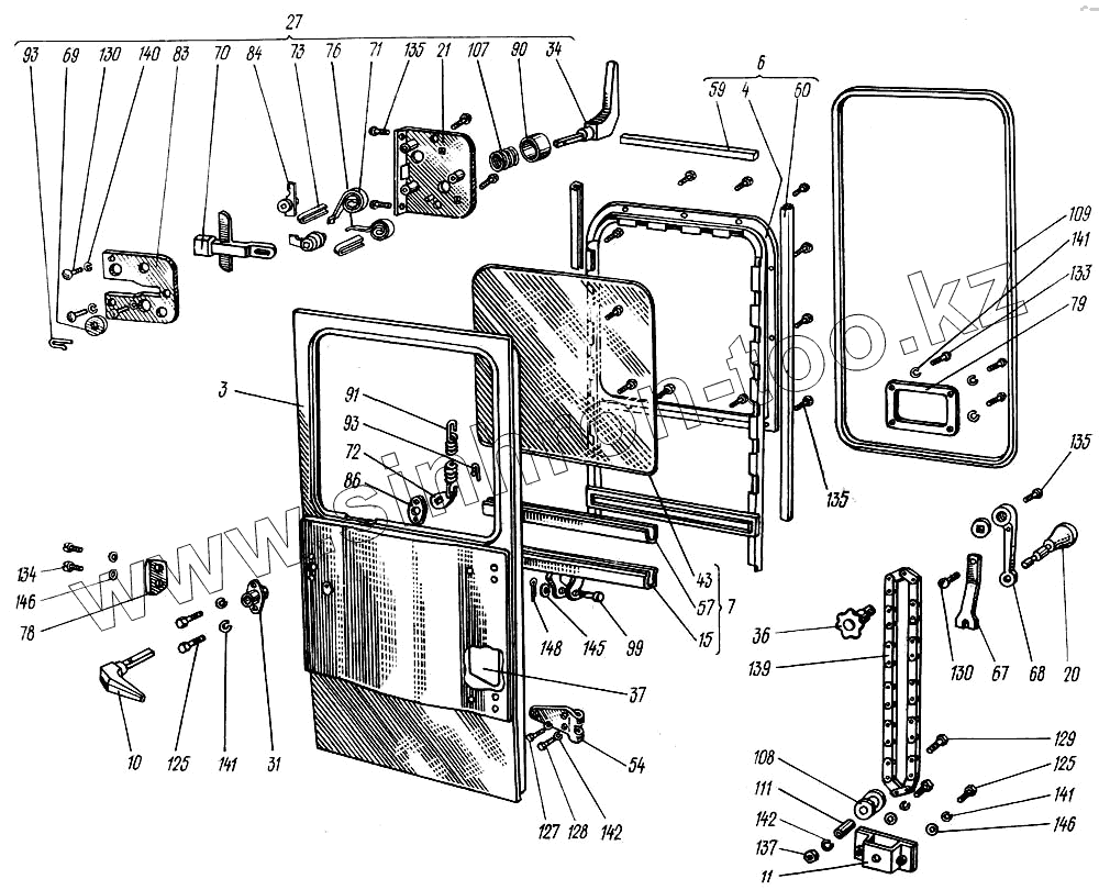
3
4
6
7
10
11
15
20
21
27
31
34
36
37
43
54
57
59
60
67
68
69
69
70
71
72
73
76
78
79
83
84
86
90
91
93
93
93
99
107
108
109
111
125
125
125
127
127
128
128
129
130
130
130
133
134
135
135
137
137
137
139
140
141
141
141
141
142
142
142
142
142
142
145
146
146
148
| Позиция на иллюстрации | Заводской номер детали | Название детали | |
|---|---|---|---|
| 150.45.002 | 150.45.002 | Кабина | |
| 150.45.001-1А | 150.45.001-1А | Кабина | |
| 150.45.005 | 150.45.005 | Кабина | |
| 3 | 150.45.014-1 | Панель двери в сборе | |
| 4 | 150.45.016-1 | Рамка двери | |
| 6 | 150.45.018-1 | Рамка двери | |
| 7 | 150.45.020-1 | Кронштейн стекла двери | |
| 10 | 150.45.032-1 | Ручка | |
| 11 | 150.45.038 | Кронштейн натяжного ролика в сборе | |
| 15 | 150.45.047 | Кронштейн окна левый в сборе | |
| 20 | 150.45.060 | Фиксатор | |
| 21 | 150.45.062-1 | Корпус замка в сборе | |
| 27 | 150.45.070-1А | Замок | |
| 31 | 150.45.077-1 | Фланец | |
| 34 | 150.45.087 | Ручка замка внутренняя в сборе | |
| 36 | 150.45.089-1 | Звездочка | |
| 37 | 150.45.094 | Усилитель петли двери | |
| 43 | 150.45.141А | Стекло двери | |
| 54 | 150.45.184-1 | Петля | |
| 57 | 150.45.189 | Прокладка опускного стекла | |
| 59 | 150.45.192-1 | Желобок опускного стекла | |
| 60 | 150.45.192-1-01 | Желобок опускного стекла | |
| 67 | 150.45.260 | Пружина | |
| 68 | 150.45.262 | Ручка стеклоподъемника | |
| 69 | 150.45.264 | Шайба специальная | |
| 69 | 150.45.264 | Шайба специальная | |
| 70 | 150.45.266-1 | Шток | |
| 71 | 150.45.271-1 | Пружина замка | |
| 72 | 150.45.278 | Планка штока | |
| 73 | 150.45.280 | Скоба стопорная | |
| 76 | 150.45.293-1 | Пружина | |
| 78 | 150.45.315 | Направляющий шип двери | |
| 79 | 150.45.319 | Крышка люка | |
| 83 | 150.45.339 | Крышка замка | |
| 84 | 150.45.340-1 | Кулачок | |
| 86 | 150.45.350 | Пластина крепления ручки двери | |
| 90 | 150.45.369 | Колпачок | |
| 91 | 150.45.376 | Пружина | |
| 93 | 150.45.404 | Шплинт пружинный | |
| 93 | 150.45.404 | Шплинт пружинный | |
| 99 | 150.45.443 | Палец | |
| 107 | 125.40.145 | Пружина сигнала | |
| 108 | 12545144 | Ролик | |
| 109 | 125.45.208-1 | Уплотнитель фланца двери | |
| 111 | 125.45.504 | Втулка распорная | |
| 125 | Болт М6-6gх16.88.35.019 ГОСТ 7798-70 | Болт М6-6gх16.88.35.019 ГОСТ 7798-70 | |
| 125 | Болт М6-6gх16.88.35.019 ГОСТ 7798-70 | Болт М6-6gх16.88.35.019 ГОСТ 7798-70 | |
| 127 | Болт М8-6gх20.88.35.019 ГОСТ 7798-70 | Болт М8-6gх20.88.35.019 ГОСТ 7798-70 | |
| 127 | Болт М8-6gх20.88.35.019 ГОСТ 7798-70 | Болт М8-6gх20.88.35.019 ГОСТ 7798-70 | |
| 128 | Болт 3М8-6gх20.88.35.019 ГОСТ 7798-70 | Болт 3М8-6gх20.88.35.019 ГОСТ 7798-70 | |
| 128 | Болт 3М8-6gх20.88.35.019 ГОСТ 7798-70 | Болт 3М8-6gх20.88.35.019 ГОСТ 7798-70 | |
| 129 | Болт М8-6gх35.88.35.019 ГОСТ 7798-70 | Болт М8-6gх35.88.35.019 ГОСТ 7798-70 | |
| 130 | Винт В1М4-6gх8.58.019 ГОСТ 17473-80 | Винт В1М4-6gх8.58.019 ГОСТ 17473-80 | |
| 130 | Винт В1М4-6gх8.58.019 ГОСТ 17473-80 | Винт В1М4-6gх8.58.019 ГОСТ 17473-80 | |
| 131 | Винт В1М5-6gх8.58.019 ГОСТ 17473-80 | Винт В1М5-6gх8.58.019 ГОСТ 17473-80 | |
| 131 | Винт В1М5-6gх8.58.019 ГОСТ 17473-80 | Винт В1М5-6gх8.58.019 ГОСТ 17473-80 | |
| 132 | Винт В1М5-6gх18.58.019 ГОСТ 17473-80 | Винт В1М5-6gх18.58.019 ГОСТ 17473-80 | |
| 133 | Винт В1М6-6gх12.58.019 ГОСТ 17473-80 | Винт В1М6-6gх12.58.019 ГОСТ 17473-80 | |
| 134 | Винт В1М6-6gх18.58.019 ГОСТ 17473-80 | Винт В1М6-6gх18.58.019 ГОСТ 17473-80 | |
| 135 | Винт В1М6-6gх12.58.019 ГОСТ 17475-80 | Винт В1М6-6gх12.58.019 ГОСТ 17475-80 | |
| 135 | Винт В1М6-6gх12.58.019 ГОСТ 17475-80 | Винт В1М6-6gх12.58.019 ГОСТ 17475-80 | |
| 137 | Гайка М8-6Н.6.0112 ГОСТ 5915-70 | Гайка М8-6Н.6.0112 ГОСТ 5915-70 | |
| 137 | Гайка М8-6Н.6.0112 ГОСТ 5915-70 | Гайка М8-6Н.6.0112 ГОСТ 5915-70 | |
| 139 | 150.45.180 | Цепь | |
| 140 | Шайба 4 65Г 05 ГОСТ 6402-70 | Шайба 4 65Г 05 ГОСТ 6402-70 | |
| 141 | Шайба 6 65Г 05 ГОСТ 6402-70 | Шайба 6 65Г 05 ГОСТ 6402-70 | |
| 141 | Шайба 6 65Г 05 ГОСТ 6402-70 | Шайба 6 65Г 05 ГОСТ 6402-70 | |
| 142 | Шайба 8 65Г 05 ГОСТ 6402-70 | Шайба 8 65Г 05 ГОСТ 6402-70 | |
| 142 | Шайба 8 65Г 05 ГОСТ 6402-70 | Шайба 8 65Г 05 ГОСТ 6402-70 | |
| 142 | Шайба 8 65Г 05 ГОСТ 6402-70 | Шайба 8 65Г 05 ГОСТ 6402-70 | |
| 142 | Шайба 8 65Г 05 ГОСТ 6402-70 | Шайба 8 65Г 05 ГОСТ 6402-70 | |
| 142 | Шайба 8 65Г 05 ГОСТ 6402-70 | Шайба 8 65Г 05 ГОСТ 6402-70 | |
| 145 | Шайба 5.04.0115 ГОСТ 11371-78 | Шайба 5.04.0115 ГОСТ 11371-78 | |
| 146 | Шайба 6.04.0115 ГОСТ 11371-78 | Шайба 6.04.0115 ГОСТ 11371-78 | |
| 148 | Шплинт 1,6х12.016 ГОСТ 397-79 | Шплинт 1,6х12.016 ГОСТ 397-79 | |
| 166 | Шайба 12 65Г 05 ГОСТ 6402-70 | Шайба 12 65Г 05 ГОСТ 6402-70 |
Содержащиеся в справочниках-каталогах запасные части и детали не предлагаются к продаже, а носят исключительно информационный характер