Каталог запасных частей к технике: ХТЗ Т-150. Гидросистема трансмиссии
1
2
3
3
4
5
6
7
14
15
16
17
18
20
20
21
22
23
24
25
26
26
26
27
28
30
31
32
33
34
35
35
36
38
48
49
50
53
56
56
57
57
57
57
57
58
59
59
59
60
61
62
62
62
63
63
63
64
65
65
65
65
65
65
65
66
66
66
66
67
67
69
70
71
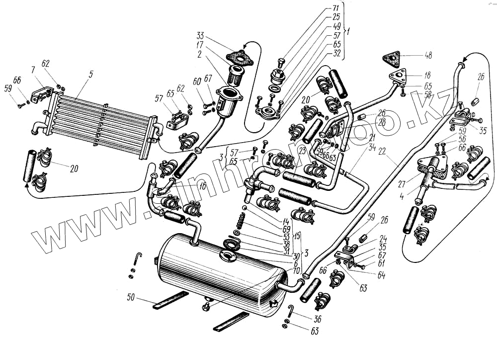
| Позиция на иллюстрации | Заводской номер детали | Название детали | |
|---|---|---|---|
| 150.55.001-2 | 150.55.001-2 | Гидросистема трансмиссии | |
| 1 | 1.50.55.010-5 | Фильтр | |
| 2 | 150.55.011-2А | Корпус фильтра | |
| 3 | 150.55.013-2 | Бак в сборе | |
| 4 | 150.55.019-2 | Труба слива | |
| 5 | 150У.55.022-2 | Радиатор масляный | |
| 6 | 150.55.023-2 | Бак в сборе | |
| 7 | 150.55.024-1 | Кронштейн радиатора в сборе | |
| 14 | 150.55.055 | Корпус клапана в сборе | |
| 15 | 150.55.056 | Предохранительный клапан радиатора в сборе | |
| 16 | 150.55.060-3 | Тройник | |
| 17 | 150.55.062 | Фильтр заливной в сборе | |
| 18 | 150.55.063-3 | Труба | |
| 20 | ХСВ-35Ц15.Хр | Хомутик стяжной винтовой | |
| 21 | 150.55.114-2 | Труба к радиатору | |
| 22 | 150.55.117-3 | Труба | |
| 23 | 150.55.149 | Шланг | |
| 24 | 150.55.156 | Скоба | |
| 25 | 150.55.177 | Пробка | |
| 26 | 150.55.189 | Трубка резиновая | |
| 27 | 150.55.193-1 | Прокладка | |
| 28 | 150.55.201-2 | Уголок | |
| 30 | 150.55.220 | Прокладка | |
| 31 | 150.55.221 | Проволока | |
| 32 | 130.55.226А | Крышка фильтра | |
| 33 | 150.55.233 | Прокладка | |
| 34 | 150.55.239-3-3 | Труба | |
| 35 | 150.55.247-1 | Кронштейн | |
| 36 | 150.55.249 | Крючок | |
| 38 | 5.05.255 | Шайба | |
| 48 | 54.53.402А | Прокладка | |
| 49 | 74.57.442 | Прокладка пробки | |
| 50 | 125.64.171 | Прокладка | |
| 53 | Д27.121Б | Пружина | |
| 56 | Бон М10-6gх60.66.019 ГОСТ 7795-70 | Болт М10-6gх60.66.019 ГОСТ 7795-70 | |
| 57 | Болт М8-6gх20.66.019 ГОСТ 7796-70 | Болт М8-6gх20.66.019 ГОСТ 7796-70 | |
| 57 | Болт М8-6gх20.66.019 ГОСТ 7796-70 | Болт М8-6gх20.66.019 ГОСТ 7796-70 | |
| 57 | Болт М8-6gх20.66.019 ГОСТ 7796-70 | Болт М8-6gх20.66.019 ГОСТ 7796-70 | |
| 58 | Болт М8-6gх25.66.019 ГОСТ 7796-70 | Болт М8-6gх25.66.019 ГОСТ 7796-70 | |
| 59 | Болт М10-6gх20.66.019 ГОСТ 7796-70 | Болт М10-6gх20.66.019 ГОСТ 7796-70 | |
| 60 | Болт М12-6gх25.88.35.019 ГОСТ 7796-70 | Болт М12-6gх25.88.35.019 ГОСТ 7796-70 | |
| 61 | Болт М12-6gх30.88.35.019 ГОСТ 7796-70 | Болт М12-6gх30.88.35.019 ГОСТ 7796-70 | |
| 62 | Гайка М8.6.0112 ГОСТ 5915-70 | Гайка М8.6.0112 ГОСТ 5915-70 | |
| 62 | Гайка М8.6.0112 ГОСТ 5915-70 | Гайка М8.6.0112 ГОСТ 5915-70 | |
| 63 | Гайка М10.6.0112 ГОСТ 5915-70 | Гайка М10.6.0112 ГОСТ 5915-70 | |
| 64 | Гайка М12.6.0112 ГОСТ 5915-70 | Гайка М12.6.0112 ГОСТ 5915-70 | |
| 65 | Шайба 8 65Г 05 ГОСТ 6402-70 | Шайба 8 65Г 05 ГОСТ 6402-70 | |
| 65 | Шайба 8 65Г 05 ГОСТ 6402-70 | Шайба 8 65Г 05 ГОСТ 6402-70 | |
| 65 | Шайба 8 65Г 05 ГОСТ 6402-70 | Шайба 8 65Г 05 ГОСТ 6402-70 | |
| 65 | Шайба 8 65Г 05 ГОСТ 6402-70 | Шайба 8 65Г 05 ГОСТ 6402-70 | |
| 66 | Шайба 10 65Г 05 ГОСТ 6402-70 | Шайба 10 65Г 05 ГОСТ 6402-70 | |
| 67 | Шайба 12 65Г 05 ГОСТ 6402-70 | Шайба 12 65Г 05 ГОСТ 6402-70 | |
| 69 | Шарик Б 16.669-40 ГОСТ 3722-81 | Шарик Б 16.669-40 ГОСТ 3722-81 | |
| 70 | Пробка КГ 1/2" 40.019 ОСТ 23.1.117-83 | Пробка КГ 1/2" 40.019 ОСТ 23.1.117-83 | |
| 71 | Пробка КГ 3/8" 40.019 ОСТ 23.1.117-83 | Пробка КГ 3/8" 40.019 ОСТ 23.1.117-83 |
Содержащиеся в справочниках-каталогах запасные части и детали не предлагаются к продаже, а носят исключительно информационный характер