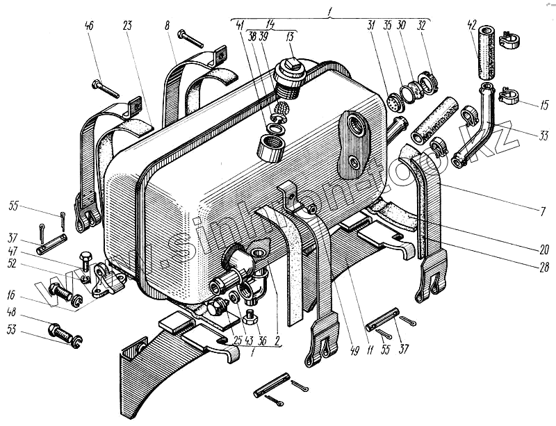
Каталог запасных частей к технике: ХТЗ Т-150. Бак и фильтр
1
1
2
7
8
11
13
14
15
16
20
23
25
30
31
32
33
35
36
37
37
38
39
41
42
43
46
47
47
48
52
52
53
55
55
| Позиция на иллюстрации | Заводской номер детали | Название детали | |
|---|---|---|---|
| 150.57.001-2 | 150.57.001-2 | Бак и фильтр | |
| 1 | 150.57.011-2 | Бак гидросистемы | |
| 2 | 150.57.012-2 | Бак | |
| 7 | 150.57.019 | Лента левая | |
| 8 | 150.57.020 | Лента правая | |
| 11 | 150.57.045 | Кронштейн | |
| 13 | 74.57.053-1 | Корпус сапуна | |
| 14 | 74.57.055А | Сапун | |
| 15 | хСВ-35Ц15Хр | Хомутик стяжной винтовой | |
| 16 | 150.57.105 | Кронштейн | |
| 20 | 150.57.129 | Прокладка | |
| 23 | 150.57.167 | Прокладка | |
| 25 | 150.57.170-2 | Пробка спускная | |
| 30 | 150.57.181-1 | Стекло смотровое | |
| 31 | 150.57.182-1 | Экран | |
| 32 | 150.57.183 | Гайка | |
| 33 | 150.57.185-1 | Труба | |
| 35 | 150.57.196-1 | Кольцо | |
| 36 | 150.57.206 | Пробка | |
| 37 | 54.13.449 | Палец | |
| 38 | 74.57.426-2 | Заглушка | |
| 39 | 74.57.434-1 | Набивка | |
| 41 | 74.57.448 | Прокладка | |
| 42 | 75.54.142 | Шланг | |
| 43 | 80.16.107 | Прокладка | |
| 46 | 150.57.140 | Болт М10-6gх55.66.019 ГОСТ 7795-70 | |
| 47 | Болт М10-6gх25.88.35.019 ГОСТ 7796-70 | Болт М10-6gх25.88.35.019 ГОСТ 7796-70 | |
| 47 | Болт М10-6gх25.88.35.019 ГОСТ 7796-70 | Болт М10-6gх25.88.35.019 ГОСТ 7796-70 | |
| 48 | Болт М16-6gх35.88.35.019 ГОСТ 7796-70 | Болт М16-6gх35.88.35.019 ГОСТ 7796-70 | |
| 52 | Шайба 10 65Г 05 ГОСТ 6402-70 | Шайба 10 65Г 05 ГОСТ 6402-70 | |
| 52 | Шайба 10 65Г 05 ГОСТ 6402-70 | Шайба 10 65Г 05 ГОСТ 6402-70 | |
| 53 | Шайба 16 65Г 05 ГОСТ 6402-70 | Шайба 16 65Г 05 ГОСТ 6402-70 | |
| 55 | Шплинт 3,2х20.001 ГОСТ 379-79 | Шплинт 3,2х20.001 ГОСТ 379-79 | |
| 118 | 151М.56.202 | Кольцо СП-60-47-8 ГОСТ 6308-71 |
Содержащиеся в справочниках-каталогах запасные части и детали не предлагаются к продаже, а носят исключительно информационный характер