Каталог запасных частей к технике: Great Plains NP4000-1630. Fertilizer Drive Mounting
1
2
3
4
4
5
6
6
6
7
7
7
8
9
9
10
11
12
13
14
15
16
17
18
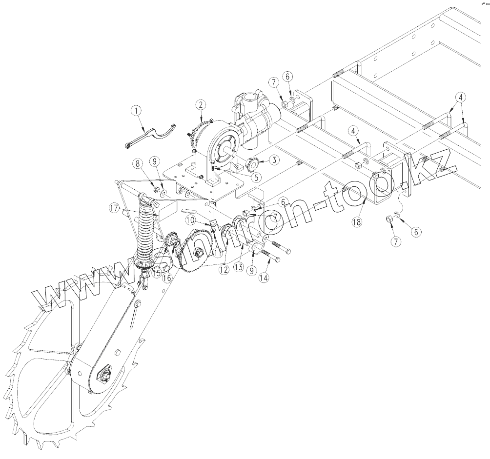
| Позиция на иллюстрации | Заводской номер детали | Название детали | |
|---|---|---|---|
| 1 | 115631-01 | JB SETTING WRENCH | |
| 2 | 831-059С | PUMP, CDS-JOHN BLUE NGP-7055 | |
| 3 | 808-062С | SPKT 40В15 X 1 В W/KW & SS | |
| 4 | 806-016С | U-BOLT 5/8-11 X 6 1/32 X 5 3/4 | |
| 5 | 802-022С | HHCS 3/8-16X1 1/2 GR5 | |
| 6 | 804-022С | WASHER LOCK SPRING 5/8 PLT | |
| 7 | 803-021С | NUT HEX 5/8-11 PLT | |
| 8 | 803-169С | NUT HEX FLG LOCK 1/2-13 PLT | |
| 9 | 804-113С | WASHER FLAT 1/2 USS HARD PLT | |
| 10 | 804-011С | WASHER FLAT 3/8 USS PLT | |
| 11 | 803-086С | NUT MAC-LOK FLG 3/8-16 GR F | |
| 12 | 817-406С | IDLER 1 PC 2.38X1.01X1.062 | |
| 13 | 407-333D | SPACER | |
| 14 | 802-041С | HHCS 1/2-13X3 1/2 GR5 | |
| 15 | 808-147С | SPKT 40C15 X 7/8 HEX BORE | |
| 16 | 805-240С | PIN LINCH 3/16 X 1 9/16 LONG | |
| 17 | 818-860С | DECAL WARNING MOVING CHAIN | |
| 18 | 407-579Н | FRAME EXTENSION |
Содержащиеся в справочниках-каталогах запасные части и детали не предлагаются к продаже, а носят исключительно информационный характер