Каталог запасных частей к технике: Great Plains CTA4000 HD. Center To Left Wing
1
2
2
2
3
3
4
4
4
5
6
7
8
8
9
9
10
11
11
12
13
13
14
14
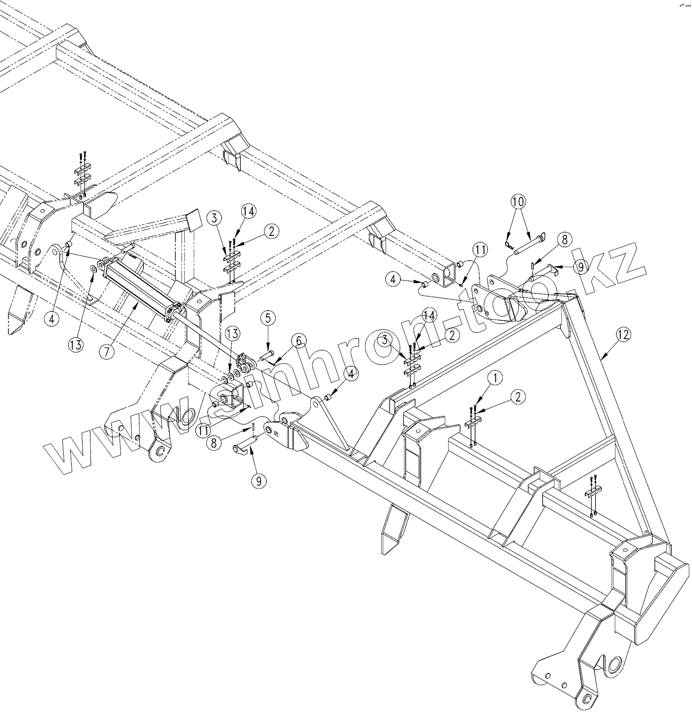
| Позиция на иллюстрации | Заводской номер детали | Название детали | |
|---|---|---|---|
| 1 | 802-010C | HHCS | |
| 2 | 804-009C | WASHER LOCK SPRING | |
| 3 | 196-112D | RPBY | |
| 4 | 890-011C | BUSHING SPINDLE | |
| 5 | 805-196C | PIN CLEVIS | |
| 6 | 805-060C | PIN COTTER | |
| 7 | 810-361C | CYL | |
| 8 | 805-249C | PIN ROLL | |
| 9 | 160-201H | WING PIVOT PIN WELDMENT | |
| 10 | 805-100C | PIN HITCH | |
| 11 | 800-001C | GREASE ZERK STRAIGHT | |
| 12 | 160-244H | LH WING FRAME | |
| 13 | 804-039C | WASHER FLAT | |
| 14 | 802-172C | HHCS |
Содержащиеся в справочниках-каталогах запасные части и детали не предлагаются к продаже, а носят исключительно информационный характер