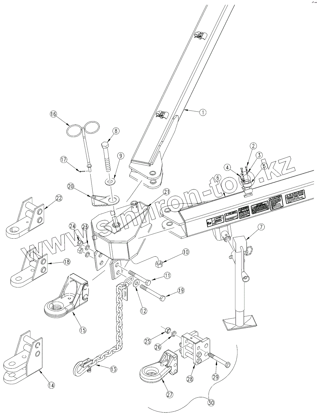
Каталог запасных частей к технике: Great Plains 3S-4010HD. Hitch to Frame
1
2
3
4
5
6
7
8
9
10
11
12
13
14
15
16
17
18
19
20
21
22
23
24
25
26
27
28
29
30
| Позиция на иллюстрации | Заводской номер детали | Название детали | |
|---|---|---|---|
| 1 | 196-516H | 3S40HD TONGUE RH PULLBAR WLDMT | |
| 2 | 802-010C | HHCS | |
| 3 | 804-009C | WASHER LOCK SPRING | |
| 4 | 800-064C | HOSE CLIP | |
| 5 | 502-068D | HYD HOSE CLAMP BRACKET | |
| 6 | 196-517H | 3S40HD TONGUE LH PULLBAR WLDMT | |
| 7 | 890-246C | SCREW JACK 5000# 15-30 | |
| 8 | 802-543C | HHCS | |
| 9 | 804-035C | WASHER FLAT | |
| 10 | 803-081C | NUT HEX 1 1/4-7 NYLON INSERT | |
| 11 | 802-166C | HHCS 1 1/4-7X9 1/2 GR5 SPTHD | |
| 12 | 194-070D | SAFETY CHAIN WASHER | |
| 13 | 890-398C | SAFETY CHAIN 40000 LB | |
| 14 | 196-136H | CLEVIS HITCH WELDMENT | |
| 15 | 170-201D | CASTING LARGE HITCH STRAP | |
| 16 | 196-166H | SWIVEL HOSE POST | |
| 17 | 805-069C | PIN COTTER 3/16 X 1 | |
| 18 | 170-034H | SINGLE HITCH STRAP-SMALL | |
| 19 | 802-317C | HHCS 1 1/4-7X11 GR5 SPTHD | |
| 20 | 196-370H | HOSE POST BASE, 40P | |
| 21 | 196-420H | HITCH PIVOT MOUNT WLDMT | |
| 22 | 170-033H | SINGLE HITCH STRAP-LARGE | |
| 23 | 804-030C | WASHER LOCK | |
| 24 | 803-034C | NUT HEX | |
| 25 | 803-031C | NUT HEX | |
| 26 | 804-027C | WASHER LOCK SPRING 1 PLT | |
| 27 | 891-210C | CAT 5 PERFECT HITCH | |
| 28 | 170-071H | CAT 4 TO CAT 5 HITCH ADAPTER | |
| 29 | 802-144C | HHCS 1-8X7 1/2 GR5 | |
| 30 | 170-072A | CAT V HITCH ADAPTER KIT |
Содержащиеся в справочниках-каталогах запасные части и детали не предлагаются к продаже, а носят исключительно информационный характер