Каталог запасных частей к технике: Great Plains 3S-4010HD. 10" RH Feeder Cup Spacing
1
2
3
3
4
4
4
4
4
4
5
5
5
5
5
5
6
7
8
8
9
9
10
10
10
11
11
12
12
13
13
13
14
14
14
15
16
17
18
19
19
19
19
19
20
20
20
20
21
22
22
23
24
25
26
27
28
29
30
31
32
33
34
35
36
37
38
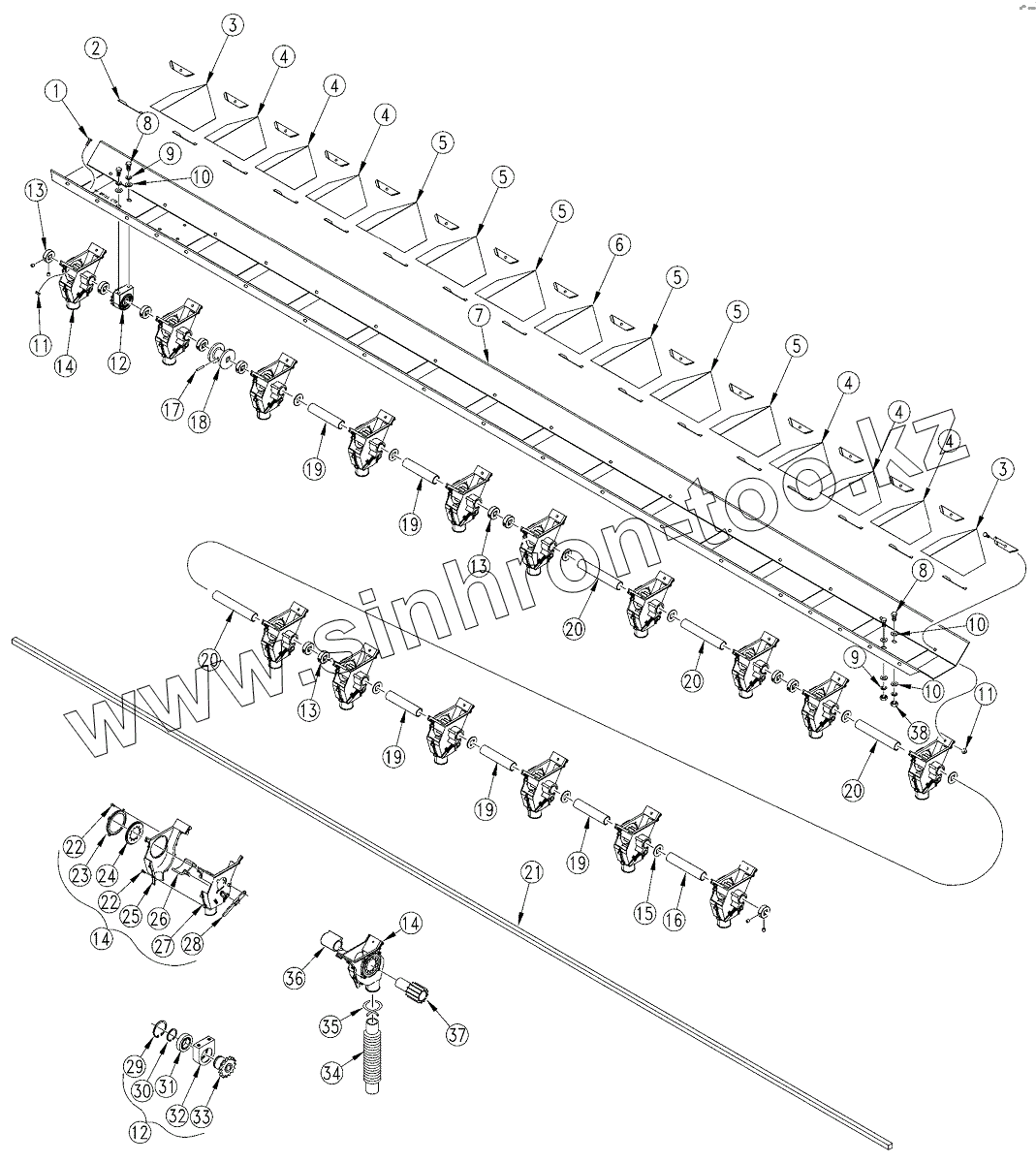
| Позиция на иллюстрации | Заводской номер детали | Название детали | |
|---|---|---|---|
| 1 | 802-004C | HHCS | |
| 2 | 118-341D | SEED BOX DIVIDER CLIP | |
| 3 | 118-338D | BOX DVDR FOR | |
| 4 | 118-432D | BOX DVDER FOR | |
| 5 | 118-356D | BOX DIVIDER FOR 10 ROW | |
| 6 | 118-373D | 7 5/8 BOX DVDR FOR 8 ROW | |
| 7 | 197-300D | 3N40HD FEED CUP TRAY 10 IN | |
| 8 | 802-014C | HHCS | |
| 9 | 804-013C | WASHER LOCK SPRING | |
| 10 | 804-012C | WASHER FLAT | |
| 11 | 803-194C | NUT HEX WHIZ | |
| 12 | 118-226S | FEEDER CUP BEARING ASSEMBLY | |
| 13 | 890-350C | SHAFT LOCKING COLLAR | |
| 14 | 817-075C | SEED CUP ASSEMBLY | |
| 15 | 804-031C | WASHER RETAINING | |
| 16 | 175-280D | SPACER TUBE | |
| 17 | 805-023C | PIN ROLL | |
| 18 | 109-091D | MACHINED ADJUSTMENT SPOOL | |
| 19 | 118-440D | SPACER TUBE | |
| 20 | 118-353D | 185C058TUBE X 6.578 | |
| 21 | 175-233D | FD CUP SQ DRIVE BAR | |
| 22 | 801-057C | SCR SELF TAP | |
| 23 | 817-073C | SEED CUP WASHER RETAINER | |
| 24 | 817-004C | NYLON WASHER-SPLIT | |
| 25 | 817-068C | SEED CUP LEFT HALF | |
| 26 | 817-070C | SEED CUP DOOR | |
| 27 | 817-069C | SEED CUP RIGHT HALF | |
| 28 | 817-071C | SEED CUP ADJUSTMENT HANDLE | |
| 29 | 800-107C | SNAP RING INTERNAL | |
| 30 | 800-004C | SNAP RING EXT BASIC | |
| 31 | 822-103C | BRG | |
| 32 | 118-336D | FEEDER CUP BEARING HOUSING | |
| 33 | 118-508D | BEARING HUB | |
| 34 | 816-239C | SEED HOSE | |
| 35 | 800-009C | CLAMP HOSE | |
| 36 | 817-074C | SEED CUP SLEEVE | |
| 37 | 890-190C | PM SEED CUP SPROCKET | |
| 38 | 803-014C | NUT HEX |
Содержащиеся в справочниках-каталогах запасные части и детали не предлагаются к продаже, а носят исключительно информационный характер