Каталог запасных частей к технике: Great Plains 3N-4010. Veris Drive Components
1
2
3
4
5
6
7
8
9
10
11
12
13
14
15
15
16
16
17
17
18
19
20
21
22
23
24
24
25
26
27
28
29
30
31
32
33
34
35
36
37
38
38
39
39
40
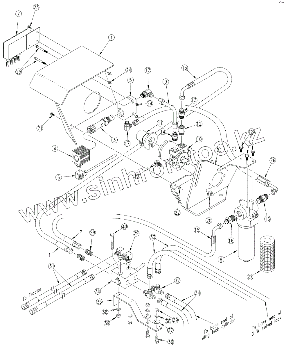
| Позиция на иллюстрации | Заводской номер детали | Название детали | |
|---|---|---|---|
| 1 | 402-307H | CONTROLLER MOUNT 40' WELDMENT | |
| 2 | 402-306H | MOTOR MOUNT 40' WELDMENT | |
| 3 | VER-19798 | VERIS PROPORTIONAL CARTR 14GPM | |
| 4 | VER-19799 | VERIS COIL 12V WATERMAN CARTR | |
| 5 | VER-19800 | VERIS VLV BODY SAE-12-2X SAE-8 | |
| 6 | VER-18375 | VERIS SOLENOID CABLE | |
| 7 | VER-21568 | VERIS EXT. CONTROL | |
| 8 | VER-18574 | VERIS FILTER HYD 3000 PSI PALL | |
| 9 | VER-5211 | VERIS HYD LINE STL .5 OD X.049 | |
| 10 | VER-19857 | VERIS MOTOR HYD 8.8 CIR | |
| 11 | VER-18382 | VERIS ENCODER W/ CABLE | |
| 12 | 811-564C | AD 3/4FORB 7/8MORB | |
| 13 | VER-19554 | RPBY 810-696C | |
| 14 | 811-192C | AD 3/4MJIC 7/8MORB | |
| 15 | VER-25390 | HH1/2M3K 3/4FJIC 3/4FJIC90X168 | |
| 16 | 811-205C | AD 3/4MJIC 1 1/16MORB | |
| 17 | VER-5184 | VERIS FTG HYD 8MB-8MJ90 | |
| 18 | VER-18548 | VERIS BLT FLG SER8.8M8-1.25X16 | |
| 19 | 802-203C | HFSS | |
| 20 | 803-037C | NUT HEX WHIZ | |
| 21 | VER-4416 | RPBY 802-642C | |
| 22 | 803-177C | NUT HEX FLG TP LK | |
| 23 | 802-257C | HFSS | |
| 24 | 803-088C | NUT HEX LOCK | |
| 25 | VER-9679 | VERIS BLT HH1/4-20NCX2.25GR5ZN | |
| 26 | VER-2584 | VERIS HYD HS 8M3K-8FJX90S-8FJX | |
| 27 | VER-19856 | VER FLTR ELEMENT PALL 6 MICRON | |
| 28 | 811-088C | AD | |
| 29 | 811-063C | EL | |
| 30 | 810-274C | DOUBLE SELECTOR VALVE | |
| 31 | 841-056C | HH1/2R2 336 3/4MORB 3/4FJIC | |
| 32 | 811-249C | TE | |
| 33 | 811-230C | HH1/4R1 095 9/16FJIC | |
| 34 | 811-781C | HH1/4R1 048 9/16FJIC | |
| 35 | 196-862D | SELECTOR VALVE MOUNT STRAP | |
| 36 | 802-017C | HHCS | |
| 37 | 804-011C | WASHER FLAT | |
| 38 | 804-013C | WASHER LOCK SPRING | |
| 39 | 803-014C | NUT HEX | |
| 40 | 802-024C | HHCS |
Содержащиеся в справочниках-каталогах запасные части и детали не предлагаются к продаже, а носят исключительно информационный характер