Каталог запасных частей к технике: Great Plains 3N-4010. Marker Arm
1
2
3
4
5
6
6
7
8
8
8
9
10
11
11
11
12
12
12
13
14
15
15
16
17
17
17
18
19
19
20
21
22
23
23
24
25
25
25
26
26
27
27
27
28
28
28
29
30
30
31
32
33
33
34
35
35
36
37
38
39
40
41
42
43
44
45
46
47
48
49
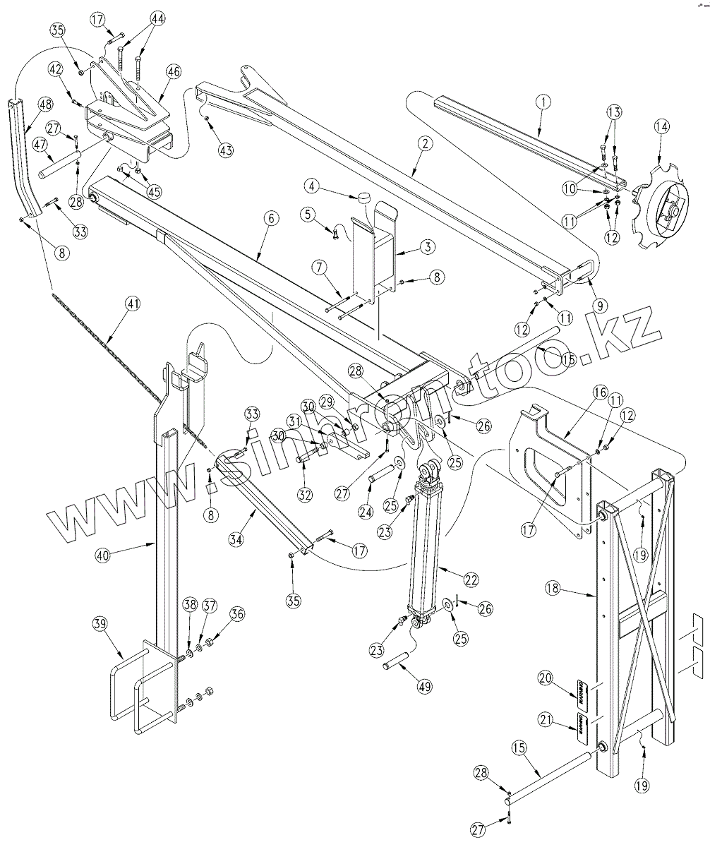
| Позиция на иллюстрации | Заводской номер детали | Название детали | |
|---|---|---|---|
| 1 | 113-779H | 40P MARKER EXT TUBE WLDMT | |
| 2 | 113-793H | MARKER SHEAR ARM 40P | |
| 3 | 113-725H | 3S-4000 MARKER REST BRKT WLMT | |
| 4 | 816-170C | RD BUMP STOP 2 X 1 X 1/2-13 | |
| 5 | 802-032C | HHCS 1/2-13X3/4 GR5 | |
| 6 | 113-716H | 3S-4000 MARKER 2ND SEC WLMT LH | |
| 6 | 113-717H | 3S-4000 MARKER 2ND SEC WLMT RH | |
| 7 | 802-381C | HHCS 3/8-16X6 GR5 | |
| 8 | 803-013C | NUT LOCK | |
| 9 | 806-010C | U-BOLT | |
| 10 | 804-017C | WASHER FLAT | |
| 11 | 804-015C | WASHER LOCK SPRING | |
| 12 | 803-020C | NUT HEX | |
| 13 | 802-044C | HHCS 1/2-13X4 GR5 | |
| 14 | 113-790S | 40P MARKER DISC AND HUB ASSEMBLY | |
| 15 | 113-686D | 3S-4000 MARKER HINGE PIN LG | |
| 16 | 113-722H | 3S-4000 MARKER TRANS BRC WLMT | |
| 17 | 802-099C | HHCS | |
| 18 | 113-715H | 3S-4000 MARKER 1ST SEC WLMT | |
| 19 | 800-001C | GREASE ZERK STRAIGHT | |
| 20 | 818-580C | DECAL WARNING OVERHEAD MKR HAZ | |
| 21 | 818-579C | DECAL WARNING PINCH/SHEAR HAZ | |
| 22 | 810-423C | CYL 3X24X1.50 ROD (TIE ROD) | |
| 23 | 811-065C | EL | |
| 24 | 805-131C | PIN CLEVIS 1 X 4 11/16 USABLE | |
| 25 | 804-028C | WASHER FLAT 1 USS PLT | |
| 26 | 805-058C | PIN COTTER | |
| 27 | 802-138C | HHCS | |
| 28 | 803-011C | NUT LOCK | |
| 29 | 803-024C | NUT LOCK | |
| 30 | 113-683D | 3S-4000 MARKER CYL PIN SPACER | |
| 31 | 113-682D | 3S-4000 MARKER CYL PIN LOCK | |
| 32 | 802-100C | HHCS 5/8-11X4 1/2 GR5 | |
| 33 | 802-114C | HHCS | |
| 34 | 113-685D | 3S-4000 MARKER LIFT ARM | |
| 35 | 803-019C | NUT LOCK | |
| 36 | 803-027C | NUT HEX | |
| 37 | 804-023C | WASHER LOCK SPRING | |
| 38 | 804-025C | WASHER FLAT | |
| 39 | 806-172C | U-BOLT 3/4-10 X 10 1/32X11 1/2 | |
| 40 | 113-780H | 40P MARKER TRANS REST WLDMT | |
| 41 | 113-717D | CHAIN COIL 1/4 HIGH TEST 73 IN | |
| 42 | 802-589C | HHCS 7/16-14X2 GR5 | |
| 43 | 803-200C | NUT HEX LOCK 7/16-14 PLT | |
| 44 | 802-062C | HHCS 5/8-11X5 GR5 | |
| 45 | 803-024C | NUT LOCK | |
| 46 | 113-792H | MARKER SHEAR BASE | |
| 47 | 113-687D | 3S-4000 MARKER HING PIN SHORT | |
| 48 | 113-790D | MARKER LIFT ARM TUBE BENT | |
| 49 | 805-004C | PIN CLEVIS |
Содержащиеся в справочниках-каталогах запасные части и детали не предлагаются к продаже, а носят исключительно информационный характер