Каталог запасных частей к технике: Great Plains 3N-4010. Center Section Drive
1
2
3
4
4
5
6
7
8
9
10
11
12
12
12
12
12
13
13
13
13
13
14
14
14
14
14
15
15
16
17
17
18
19
19
20
21
22
23
24
24
25
26
27
28
28
29
30
31
31
32
33
34
34
35
36
37
38
39
40
41
42
43
44
45
46
47
48
49
50
51
52
53
54
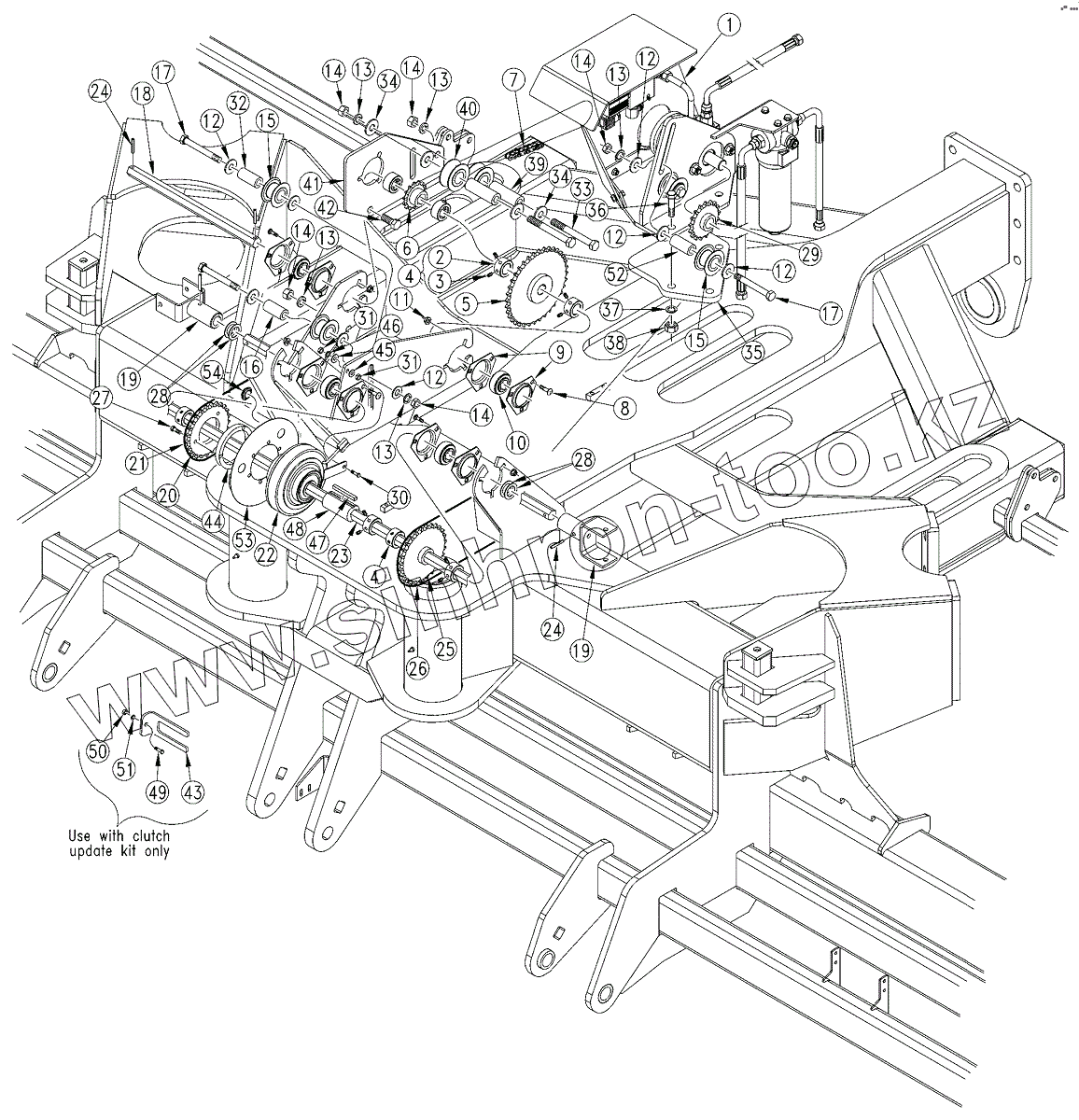
| Позиция на иллюстрации | Заводской номер детали | Название детали | |
|---|---|---|---|
| 1 | 833-251C | VERIS PPC-40 CONTROLLER | |
| 2 | 402-058D | COLLAR LOCK 7/8 HEX | |
| 3 | 801-035C | SCREW SET | |
| 4 | 402-025S | LOCK COLLAR, 7/8 HEX W/ SET SC | |
| 5 | 808-313C | SPKT 50C36 X 7/8 HEX BORE | |
| 6 | 808-259C | SPKT | |
| 7 | 136-120D | CHAIN RL #40 91 PITCHES | |
| 8 | 802-282C | RHSNB | |
| 9 | 822-175C | FLANGETTE 52 3-BOLT PLT | |
| 10 | 822-195C | BRG INS 7/8HEXX2.04OD SPH | |
| 11 | 803-177C | NUT HEX FLG TP LK | |
| 12 | 804-113C | WASHER FLAT | |
| 13 | 804-015C | WASHER LOCK SPRING | |
| 14 | 803-020C | NUT HEX | |
| 15 | 817-456C | IDLER SPOOL #50 2.38X1.01X.31 | |
| 16 | 120-306D | TUBE RND 1 OD X 7/32W X 2.13 | |
| 17 | 802-672C | HHCS 1/2-13X4 1/2 GR5 SPTHD | |
| 18 | 120-286D | SHAFT 7/8 HEX GW PIVOT | |
| 19 | 196-245H | U-JOINT DRIVE SHAFT YOKE | |
| 20 | 808-357C | SPKT 50A25 CLUTCH METRIC BORE | |
| 21 | 136-200D | CHAIN RL #50 92 PITCHES | |
| 22 | 823-231C | OGURA CLUTCH | |
| 23 | 196-776D | 40P CENTER CLUTCH SHAFT | |
| 24 | 805-180C | PIN ROLL | |
| 25 | 808-311C | SPKT 50C27 X 7/8 HEX BORE | |
| 26 | 136-202D | CHAIN RL #50 72 PITCHES | |
| 27 | 802-775C | HSHCS M8X1.25X30 GR8.8 PLT | |
| 28 | 804-061C | WASHER MACH 1.50 X 1.00 X 18GA | |
| 29 | 808-294C | SPKT 50B21 X 1 BORE W/KW, 2 SS | |
| 30 | 802-085C | HHCS 1/4-20X5 GR5 PLT | |
| 31 | 803-006C | NUT-HEX | |
| 32 | 120-293D | TUBE RND DOM. 1 OD X 7/32WX3.0 | |
| 33 | 802-672C | HHCS 1/2-13X4 1/2 GR5 SPTHD | |
| 34 | 804-113C | WASHER FLAT | |
| 35 | 196-847D | VERIS DRIVE SUPPORT SPACER | |
| 36 | 802-058C | HHCS | |
| 37 | 804-022C | WASHER LOCK SPRING | |
| 38 | 803-021C | NUT HEX | |
| 39 | 120-293D | TUBE RND DOM. 1 OD X 7/32WX3.0 | |
| 40 | 817-406C | IDLER 1 PC 2.38X1.01X1.062 | |
| 41 | 196-850D | 3N-40 FD CUP DRIVE IDLER PLT | |
| 42 | 802-034C | HHCS | |
| 43 | 196-866D | CLUTCH ROTATION TAB | |
| 44 | 196-876D | CLUTCH SPROCKET SPACER | |
| 45 | 804-075C | WASHER FLAT | |
| 46 | 804-006C | WASHER LOCK SPRING | |
| 47 | 839-956C | KEY 1/4 X 3/16 X 3.80 | |
| 48 | 196-877D | BUSHING 1 1/8 ODX7/8 HEX BORE | |
| 49 | 802-159C | HHCS 5/16-18X1 GR5 | |
| 50 | 803-008C | NUT HEX | |
| 51 | 804-009C | WASHER LOCK SPRING | |
| 52 | 120-306D | TUBE RND 1 OD X 7/32W X 2.13 | |
| 53 | 402-507D | CLUTCH OIL SHIELD | |
| 54 | 817-813C | BUTTON PLUG 7/8 ROUND HOLE |
Содержащиеся в справочниках-каталогах запасные части и детали не предлагаются к продаже, а носят исключительно информационный характер