Вернуться на главную
Поиск
Каталоги запчастей к технике
Сельхозтехника
Great Plains
2S-2600, 2S-2600F
Hitch To Mainframe
Каталог запасных частей к технике: Great Plains 2S-2600, 2S-2600F. Hitch To Mainframe
zoom-in
zoom-out
enlarge
shrink
circle-right
circle-left
file-text2
info
cart
Тип техники
Не выбрано
Легковые автомобили
Грузовые автомобили и прицепы
Автобусы
Сельхозтехника
Спецтехника
Двигатели
Мототехника
Марка
Не выбрано
AGCO
Amity
CASE IH
DongFeng
Fortschritt
Foton
Franz Kleine
Gaspardo
Great Plains
KRONE
KUHN
Lemken
Lovol
MacDon
Massey Ferguson
New Holland
TIGARBO
Vaderstad
Versatile
Wirax
Агро
Агротехмаш
Бобруйскагромаш (ОАО «УКХ «Бобруйскагромаш»)
БЭМЗ
ВгТЗ
Воронежсельмаш
ВТЗ
Гомсельмаш
ДКЗ
ЗАО "Техника-сервис"
ЗиД
КЗК
Кировец-Ландтехник
Клевер
Красная Звезда
Лидагропроммаш
Лидсельмаш
ЛТЗ
Машстройхолдинг
Минитракторы
Мордовагромаш
МТЗ
Навигатор-Новое машиностроение
Нефтекамский автозавод
ПТЗ
Ремком
РСМ
Сибсельмаш
ТеКЗ
ТКЗ
ХЗТСШ
ХТЗ
ЮМЗ
Модель
Не выбрано
1200, 1500, 2000 (2017)
1200TM - 4000TM (2013)
2S-2600, 2S-2600F (2016)
3N-4010 (2016)
3S-4010HD (2017)
CPH12, CPH15, CPH20 (2020)
CTA4000 HD (2017)
NP4000-1630 (2014)
PH-15, PH-20, PFH-15, PFH-20 (2019)
Схема
>
Не выбрано
Butler Jack Assembly (890-610C)
Hitch To Mainframe
Mainframe (S/N DD 1079+)
Rotating Square Hammerblow Jack (890-610C)
Transport Latch
Transport Axle To Mainframe
Transport Tires & Hub
Toolbar Pivots To Box Frames
Toolbar To Mainframe
Box Dividers Fertilizer
Box To Box Frame
Box To Box Frame Fertilizer
Fertilizer Tray
Fertilizer Tray To Box
Flex Limiter
Lid To Box
Lid To Box Fertilizer
Lights (S/N DD1757-)
LED Lights (S/N DD1758+)
Point Row Control Box With Cables
Seed Level Indicator
Seed/Fertilizer Flap (175-191S)
Small Seeds Box Components
Small Seeds Box Mounting
Spill Flap Fertilizer (175-190S)
Subframes To Wing Frames
Walkboard, Step & Parking Stand To Frame (S/N DD1363-)
Walkboard, Step & Parking Stand To Frame (S/N DD1364+)
Weight Bracket (S/N DD1283-)
Weight Bracket (S/N DD1284+)
10" Feeder Cup Spacing LH
10" Feeder Cup Spacing RH
6" Feeder Cup Spacing LH
6" Feeder Cup Spacing RH
7.5" Feeder Cup Spacing LH
7.5" Feeder Cup Spacing RH
Adjustment Handle
Loup Shaft Monitor (2 Channel 116-282A) (3 Channel 116-283A)
Vansco Shaft Monitor (Option)
Dual Gauge Wheel
Single Gauge Wheel
Clutch Linkage
Fertilizer Drive Subassembly
Jaw Clutch (176-042S)
Left Hand Clutch Fertilizer (195-187K)
Left Hand Drive (S/N DD 1151-)
Left Hand Drive (S/N DD 1152+)
Left Hand Drive Fertilizer (S/N DD 1151-)
Left Hand Drive Fertilizer (S/N DD 1152+)
Right Hand Clutch Fertilizer (195-186K)
Right Hand Drive (S/N DD 1151-)
Right Hand Drive (S/N DD 1152+)
Right Hand Drive Fertilizer (S/N DD 1151-)
Right Hand Drive Fertilizer (S/N DD 1152+)
Small Seeds Drive
5" & 6" Seed-Lok (Option) (122-193K & 122-266K)
Fertilizer Hose
OO Series Long Arm Opener
OO Series short arm opener
Small Seeds Hose
1" X 12" Double "V" Press Wheel
2" X 13" Single Press Wheel
3" X 13" Single Press Wheel
3" X 14" Peaked Single Press Wheel
4" X 12" Double Ribbed Single Press Wheel
Fold Hydraulics
Opener Down Pressure Hydraulics (Closed Center) (S/N DD1215-)
Opener Down Pressure Hydraulics (Closed Center) (S/N DD1216+)
Opener Down Pressure Hydraulics (Open Center) (S/N DD1216+)
Opener Down Pressure Hydraulics (Open Center) (S/N DD1215-)
Opener Down Pressure Hydraulics With Point Row (Option) (S/N DD1215-)
Opener Down Pressure Hydraulics With Point Row (Option) (S/N DD1216+)
Opener Lift Midway Hydraulic Cylinder 2 X 8 X 1.12 (810-299C)
Transport Axle
Transport Axle Midway Hydraulics Cylinder 3.5 X 12 X 1.25 (810-316C)
Transport Axle Midway Hydraulics Cylinder 4.0 X 12 X 1.5 (810-687C)
Manifold Block (810-371C)
Pressure Reducing Valve (810-301C)
Counterbalance Valve (810-523C)
Toolbar Fold Midway Hydraulic Cylinder 3.5 X 20 X 1.5 (810-298C)
Hydraulic Hose Grips
Decal Placement
Cross Hydraulic Cylinder 2.5 X 20 X 1.12 (810-118C)
Double Selector Valve (810-274C)
Dual Markers Hydraulics
Flat Fold Marker
Marker Disc Assembly (113-563S)
Midway Hydraulic Cylinder 2.5 X 20 X 1.12 (810-118C)
Monarch Hydraulic Cylinder 2.5 X 20 X 1.12 (810-118C)
Sequence Valve (810-197C)
Single Marker Hydraulics
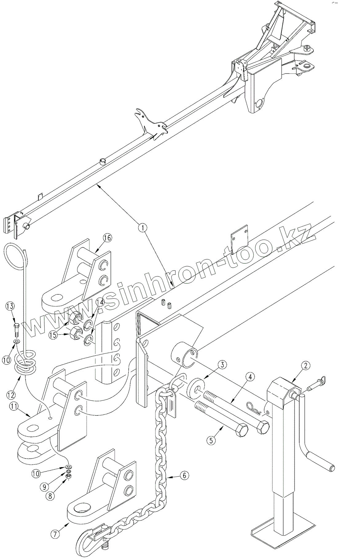
1
2
3
4
5
6
7
8
9
10
10
11
12
13
14
15
16
Позиция на иллюстрации
Заводской номер детали
Название детали
1
194-171H
TONGUE MAINFRAME WELDM
2
890-610C
SQ TB JACK
3
194-070D
SAFETY CHAIN WASHER
4
802-543C
HHCS
5
802-544C
HHCS
6
890-183C
SAFETY CHAIN
7
170-033H
SINGLE HITCH STRAP-LARGE
8
803-020C
NUT HEX
9
804-015C
WASHER LOCK SPRING
10
804-017C
WASHER FLAT
11
196-136H
CLEVIS HITCH WELDMENT
12
807-073C
SPRING HOSE LOOP HEAVY
13
802-039C
HHCS
14
804-030C
WASHER LOCK
15
803-034C
NUT HEX
16
170-034H
SINGLE HITCH STRAP-SMALL
Содержащиеся в справочниках-каталогах запасные части и детали не предлагаются к продаже, а носят исключительно информационный характер
Дополнительная информация
×
Название:
Номер:
Примечание: