Каталог запасных частей к технике: Great Plains 1200, 1500, 2000. Gearbox (890-282C)
1
1
1
1
2
2
2
2
2
2
3
3
3
3
3
3
4
4
5
6
6
6
7
8
9
10
11
12
13
13
14
15
15
16
17
18
19
20
21
21
22
23
24
25
26
27
28
29
29
30
30
31
31
31
31
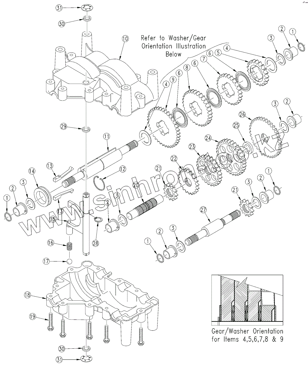
| Позиция на иллюстрации | Заводской номер детали | Название детали | |
|---|---|---|---|
| 1 | 788051A | SQ CUT RING P/T GEARBOX | |
| 2 | 780105A | P/T FLANGED BUSHING FOR G-BOX | |
| 3 | 780072 | P/T WASHER | |
| 4 | 780090 | P/T WASHER | |
| 5 | 778273 | P/T SPUR GEAR 19T | |
| 6 | 780108 | P/T WASHER | |
| 7 | 778123A | P/T SPUR GEAR 25T | |
| 8 | 778124A | P/T SPUR GEAR 30T | |
| 9 | 778146A | RPBY 778207A | |
| 10 | 770119 | P/T CASE CASTING 9100 | |
| 11 | 776370 | P/T SHIFTER AND OUTPUT SHAFT | |
| 12 | 788078A | P/T RETAINING RING INVERTED | |
| 13 | 792159 | P/T SHIFT KEY | |
| 14 | 784371 | P/T SHIFT COLLAR | |
| 15 | 784372 | P/T SHIFT ROD AND FORK ASSEMBLY | |
| 15 | 784312 | RPBY 784372 | |
| 16 | 792142 | P/T SPRING | |
| 17 | 792139 | P/T BALL 3/8 DIA | |
| 18 | 772131 | P/T COVER CASTING 9100 4 SPD | |
| 19 | 792073A | 1/4-20X 1 1/4 SCREW P/T G-BOX | |
| 20 | 776397 | P/T OUTPUT SHAFT | |
| 21 | 778211 | P/T SPUR GEAR 12T | |
| 22 | 778126A | P/T SPUR GEAR 20T | |
| 23 | 778127A | P/T SPUR GEAR 25T | |
| 24 | 778163 | P/T SPUR GEAR 31 TEETH | |
| 25 | 786088 | P/T SPACER | |
| 26 | 778319 | P/T SPUR GEAR 36T | |
| 27 | 776368 | P/T INPUT SHAFT | |
| 28 | 792017 | P/T RETAINING RING | |
| 29 | 780095 | P/T WASHER | |
| 29 | TUBE 0.562 LONG | TUBE 0.562 LONG | |
| 30 | 788069 | P/T RING SQUARE CUT | |
| 31 | 792145 | P/T PUSHNUT 1/2 | |
| 31 | 788067B | 32 OZ BOTTLE GREASE P/T G-BOX | |
| 31 | 510334 | P/T GASKET ELIMINATOR |
Содержащиеся в справочниках-каталогах запасные части и детали не предлагаются к продаже, а носят исключительно информационный характер