Каталог запасных частей к технике: Great Plains 1200, 1500, 2000. 2000 Nondrive Gauge Wheel
1
2
3
4
5
6
6
7
7
8
9
10
11
12
12
13
14
15
16
17
18
19
20
21
21
22
22
23
23
24
24
24
25
25
25
26
26
26
26
27
27
27
27
27
28
28
28
28
29
29
29
29
30
30
30
30
30
31
31
32
32
33
34
35
36
36
37
38
38
39
39
40
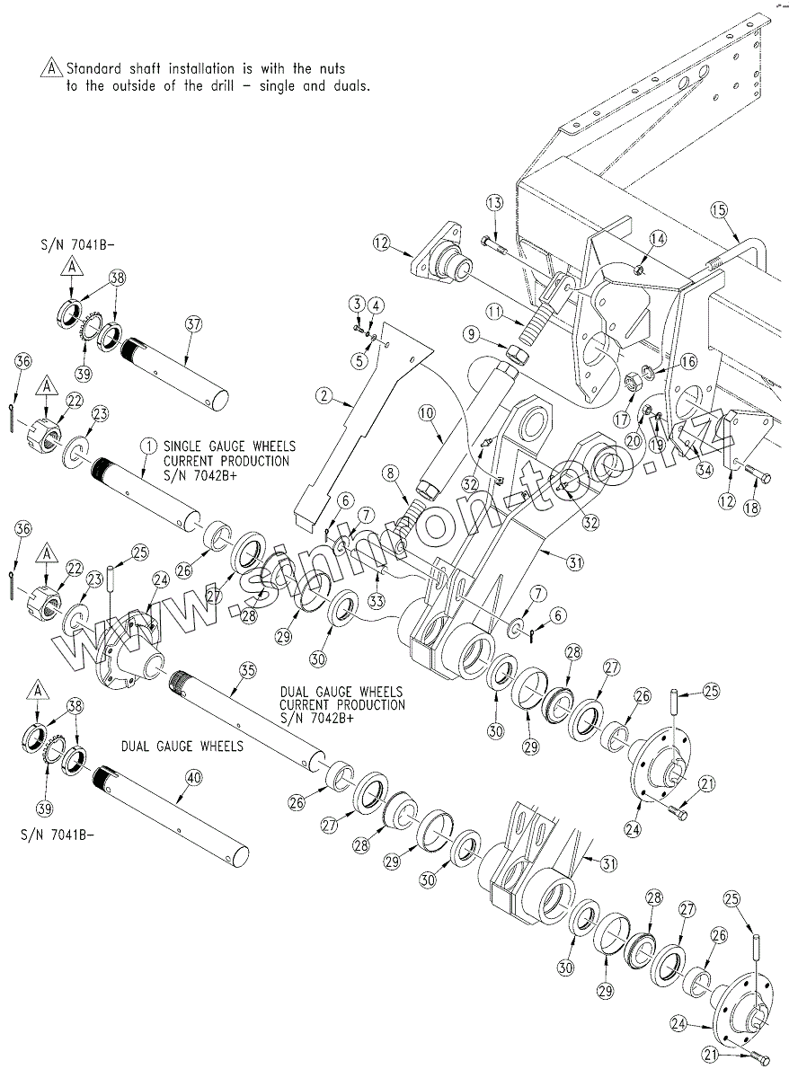
| Позиция на иллюстрации | Заводской номер детали | Название детали | |
|---|---|---|---|
| 1 | 120-321D | SPNDL 2 X 15 W/ 1.5-12 THD | |
| 2 | 120-197D | GAUGE WHEEL ARM CHAIN GUARD | |
| 3 | 802-004C | HHCS | |
| 4 | 804-006C | WASHER LOCK SPRING | |
| 5 | 804-007C | WASHER FLAT | |
| 6 | 805-045C | PIN COTTER 5/32 X 1 1/4 LG | |
| 7 | 804-024C | WASHER FLAT 3/4 USS PLT | |
| 8 | 120-213H | ADJUSTMENT TUBE EYE BOLT | |
| 9 | 803-046C | NUT HEX JAM 1 1/4-7 LH THD PLT | |
| 10 | 120-214H | ADJUSTMENT TUBE WLDMT | |
| 11 | 120-001E | UPPER GAUGE WHEEL CLEVIS | |
| 12 | 120-223D | 3 BOLT PIVOT CAST MACHINED | |
| 13 | 802-055C | HHCS | |
| 14 | 803-148C | NUT HEX NYLOCK 5/8-11 PLT | |
| 15 | 806-076C | U-BOLT 3/4-10 X 6 1/32 X 9 | |
| 16 | 804-023C | WASHER LOCK SPRING | |
| 17 | 803-027C | NUT HEX | |
| 18 | 802-082C | HHCS | |
| 19 | 804-015C | WASHER LOCK SPRING | |
| 20 | 803-020C | NUT HEX | |
| 21 | 802-104C | BOLT WHEEL | |
| 22 | 803-239C | NUT HEX SLOTTED | |
| 23 | 804-182C | WASHER HARD | |
| 24 | 120-195D | HUB 6-BOLT 2 BORE 4.62 PILOT | |
| 25 | 805-098C | PIN SPIROL 1/2 X 2 3/4 | |
| 26 | 120-198D | AXLE SPACER TUBE | |
| 27 | 816-138C | SEAL DBL LIP | |
| 27 | 816-171C | RPBY 816-138C | |
| 28 | 822-117C | BEARING CONE | |
| 29 | 822-118C | BEARING CUP | |
| 30 | 816-012C | SEAL | |
| 30 | 816-172C | RPBY 816-012C | |
| 31 | 120-208H | GAUGE WHEEL ARM | |
| 32 | 800-001C | GREASE ZERK STRAIGHT | |
| 33 | 120-229D | PIN,3/4X3 1/4 USE W/3/16 HOLES | |
| 34 | 120-217H | GAUGE WHEEL MOUNT NON DRIVE | |
| 35 | 120-322D | 204-064KX 20.53 W/ 1.5-12 THD | |
| 36 | 805-148C | PIN COTTER | |
| 37 | 120-224D | RPBY 120-314A | |
| 38 | 803-208C | NUT BEARING LOCK | |
| 39 | 804-098C | WASHER BEARING LOCK | |
| 40 | 120-192D | RPBY 120-315A |
Содержащиеся в справочниках-каталогах запасные части и детали не предлагаются к продаже, а носят исключительно информационный характер