Каталог запасных частей к технике: Гомсельмаш ЖР-5. Установка привода режущего аппарата КС-150С-1504000Б
КС-150С-1504000Б
1
2
3
4
5
5
6
7
7
8
9
10
10
11
12
13
14
15
18
18
19
19
20
20
21
21
21
22
23
23
24
24
25
25
25
26
27
27
28
29
29
29
30
31
31
32
32
33
34
35
36
36
37
38
39
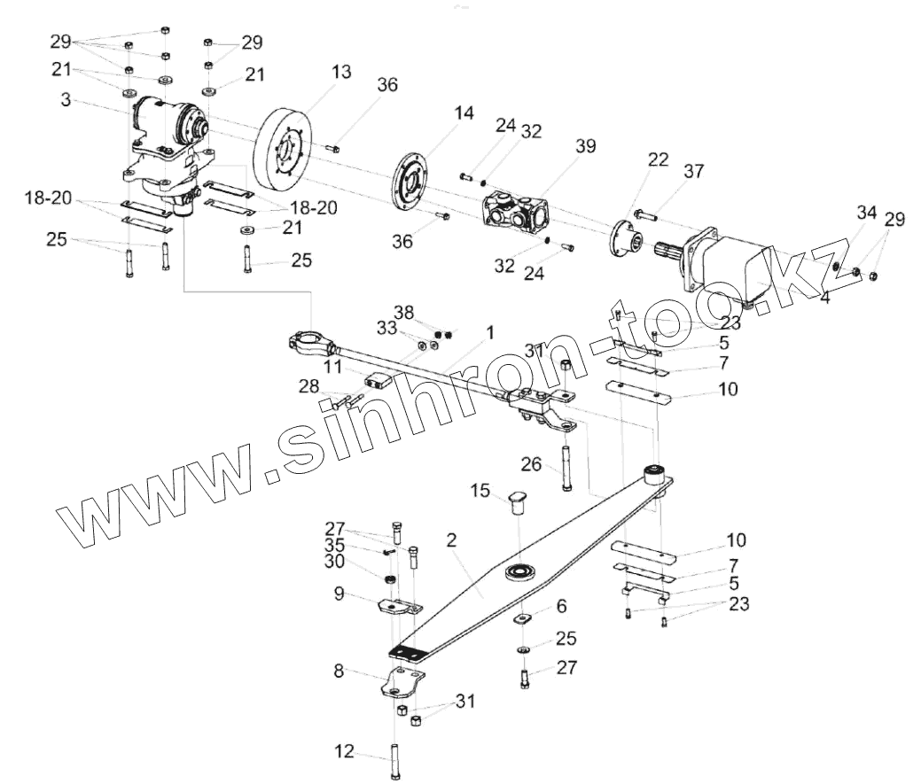
| Позиция на иллюстрации | Заводской номер детали | Название детали | |
|---|---|---|---|
| КС-150С-1504000Б | КС-150С-1504000Б | Установка привода режущего аппарата | |
| 1 | КС-150С-1504150 | Шатун | |
| 2 | КС-150С-1504210 | Коромысло | |
| 3 | КЗР 1517200 | Редуктор | |
| 4 | КС-200-0688210 | Гидромотор привода режущего аппарата | |
| 5 | КС-150С-1504403 | Пластина стопорная | |
| 6 | КС-150С-1504407 | Шайба | |
| 7 | КС-150С-1504412 | Шайба | |
| 8 | КС-150С-1504414 | Прижим | |
| 9 | КС-150С-1504414-01 | Прижим | |
| 10 | КС-150С-1504428 | Пластина трения | |
| 11 | КС-150С-1504429 | Опора | |
| 12 | КС-150С-1504603 | Болт | |
| 13 | КС-150С-1504604 | Маховик | |
| 14 | КС-150С-1504606 | Ступица | |
| 15 | КС-150С-1504613 | Ось | |
| 16 | КЗР 0312411-01 | Шайба пружинная | |
| 17 | КЗР 0350606А | Болт | |
| 18 | КЗР 1500404 | Прокладка регулировочная | |
| 19 | КЗР 1500404-01 | Прокладка регулировочная | |
| 20 | КЗР 1500404-02 | Прокладка регулировочная | |
| 21 | КИС 0200409А | Шайба | |
| 22 | КС-200-1200609 | Фланец | |
| 23 | Болт М8-6eХ16 - 7796 | Болт | |
| 24 | Болт М10-6eХ25 - 7796 | Болт | |
| 25 | Болт М12-6eХ70 - 7796 | Болт | |
| 26 | Болт М16-6eХ120 - 7796 | Болт | |
| 27 | Болт М16-6eХ50 - 7796 | Болт | |
| 28 | Болт М8-6eХ70 - 7802 | Болт | |
| 29 | Гайка М12-6G - 5915 | Гайка | |
| 30 | Гайка М16-6G - 5919 | Гайка | |
| 31 | Гайка М16-6G-15523 | Гайка | |
| 32 | Шайба 10Т.65Г - 6402 | Шайба | |
| 33 | Шайба C 8.01 - 6958 | Шайба | |
| 34 | Шайба C.12.01 - 11371 | Шайба | |
| 35 | Шплинт 4Х36 - 397 | Шплинт | |
| 36 | Болт DIN 6921-М8Х30-10.9-A-A3G | Болт | |
| 37 | Болт DIN 6921-М12Х55-8.8-A-A3G | Болт | |
| 38 | Гайка DIN 6923 М8-8-A-A3G | Гайка | |
| 39 | Г1520-2201024 | Шарнир |
Содержащиеся в справочниках-каталогах запасные части и детали не предлагаются к продаже, а носят исключительно информационный характер