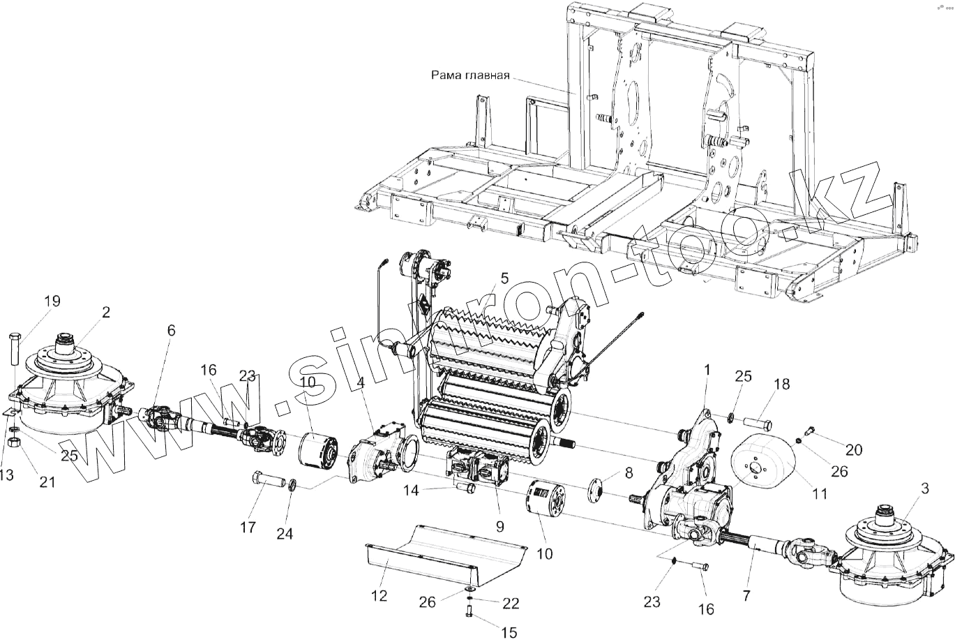
Каталог запасных частей к технике: Гомсельмаш ЖГР-4.5-1. Установка привода жатки
1
2
3
4
5
6
7
7
7
8
9
10
10
11
12
13
14
15
16
16
17
18
19
20
21
22
23
23
24
25
25
26
26
| Позиция на иллюстрации | Заводской номер детали | Название детали | |
|---|---|---|---|
| ЖГР-3-0200010-02 | ЖГР-3-0200010-02 | Жатка для грубостебельных культур | |
| ЖГР-3-0200010 | ЖГР-3-0200010 | Жатка для грубостебельных культур | |
| 1 | ЖГР-1-0202100 | Редуктор | |
| 2 | ЖГР-1-0203500 | Редуктор | |
| 3 | ЖГР-1-0203500-01 | Редуктор | |
| 4 | ЖГР-1-0204000-01 | Редуктор | |
| 5 | ЖГР-3-0215000 | Установка вальцев | |
| 6 | КТ01.040.3000-475/770 | Вал карданный | |
| 7 | КТ01.040.3000-330/430 | Вал карданный | |
| 7 | 01.040.3000-11.0579М | Вал карданный | |
| 7 | W2400360105669910234771b/2a | Вал карданный | |
| 8 | ЖГР-3-0200623 | Фланец | |
| 9 | УЭС-16-0155000 | Вал карданный | |
| 10 | 04.141.000А | Муфта предохранительная фрикционная | |
| 11 | ЖГР-1-0200007 | Кожух | |
| 12 | ЖГР-3-0200461 | Кожух | |
| 13 | КУЖ0100413А | Прокладка | |
| 14 | УЭС0100603А | Болт | |
| 15 | БолтМ8-6eх20-7796 | Болт М8-6eх20-7796 | |
| 16 | БолтМ10-6eх30-7796 | Болт М10-6eх30-7796 | |
| 17 | БолтМ14-6eх45-7796 | Болт М14-6eх45-7796 | |
| 18 | БолтМ16-6eх55-7796 | Болт М16-6eх55-7796 | |
| 19 | БолтМ16-6eх65-7796 | Болт | |
| 20 | ГайкаМ8-6G-5915 | Гайка М8-6G-5915 | |
| 21 | ГайкаМ16-6G-5915 | Гайка М16-6G-5915 | |
| 22 | Шайба8Т65Г-6402 | Шайба 8Т.65Г-6402 | |
| 23 | Шайба10Т65Г-6402 | Шайба 10Т.65Г-6402 | |
| 24 | Шайба14Т65Г-6402 | Шайба 14Т.65Г-6402 | |
| 25 | Шайба16Т65Г-6402 | Шайба 16Т.65Г-6402 | |
| 26 | ШайбаC8.01-6958 | Шайба C 8.01-6958 |
Содержащиеся в справочниках-каталогах запасные части и детали не предлагаются к продаже, а носят исключительно информационный характер