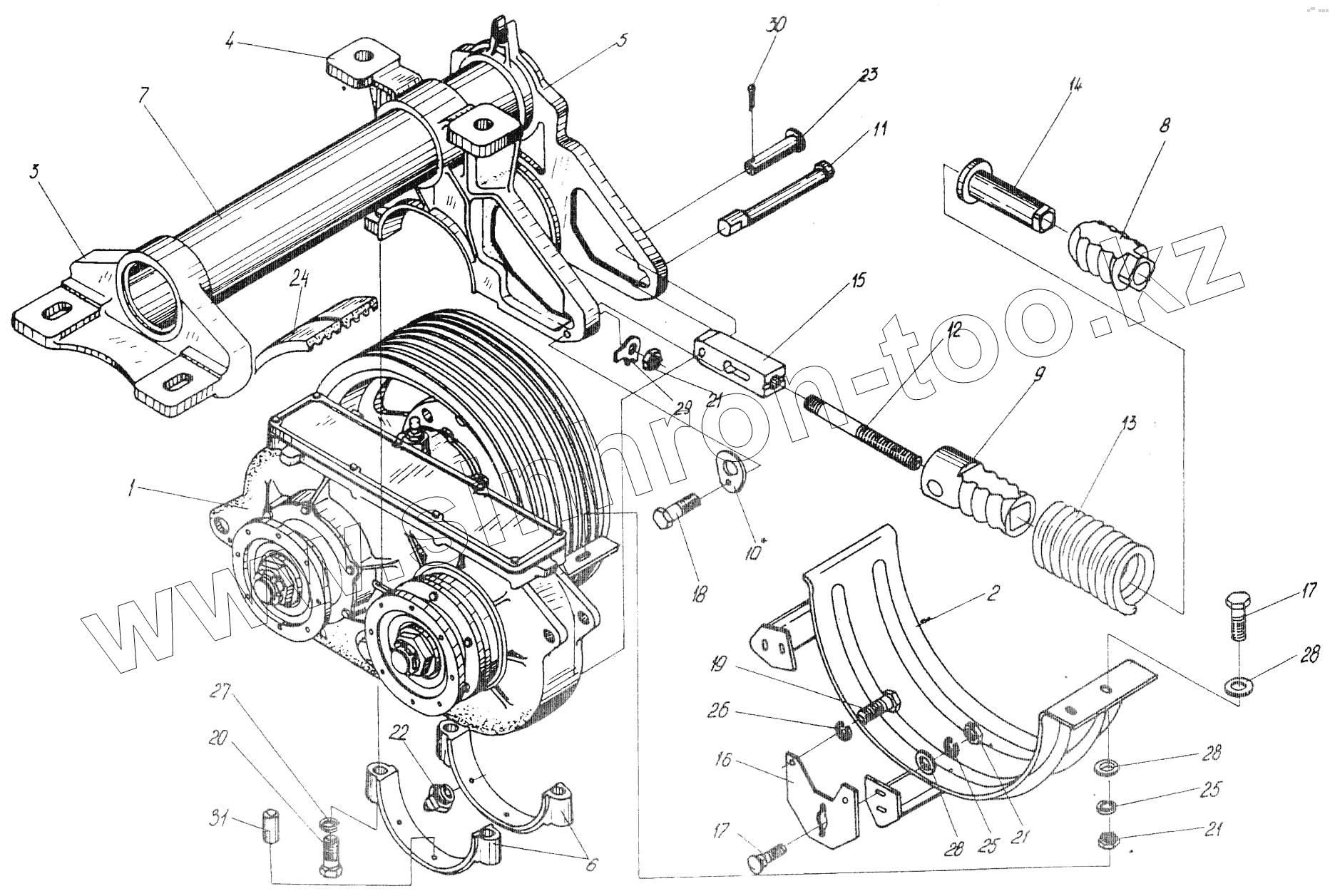
Каталог запасных частей к технике: Гомсельмаш УЭС Полесье-250. Установка редуктора УЭС0120000
1
2
3
4
5
6
7
8
9
10
11
12
13
14
15
16
17
17
18
19
20
21
21
21
22
23
24
25
25
26
27
28
28
28
29
30
31
| Позиция на иллюстрации | Заводской номер детали | Название детали | |
|---|---|---|---|
| УЭС0119000 | УЭС0119000 | Опора редуктора | |
| 1 | УЭС0108000 | Редуктор цилиндрический | |
| 2 | УЭС1400120 | Щиток | |
| 3 | УЭС0119301 | Опора | |
| 4 | УЭС0119303 | Кронштейн | |
| 5 | УЭС0119304 | Кронштейн | |
| 6 | УЭС0119307 | Крышка | |
| 7 | УЭС0119801 | Труба | |
| 8 | УЭС0120111 | Пробка | |
| 9 | УЭС0120112 | Пробка | |
| 10 | УЭС0120401 | Фиксатор | |
| 11 | УЭС0120603 | Эксцентрик | |
| 12 | УЭС0120604 | Штанга | |
| 13 | УЭС0120605 | Пружина | |
| 14 | УЭС0120607 | Гайка | |
| 15 | УЭС0120608 | Упор | |
| 16 | УЭС1400511 | Кронштейн | |
| 17 | Болт М8-6ех25-7796 | Болт М8-6ех25-7796 | |
| 18 | Болт М8-6ех50-7796 | Болт М8-6ех50-7796 | |
| 19 | Болт М10-6ех28-7796 | Болт М10-6ех28-7796 | |
| 20 | Болт М18х1.5-6ех70-7798 | Болт М18х1.5-6ех70-7798 | |
| 21 | Гайка М8-6G-5915 | Гайка М8-6G-5915 | |
| 22 | Масленка 1.2.УХЛ1 | Масленка 1.2.УХЛ1 | |
| 23 | Ось 6-14в12х75-9650 | Ось 6-14в12х75-9650 | |
| 24 | Ремень специальный четырехручьевой на единой основе 4НВ-1200 | Ремень специальный четырехручьевой на единой основе 4НВ-1200 | |
| 25 | Швйба 8.65Г-6402 | Швйба 8.65Г-6402 | |
| 26 | Шайба 10.65Г-6402 | Шайба 10.65Г-6402 | |
| 27 | Шайба 18.65Г-6402 | Шайба 18.65Г-6402 | |
| 28 | Шайба 8.01-6958 | Шайба 8.01-6958 | |
| 29 | Шайба 8.01-13463 | Шайба 8.01-13463 | |
| 30 | Шплинт 3,2х25-397 | Шплинт 3,2х25-397 | |
| 31 | Штифт 6т6х12-3128 | Штифт 6т6х12-3128 |
Содержащиеся в справочниках-каталогах запасные части и детали не предлагаются к продаже, а носят исключительно информационный характер