Каталог запасных частей к технике: Гомсельмаш УЭС Полесье-250. Раскосы УЭС0104130, УЭС0104180 и тяга верхняя УЭС0104020
УЭС0104020А
УЭС0104180
УЭС0104130
1
2
2
3
4
4
5
6
7
8
9
10
11
12
12
13
14
15
16
17
17
18
19
19
20
21
22
23
25
25
26
27
28
29
30
31
32
33
34
35
36
37
38
38
39
40
41
42
42
43
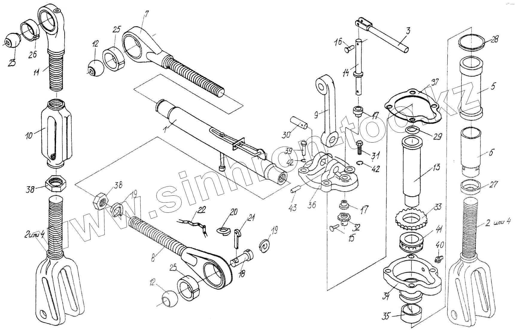
| Позиция на иллюстрации | Заводской номер детали | Название детали | |
|---|---|---|---|
| УЭС0104040 | УЭС0104040 | Винт | |
| УЭС0104020А | УЭС0104020А | Тяга верхняя | |
| 142-4605415 | 142-4605415 | Корпус | |
| А61.05.100 | А61.05.100 | Чека | |
| УЭС0104320 | УЭС0104320 | Винт | |
| УЭС0104190 | УЭС0104190 | Винт | |
| УЭС0104180 | УЭС0104180 | Раскос | |
| УЭС0104150 | УЭС0104150 | Крышка | |
| УЭС0104140 | УЭС0104140 | Вилка | |
| УЭС0104130 | УЭС0104130 | Раскос | |
| УЭС0104040-01 | УЭС0104040-01 | Винт | |
| УЭС0104170 | УЭС0104170 | Труба | |
| 1 | УЭС0104050 | Труба | |
| 2 | УЭС0104160 | Вилка | |
| 3 | УЭС0104330 | Вилка | |
| 4 | УЭС0104340 | Вилка | |
| 5 | УЭС0104001 | Труба | |
| 6 | УЭС0104002 | Колпак | |
| 7 | УЭС0104602 | Винт | |
| 8 | УЭС0104602-01 | Винт | |
| 9 | УЭС0104611 | Серьга | |
| 10 | УЭС0104614 | Стяжка | |
| 11 | УЭС0104615 | Винт | |
| 12 | УЭС0104634 | Шарнир | |
| 13 | УЭС0104803 | Труба | |
| 14 | А61.01.600-А7 | Вал | |
| 15 | А61.01.005-А7 | Ось | |
| 16 | А61.01.016-А7 | Ось | |
| 17 | А61.01.017-А7 | Втулка | |
| 18 | А61.03.001 | Палец | |
| 19 | А61.03.002 | Кольцо | |
| 20 | А61.05.001 | Кольцо | |
| 21 | А61.05.002 | Чека | |
| 22 | А61.08.001 | Цепочка | |
| 23 | 142-4605031 | Шарнир | |
| 24 | 142-4605051 | Шарнир | |
| 25 | 142-4605104 | Втулка | |
| 26 | 142-4605108 | Втулка | |
| 27 | 142-4605401 | Ограничитель | |
| 28 | 142-4605402 | Втулка | |
| 29 | 142-4605403 | Ограничитель | |
| 30 | 142-4605404 | Палец | |
| 31 | 142-4605408 | Болт | |
| 32 | 142-4605413 | Шестерня | |
| 33 | 142-4605414 | Шестерня ведомая | |
| 34 | 142-4605416 | Корпус | |
| 35 | 142-4605417 | Втулка свертная | |
| 36 | 142-4605418 | Крышка | |
| 37 | 142-4605421 | Прокладка | |
| 38 | 142-4605424 | Контргайка | |
| 39 | Болт М16-6Gх40-7796 | Болт М16-6Gх40-7796 | |
| 40 | Масленка 1,34 УХЛ1 | Масленка 1,34 УХЛ1 | |
| 41 | Подшипник 8210-6874 | Подшипник 8210-6874 | |
| 42 | Шайба 16.65Г-6402 | Шайба 16.65Г-6402 | |
| 43 | Штифт 8х45.65 Г-14229 | Штифт 8х45.65 Г-14229 |
Содержащиеся в справочниках-каталогах запасные части и детали не предлагаются к продаже, а носят исключительно информационный характер