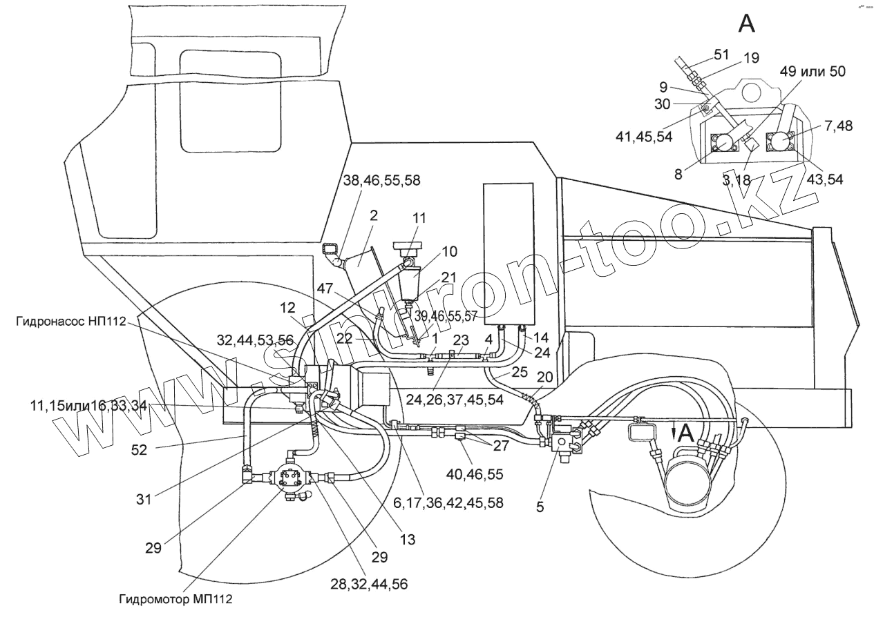
Каталог запасных частей к технике: Гомсельмаш УЭС-2-280А. Гидросистема привода ходовой части УЭС-6-0601000
УЭС-6-0601000
НП112
МП112
1
2
3
4
5
6
7
8
9
10
11
11
12
13
14
15
16
17
18
19
20
21
22
23
24
24
25
26
27
28
29
29
30
31
32
32
33
34
36
37
38
39
40
41
42
43
44
44
45
45
45
46
46
46
47
48
49
50
51
52
53
54
54
54
55
55
55
56
56
57
58
58
| Позиция на иллюстрации | Заводской номер детали | Название детали | |
|---|---|---|---|
| УЭС-6-0601000 | УЭС-6-0601000 | Гидросистема привода ходовой части | |
| НП112 | НП112 | Гидронасос | |
| МП112 | МП112 | Гидромотор | |
| 1 | УЭС 0601460 | Маслопровод промывочно-сливной | |
| 2 | УЭС 0601650 | Бак масляный | |
| 3 | УЭС 0603610 | Угольник | |
| 4 | УЭС-2-0605140 | Тройник | |
| 5 | УЭС-2-0605210 | Блок подключения управляемого моста | |
| 6 | УЭС-7-0601560 | Трубопровод | |
| 7 | УЭС-7-0601610 | Трубопровод | |
| 8 | УЭС-7-0601620 | Трубопровод | |
| 9 | УЭС-7-0601630 | Трубопровод | |
| 10 | УЭС-7-0601850 | Фильтр | |
| 11 | А23-02.170 | Хомут | |
| 12 | УЭС-6-0601001 | Рукав | |
| 13 | УЭС-6-0601003 | Рукав 20х29-1,6-10362 | |
| 14 | УЭС-6-0601006 | Рукав 20х29-1,6-10362 | |
| 15 | УЭС 0601649 | Угольник поворотный | |
| 16 | УЭС 0601651 | Угольник поворотный | |
| 17 | УЭС 0602012А | Брус | |
| 18 | УЭС 0602621 | Штуцер | |
| 19 | УЭС 0602624-01 | Штуцер | |
| 20 | УЭС 0602662-03 | Оплетка | |
| 21 | УЭС-7-0601001 | Рукав | |
| 22 | УЭС-7-0601004 | Рукав 20х29-1,6-10362 | |
| 23 | УЭС-7-0601005 | Рукав 20х29-1,6-10362 | |
| 24 | УЭС-7-0601007 | Рукав 20х29-1,6-10362 | |
| 25 | УЭС-7-0601008 | Рукав 20х29-1,6-10362 | |
| 26 | УЭС-7-0601502 | Прижим | |
| 27 | УЭС-7-0601504 | Прижим | |
| 28 | УЭС-7-0601614 | Полуфланец | |
| 29 | УЭС-7-0601621 | Фланец | |
| 30 | УЭС-2-0605514 | Прижим | |
| 31 | УЭС-2-0605622-01 | Штуцер | |
| 32 | ГСТ 90-00.003 | Кольцо уплотнительное | |
| 33 | КИС 0108612А | Штуцер | |
| 34 | КИС 0108424А | Шайба | |
| 35 | КИС 0108626 | Гайка глухая | |
| 36 | КИС 0150512 | Планка | |
| 37 | Болт | Болт | |
| 38 | Болт | Болт | |
| 39 | Болт | Болт | |
| 40 | Болт | Болт | |
| 41 | Болт | Болт | |
| 42 | Болт | Болт | |
| 43 | Винт | Винт | |
| 44 | Винт | Винт | |
| 45 | Гайка | Гайка | |
| 46 | Гайка | Гайка | |
| 47 | Зажим червячный | Зажим червячный | |
| 48 | Кольцо | Кольцо | |
| 49 | Прокладка | Прокладка | |
| 50 | Прокладка | Прокладка | |
| 51 | РВД12-2SN-М20х1,5-60-800 | Рукав | |
| 52 | РВД12-2SN-М20х1,5-60-800 | Рукав | |
| 53 | РВД12-2SN-М20х1,5-60-800 | Рукав | |
| 54 | Шайба | Шайба | |
| 55 | Шайба | Шайба | |
| 56 | Шайба | Шайба | |
| 57 | Шайба | Шайба | |
| 58 | Шайба | Шайба |
Содержащиеся в справочниках-каталогах запасные части и детали не предлагаются к продаже, а носят исключительно информационный характер