Вернуться на главную
Поиск
Каталоги запчастей к технике
Сельхозтехника
Гомсельмаш
KЗС-812
Элеватор колосовой КЗК 0208000А-02
Каталог запасных частей к технике: Гомсельмаш KЗС-812. Элеватор колосовой КЗК 0208000А-02
zoom-in
zoom-out
enlarge
shrink
circle-right
circle-left
file-text2
info
cart
Тип техники
Не выбрано
Легковые автомобили
Грузовые автомобили и прицепы
Автобусы
Сельхозтехника
Спецтехника
Двигатели
Мототехника
Марка
Не выбрано
AGCO
Amity
CASE IH
DongFeng
Fortschritt
Foton
Franz Kleine
Gaspardo
Great Plains
KRONE
KUHN
Lemken
Lovol
MacDon
Massey Ferguson
New Holland
TIGARBO
Vaderstad
Versatile
Wirax
Агро
Агротехмаш
Бобруйскагромаш (ОАО «УКХ «Бобруйскагромаш»)
БЭМЗ
ВгТЗ
Воронежсельмаш
ВТЗ
Гомсельмаш
ДКЗ
ЗАО "Техника-сервис"
ЗиД
КЗК
Кировец-Ландтехник
Клевер
Красная Звезда
Лидагропроммаш
Лидсельмаш
ЛТЗ
Машстройхолдинг
Минитракторы
Мордовагромаш
МТЗ
Навигатор-Новое машиностроение
Нефтекамский автозавод
ПТЗ
Ремком
РСМ
Сибсельмаш
ТеКЗ
ТКЗ
ХЗТСШ
ХТЗ
ЮМЗ
Модель
Не выбрано
FS80-2 (2017)
KЗС-812 (2016)
KЗС-812 (2017)
KЗС-812 (2018)
KЗС-812 (2021)
KЗС-812 (ПАЛЕССЕ GS812 PRO) (2022)
KЗС-812 (ПАЛЕССЕ GS812) (2021)
KС-100 (2020)
KС-100 (2021)
KС-100 (2022)
KС-150С (2022)
KС-200 (2017)
MS280F (2022)
ЖГР-4.5-1 (2011)
ЖГР-4.5-1 (2018)
ЖЗК-5-1 (2021)
ЖЗК-5-2 (2021)
ЖЗК-6-5 (2008)
ЖЗК-6-5 (2020)
ЖЗК-7-5 (2008)
ЖЗК-7-5 (2011)
ЖЗК-7-7 (2020)
ЖЗК-9 (2020)
ЖЗС-6, 7 (2010)
ЖЗС-9-1 (2018)
ЖЗС-9-2 (2018)
ЖЗС-9-2 (2020)
ЖЗС-9-2 (2021)
ЖР-5 (2021)
КВК-1-0900000 (2018)
КВК-1-0900000 (2021)
КВК-6025 (2015)
КВК-800 (FS80) (2017)
КВК-800 (FS80-2) (2010)
КВК-800 (FS80-2) (2014)
КВК-800 (FS80-5) (2013)
КВК-800 (FS80-5) (2016)
КВК-800 (FS80-7) (2017)
КВК-800 ПАЛЕССЕ FS80-2 (2019)
КВК-800-8 ПАЛЕССЕ FS80-8 (2018)
КВК-800-8 ПАЛЕССЕ FS80-8 (2021)
КВК-8060 (2012)
КВК-8060 (2017)
КВК-8060 (2021)
КВК-8060 (2021)
КВС-1-3900000 (2007)
КВС-4-3900000 (2010)
КГС-0200000 (2010)
КГС-0800000 (2010)
КГС-0900000 (2010)
КДП-3000 Палессе FT40 (2008)
КЗР-10 (2007)
КЗС-10К (ПОЛЕСЬЕ) (2005)
КЗС-10К Палессе GS10 (2012)
КЗС-10К Палессе GS10 (2013)
КЗС-10К Палессе GS10 (2018)
КЗС-10К Палессе GS10 (2021)
КЗС-1218 (ПАЛЕССЕ GS12) дополнение 1 (2020)
КЗС-1218 (ПАЛЕССЕ GS12) дополнение 2 (2020)
КЗС-1218 часть 1 (2013)
КЗС-1218 часть 2 (2013)
КЗС-1218А-1 (2015)
КЗС-1218А-1 (2018)
КЗС-1218А-1 (2019)
КЗС-1218А-1 (ПАЛЕССЕ GS12 А1) Дополнение (2020)
КЗС-1420 часть 1 (2014)
КЗС-1420 часть 2 (2014)
КЗС-1624-1 (2014)
КЗС-1624-1 (2017)
КЗС-2124КР (2018)
КЗС-3221КР ПАЛЕССЕ GH800 (2021)
КЗС-4118К ПАЛЕССЕ GS 4118 (2019)
КЗС-575 (2016)
КЗС-7 (2010)
КЗС-812 (2013)
КЗС-812С (2011)
КЗС-812С (2014)
КОК-6 (2011)
КОК-6-3, КОК-6-3-01, КОК-6-3-02 (2020)
КОК-8-2 (2012)
КОК-8-4 (2018)
КПК Полесье-3000
КПК Полесье-3000 (2006)
КПК-3000 (ПАЛЕССЕ FH40) (2010)
КПК-3000А (Палессе FH40A) (2010)
КПР-6 (2005)
КПР-9 Полесье-СН-90 (2006)
КСК-100А (2002)
КСК-100А-3 (2005)
КСК-600 (2007)
КСК-600 (2011)
КСК-600 (2015)
КСК-600 (2017)
КСК-600А (2020)
КСН-6 (2005)
ПЗ (2019)
ПКК-0200000А-06 (2010)
ПКК-0350000 (2010)
ПКК-0400000А (2010)
ПКК-0460000 (2010)
ПКК-1-0350000А (2010)
ПР (2019)
ПР-9 (2021)
Приспособление ПР-4 (2013)
СТВ-12 (2005)
УЭС Полесье-250 (2006)
УЭС-2-250А (2010)
УЭС-2-280А (2010)
УЭС-2-280А (2018)
УЭС-2-280А ПАЛЕССЕ 2U280А (2020)
УЭС-280 (2017)
УЭС-280 ПАЛЕССЕ U280 (2020)
Схема
>
Не выбрано
Молотилка самоходная КЗК-8К-0100000-01 (вид слева)
Молотилка самоходная КЗК-8К-0100000-01 (вид справа)
Молотилка самоходная КЗК-8К-0100000-01 (вид спереди)
Камера наклонная КЗК-8-1810000
Установка транспортера КЗК-8-1817000
Успокоитель КЗК 1770050
Установка вала верхнего КЗК-8-1813000
Муфта предохранительная КЗК 1873100
Установка трубы КЗК 1770010
Установка ограждений КЗК-8-1770050 и КЗК-8-1770070
Камера наклонная. Привод транспортера
Установка вала КЗК-8-1810602
Ограждение КЗК-8-1810120
Реверс КЗК-8-1814000
Механизм продольного копирования КЗК 1775000А
Установка вала нижнего КЗК-8-1816000
Установка рамки переходной КЗК 1780000А
Рамка переходная КЗК 1780000А (лист 1)
Рамка переходная КЗК 1780000А (лист 2)
Система гидравлическая наклонной камеры КЗК 1790000
Привод наклонной камеры КЗК 0125000
Пружина КЗК 0125050
Очистка КВК-8К-0202000 (вид слева)
Очистка КВК-8К-0202000 (вид справа)
Установка шкивов КЗК 0202860А и КЗК 0202103Б
Установка шкивов на шнек распределительный КЗК 0202770В
Установка цепного привода элеватора колосового
Установка шатуна КЗР 0202030Е и шкивов КЗК-12-0202109А, КЗК-8А-0202111
Установка привода соломотряса
Установка привода доски стрясной КЗК 0280000А (вид слева)
Установка привода доски стрясной КЗК 0280000А (вид справа)
Установка привода стана решетного верхнего КЗК 0260000Б-01
Очистка, шкив ведомый КЗК-12-0217400 и контрпривод вариатора КЗК-7-0202500Б
Шкив ведомый КЗК-12-0217400
Установка рычага КЗК 0202430В
Установка привода устройства домолачивающего
Аппарат молотильный КЗК-8А-0102000 (лист 1)
Аппарат молотильный КЗК-8А-0102000 (лист 2)
Маслопровод КЗК-7-0102360
Фланец КЗК-8А-0102750
Барабан молотильный КЗК-8А-0104000
Механизм подъема подбарабанья КЗК-8А-0115000
Механизм подъема подбарабанья КЗК-8А-0115000 (установка электромеханизма)
Опора КЗК 0102350
Подбарабанье КЗК 0103000
Подбарабанье КЗК 0103010
Битер отбойный КЗК 0105000
Вариатор барабана КЗК 0108000
Вариатор барабана КЗК 0123000
Боковина левая КЗК-8К-0202050
Боковина правая КЗК-8К-0202060
Соломотряс КЗК-8А-0212000
Вал коленчатый ведущий КЗК-8А-0212010
Вал коленчатый ведомый КЗК 0212020А
Рычаг КЗР 0202160Г
Рычаг КЗК 0202400В
Рычаг КЗК 0202420Б
Рычаг КЗК 0202440В
Муфта фрикционная КЗК 0219020Б-01
Устройство домолачивающее КЗК 0207000В
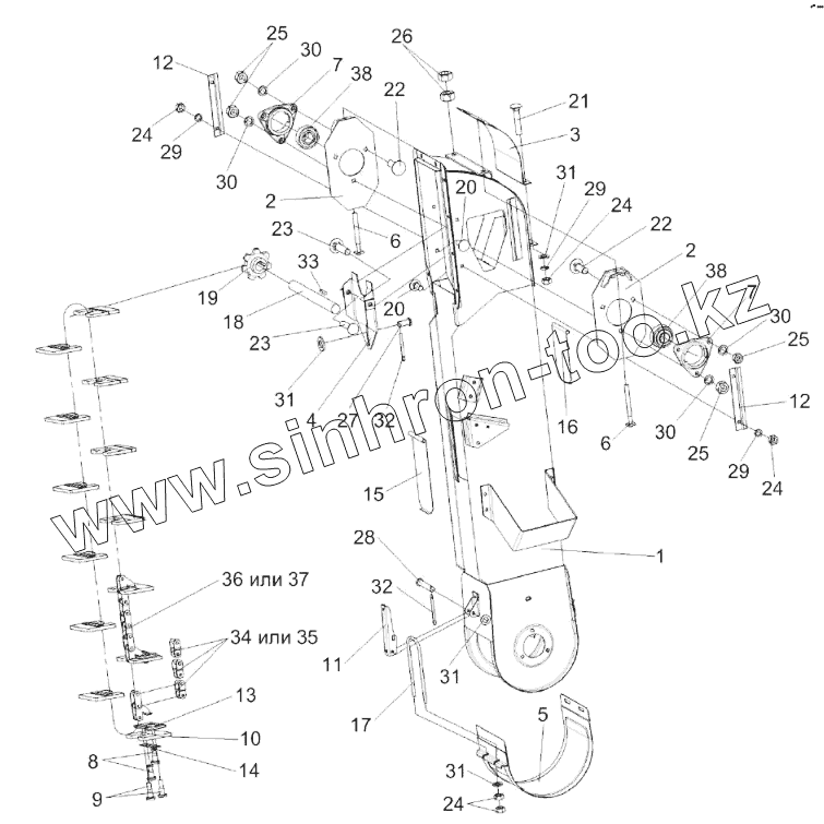
Элеватор колосовой КЗК 0208000А-02
Стан решетный верхний КЗК 0260000Б-01
Доска стрясная КЗК 0280000А
Контрпривод вариатора КЗК-7-0202500Б
Шкив КЗК-8К-0202030
Пружина КЗК-8К-0202250
Рычаг КЗК-8К-0202260
Пружина КЗК 0202840А
Тяги КЗК-8-0100560 и КЗК-10-0100560
Шасси КЗК-8К-0111000 (лист 1)
Шасси КЗК-8К-0111000 (лист 2)
Мост ведущий КЗК-8-0107000 и КЗК-8-0107000-01
Редуктор бортовой правый УЭС 0107070А-04 (лист 1)
Редуктор бортовой правый УЭС 0107070А-04 (лист 2)
Редуктор бортовой левый УЭС 0107150-03 (лист 1)
Редуктор бортовой левый УЭС 0107150-03 (лист 2)
Редуктор бортовой КЗК-10-0107200-04 (лист 1)
Редуктор бортовой КЗК-10-0107200-04 (лист 2)
Редуктор бортовой КЗК-10-0107200 (лист 1)
Редуктор бортовой КЗК-10-0107200 (лист 2)
Диск нажимной МК-23М.03.030А
Водило МК-23М.03.160
Водило КЗК-10-0107210
Колесо зубчатое МК-23М.03.210
Гидроцилиндр тормоза МК-23М.03.220А
Коробка диапазонов 3518020-46150 (корпус, крышки)
Коробка диапазонов 3518020-46150 (валы, шестерни)
Дифференциал 3518020-43190
Механизм переключения диапазонов 3518020-46160
Гидроцилиндр блокировки диапазонов 3518020-46330
Муфта КВС-1-0107050
Муфта КВС-1-0107060
Мост управляемых колес КЗК-8К-0109000 (лист 1)
Мост управляемых колес КЗК-8К-0109000 (лист 2)
Мост управляемых колес КЗК-8К-0109000 (лист 3)
Тяга КЗК-8К-0109040
Гидроцилиндр УЭС-7-0109200
Вентилятор КЗК 0217000Б-01 (вид слева)
Вентилятор КЗК 0217000Б-01 (вид спереди)
Крылач КЗК 0217010Б
Блок шнеков КЗК 218010В
Стан решетный нижний КЗК 0240000
Установка колес КЗК-8К-0111100
Колесо УЭС-7-0110000 и УЭС-7-0110000-02
Колесо-8К-КЗК 0118000 и КЗК-8К-0118000-01
Пружина КЗК 0100580А
Рычаг КЗК 0100590
Установка щитка КЗК-8-0100200
Элеватор зерновой КЗК 0214000Б-01(лист 1)
Элеватор зерновой КЗК 0214000Б-01 (лист 2)
Элеватор зерновой КЗК 0214000Б-01 (лист 3)
Элеватор зерновой КЗК 0214000Б-01 (лист 4)
Цепь элеватора КЗК 0214140А
Цепь элеватора КЗК 0214160А
Муфта фрикционная КЗК 0219100А
Шнек загрузной зерновой КЗК 0216000А
Раскосы КЗК 0216200Б и КЗК 0216200Б-01
Бункер КЗК-7-0229000-02 (лист 1)
Бункер КЗК-7-0229000-02 (лист 2)
Бункер КЗК-7-0229000-02 (лист 3)
Установка шнека КЗК 0206030Б
Крыша бункера КЗК-7-0204000
Шторы КЗК-10-0204330А и КЗК-10-0204330А-01
Установка вибродна КЗК-7-0226000
Вибропобудитель КЗК 0226010А
Привод горизонтального шнека КЗК-10-0221000
Привод вибратора КЗК 0223000Б
Рычаг КЗК 0223010
Тяга КЗК 0100560-03
Рычаг КЗК 0100620
Рычаг КЗК 0100680
Пружины КЗК 0100720 и КЗР 0202800А
Настил КЗК-8А-2-0100320
Пробоотборник КЗК-7-0203320
Шнек выгрузной КЗК-8-0206000-01 (лист 1)
Шнек выгрузной КЗК-8-0206000-01 (лист 2)
Установка копнителя КЗК-8К-2-0400000
Установка соломонабивателя КЗК-8К-2-0400050
Капот КЗК-8К-2-0400080
Установка половонабивателя КЗК-8К-0400010
Установка привода половонабивателя КЗК-8К-0400020
Муфта КЗК-8К-0400320
Установка привода соломонабивателя КЗК-8К-0400030
Натяжник КЗК-8К-0400460
Установка днища копнителя КЗК-8К-0400040
Днище КЗК-8К-0400160
Тяга КЗК-8К-0400520
Боковина правая КЗК-8К-0400060
Боковина левая КЗК-8К-2-0400070
Датчик заполнения КЗК-8К-0400090
Ограждение КЗК-8К-0400130
Клапан КЗК-8К-0400140
Датчик выгрузки КЗК-8К-0400150
Установка гидросистемы копнителя КЗК-8К-0602090
Дроссель с обратным клапаном КЗК 0602520А-02
Гидроцилиндр заслонки копнителя КЗК-8К-0602510
Установка двигателя КЗК-8А-2-0106000
Установка двигателя ЯМЗ-236 НЕ 2-47 КЗК-8А-2-0106010 (лист 1)
Установка двигателя ЯМЗ-236 НЕ 2-47 КЗК-8А-2-0106010 (лист 2)
Установка главного привода КЗК-8А-2-0106030
Главный привод КЗК-8А-2-0106270
Установка блока радиаторов КЗК-8А-2-0106040
Блок радиаторов КЗК-8А-2-0106050
Воздухозаборник КЗК-8А-0112000 (лист 1)
Воздухозаборник КЗК-8А-0112000 (лист 2)
Воздухозаборник КЗК-8А-0112000 (лист 3)
Контрпривод КЗК 0112080А
Рычаг КЗК 0112180А
Рычаг КЗК 0112210А
Экран вращающийся КЗК-8А-0112020
Пружины КЗС 0131210 и КЗС 0131210-01
Установка глушителя КЗК-8А-2-0106060
Установка бачка расширительного КЗК-8А-2-0106070
Установка сливных рукавов КЗК-8А-2-0106300
Привод гидронасоса КЗК-8А-2-0222500
Установка воздухоочистителя КЗК-8А-2-0106080
Воздухозаборник вращающийся КЗК-12-3-0126420
Электрооборудование установки двигателя
Установка вентилятора КЗК-8А-0112100
Вентилятор КЗК-8А-0112070
Привод главного контрпривода КЗК 0220000А
Привод насоса ходовой части КЗК-8А-2-0222000
Муфта КЗК 0222100
Установка бака топливного КЗК-8А-2-0126000 (лист 1)
Установка бака топливного КЗК-8А-2-0126000 (лист 2)
Кабина КЗК-12-0120000-01 (лист 1)
Кабина КЗК-12-0120000-01 (лист 2)
Кабина КЗК-12-0120000-01 (лист 3)
Кабина КЗК-12-0120000-01 (лист 4)
Каркас КЗК-12-0120010
Дверь КЗК-12-0120330
Дверь КЗК-12-0120360
Установка стеклоочистителей КЗК-12-0120810 и КЗК-12-0120810-01
Электрооборудование кабины КЗК-12-0120000-01
Установка климатическая КЗК-7-0113000А-02
Установка компрессора КЗК-7-0113030-02 (лист 1)
Установка компрессора КЗК-7-0113030-02 (лист 2)
Компрессор КВС-1-0150630-01
Установка испарителя КЗК-7-0113040-01
Установка стеклоомывателя КЗК-12-0120460-01
Установка зеркала КЗК 0100520
Площадка управления КЗК-8К-0119000
Рулевая колонка КЗК-8К-0119230
Установка насоса-дозатора КГС 0125010
Установка электрооборудования колонки рулевой КЗК-812С-1-0723000
Установка колеса рулевого КЗК-12-0122600
Пульт управления КЗК-8К-0119500
Установка электрооборудования пульта управления КЗК-8К-0725000
Рычаг КЗК-12-0119440Б
Кронштейн КЗК-7-0119350А
Установка сиденья КЗК-12-0119290Б
Сиденье КЗК-12-0119290Б
Рычаг КЗК-12-0119920Б
Электрооборудование блока управления КЗК-12-0119890А
Рычаги и трубопроводы площадки управления
Привод управления КЗС 0119600
Кардан 50-3401060
Установка колонки привода УЭС 0300710
Колонка привода УЭС 0300710
Установка механизма управления коробкой диапазонов КЗК-8-0119040
Блок переключения КЗК-8-0119060
Шток КЗК-8-0119120
Установка стояночного тормоза КЗК-8-0119100
Установка трубопроводов моста ведущих колёс КЗК-8-0119250
Установка троса ГСТ КЗК-8-0119150
Установка тросов управления двигателем КЗК-8А-2-0119300
Установка капотов и ограждений КЗК-8К-0128000-01 (лист 1)
Установка капотов и ограждений КЗК-8К-0128000-01 (лист 2)
Панель КЗК-8К-0128260
Панель КЗК-8К-0128270
Подрамник КЗК-8-0121000-01
Крыша КЗК-8А-2-0124000
Установка трапа КЗК-7-0117000
Механизм фиксации трапа КЗС 0117100
Гидросистема привода ходовой части КЗК-8А-0601000 (лист 1)
Гидросистема привода ходовой части КЗК-8А-0601000 (лист 2)
Бак масляный КЗК 0601010А
Фильтр КЗК-8-0601050
Рукав сборный КЗК-12-0601600-01
Гидросистема рулевого управления и силовых гидроцилиндров КЗК-8К-0602000 (лист 1)
Гидросистема рулевого управления и силовых гидроцилиндров КЗК-8К-0602000 (лист 2)
Гидросистема рулевого управления и силовых гидроцилиндров КЗК-8К-0602000 (лист 3)
Гидросистема рулевого управления и силовых гидроцилиндров КЗК-8К-0602000 (лист 4)
Гидроблок накопителя КЗК-8К-0602300
Фильтр сливной КЗК-8К-0602310
Фильтр УЭС 0603570-02
Гидроцилиндр КЗК 0602060-02
Дроссель с обратным клапаном КЗК 0602520А-01
Полумуфта внутренняя КЗК 0602620, КЗК 0602620-01, КЗК 0602620-02
Гидроцилиндр КЗК-8-0602500
Гидроцилиндр КЗК-12-0602310
Фильтр напорный КЗК-12-0602570
Гидромотор КЗК-12-0601500-01
Гидроцилиндр КЗК 0602290-01
Гидроцилиндр КЗК 0602510
Установка электрооборудования молотилки КЗК-8К-0721000 (лист 1)
Установка электрооборудования молотилки КЗК-8К-0721000 (лист 2)
Установка электрооборудования молотилки КЗК-8К-0721000 (лист 3)
Установка электрооборудования молотилки КЗК-8К-0721000 (лист 4)
1
2
2
3
4
5
6
6
7
7
8
9
10
11
12
12
13
14
15
16
17
18
19
20
20
21
22
22
23
23
24
24
24
24
25
25
25
26
27
28
29
29
29
30
30
30
30
31
31
31
31
32
32
33
34
35
36
37
38
38
Позиция на иллюстрации
Заводской номер детали
Название детали
КЗР0208080Б
КЗР0208080Б
Цепь элеватора
КЗК0208000А-02
КЗК0208000А-02
Элеватор колосовой
1
КЗК0208010А-02
Корпус
2
КЗР0208070Б
Пластина
3
КЗР0208090Б
Крышка
4
КЗР0208120Б
Вставка
5
КЗР0208200
Крышка
6
КЗР0208240
Тяга
7
КЗР0101106
Корпус подшипника
8
КЗР0106607Б
Заклепка
9
КЗР0106607Б-01
Заклепка
10
КЗР0208001Б-01
Скребок
11
КЗР0208432А
Рычаг защелки
12
КЗР0208433А
Накладка
13
КЗР0208435Б-01
Накладка
14
КЗР0208436Б
Жесткость
15
КЗР0208441А
Крышка
16
КЗР0208442
Крышка
17
КЗР0208601А
Скоба защелки
18
КЗР0208604Б
Вал
19
КЗР0218604Г-01
Звездочка
20
БолтМ8-6ех20-7802
Болт М8-6ех20-7802
21
БолтМ8-6ех35-7802
Болт М8-6ех35-7802
22
БолтМ10-6ех30-7802
Болт М10-6ех30-7802
23
БолтМ10-6ех40-7802
Болт М10-6ех40-7802
24
ГайкаМ8-6G-5915
Гайка М8-6G-5915
25
ГайкаМ10-6G-5915
Гайка М10-6G-5915
26
ГайкаМ12-6G-5915
Гайка М12-6G-5915
27
Ось6-8b12х18-9650
Ось 6-8 b12х18-9650
28
Ось6-8b12х50-9650
Ось 6-8b12х50-9650
29
Шайба8Т.65Г-6402
Шайба 8Т.65Г-6402
30
Шайба10Т.65Г-6402
Шайба 10Т.65Г-6402
31
ШайбаС.8.01-11371
Шайба С.8.01-11371
32
Шплинт2х16-397
Шплинт 2х16-397
33
Шпонка8х7х40-23360
Шпонка 8х7х40-23360
34
П-ТРД-38-4600
Звено П-ТРД-38-4600
35
П-ТРД-38-46
Звено П-ТРД-38-46
36
ТРД-38-4600-2-2-6-6
Цепь
37
ТРД-38-46-2-2-6-6
Цепь
38
1680206С17
Подшипник
Содержащиеся в справочниках-каталогах запасные части и детали не предлагаются к продаже, а носят исключительно информационный характер
Дополнительная информация
×
Название:
Номер:
Примечание: