Вернуться на главную
Поиск
Каталоги запчастей к технике
Сельхозтехника
Гомсельмаш
КЗС-1624-1
Камера наклонная КЗК-1420-1800010
Каталог запасных частей к технике: Гомсельмаш КЗС-1624-1. Камера наклонная КЗК-1420-1800010
zoom-in
zoom-out
enlarge
shrink
circle-right
circle-left
file-text2
info
cart
Тип техники
Не выбрано
Легковые автомобили
Грузовые автомобили и прицепы
Автобусы
Сельхозтехника
Спецтехника
Двигатели
Мототехника
Марка
Не выбрано
AGCO
Amity
CASE IH
DongFeng
Fortschritt
Foton
Franz Kleine
Gaspardo
Great Plains
KRONE
KUHN
Lemken
Lovol
MacDon
Massey Ferguson
New Holland
TIGARBO
Vaderstad
Versatile
Wirax
Агро
Агротехмаш
Бобруйскагромаш (ОАО «УКХ «Бобруйскагромаш»)
БЭМЗ
ВгТЗ
Воронежсельмаш
ВТЗ
Гомсельмаш
ДКЗ
ЗАО "Техника-сервис"
ЗиД
КЗК
Кировец-Ландтехник
Клевер
Красная Звезда
Лидагропроммаш
Лидсельмаш
ЛТЗ
Машстройхолдинг
Минитракторы
Мордовагромаш
МТЗ
Навигатор-Новое машиностроение
Нефтекамский автозавод
ПТЗ
Ремком
РСМ
Сибсельмаш
ТеКЗ
ТКЗ
ХЗТСШ
ХТЗ
ЮМЗ
Модель
Не выбрано
FS80-2 (2017)
KЗС-812 (2016)
KЗС-812 (2017)
KЗС-812 (2018)
KЗС-812 (2021)
KЗС-812 (ПАЛЕССЕ GS812 PRO) (2022)
KЗС-812 (ПАЛЕССЕ GS812) (2021)
KС-100 (2020)
KС-100 (2021)
KС-100 (2022)
KС-150С (2022)
KС-200 (2017)
MS280F (2022)
ЖГР-4.5-1 (2011)
ЖГР-4.5-1 (2018)
ЖЗК-5-1 (2021)
ЖЗК-5-2 (2021)
ЖЗК-6-5 (2008)
ЖЗК-6-5 (2020)
ЖЗК-7-5 (2008)
ЖЗК-7-5 (2011)
ЖЗК-7-7 (2020)
ЖЗК-9 (2020)
ЖЗС-6, 7 (2010)
ЖЗС-9-1 (2018)
ЖЗС-9-2 (2018)
ЖЗС-9-2 (2020)
ЖЗС-9-2 (2021)
ЖР-5 (2021)
КВК-1-0900000 (2018)
КВК-1-0900000 (2021)
КВК-6025 (2015)
КВК-800 (FS80) (2017)
КВК-800 (FS80-2) (2010)
КВК-800 (FS80-2) (2014)
КВК-800 (FS80-5) (2013)
КВК-800 (FS80-5) (2016)
КВК-800 (FS80-7) (2017)
КВК-800 ПАЛЕССЕ FS80-2 (2019)
КВК-800-8 ПАЛЕССЕ FS80-8 (2018)
КВК-800-8 ПАЛЕССЕ FS80-8 (2021)
КВК-8060 (2012)
КВК-8060 (2017)
КВК-8060 (2021)
КВК-8060 (2021)
КВС-1-3900000 (2007)
КВС-4-3900000 (2010)
КГС-0200000 (2010)
КГС-0800000 (2010)
КГС-0900000 (2010)
КДП-3000 Палессе FT40 (2008)
КЗР-10 (2007)
КЗС-10К (ПОЛЕСЬЕ) (2005)
КЗС-10К Палессе GS10 (2012)
КЗС-10К Палессе GS10 (2013)
КЗС-10К Палессе GS10 (2018)
КЗС-10К Палессе GS10 (2021)
КЗС-1218 (ПАЛЕССЕ GS12) дополнение 1 (2020)
КЗС-1218 (ПАЛЕССЕ GS12) дополнение 2 (2020)
КЗС-1218 часть 1 (2013)
КЗС-1218 часть 2 (2013)
КЗС-1218А-1 (2015)
КЗС-1218А-1 (2018)
КЗС-1218А-1 (2019)
КЗС-1218А-1 (ПАЛЕССЕ GS12 А1) Дополнение (2020)
КЗС-1420 часть 1 (2014)
КЗС-1420 часть 2 (2014)
КЗС-1624-1 (2014)
КЗС-1624-1 (2017)
КЗС-2124КР (2018)
КЗС-3221КР ПАЛЕССЕ GH800 (2021)
КЗС-4118К ПАЛЕССЕ GS 4118 (2019)
КЗС-575 (2016)
КЗС-7 (2010)
КЗС-812 (2013)
КЗС-812С (2011)
КЗС-812С (2014)
КОК-6 (2011)
КОК-6-3, КОК-6-3-01, КОК-6-3-02 (2020)
КОК-8-2 (2012)
КОК-8-4 (2018)
КПК Полесье-3000
КПК Полесье-3000 (2006)
КПК-3000 (ПАЛЕССЕ FH40) (2010)
КПК-3000А (Палессе FH40A) (2010)
КПР-6 (2005)
КПР-9 Полесье-СН-90 (2006)
КСК-100А (2002)
КСК-100А-3 (2005)
КСК-600 (2007)
КСК-600 (2011)
КСК-600 (2015)
КСК-600 (2017)
КСК-600А (2020)
КСН-6 (2005)
ПЗ (2019)
ПКК-0200000А-06 (2010)
ПКК-0350000 (2010)
ПКК-0400000А (2010)
ПКК-0460000 (2010)
ПКК-1-0350000А (2010)
ПР (2019)
ПР-9 (2021)
Приспособление ПР-4 (2013)
СТВ-12 (2005)
УЭС Полесье-250 (2006)
УЭС-2-250А (2010)
УЭС-2-280А (2010)
УЭС-2-280А (2018)
УЭС-2-280А ПАЛЕССЕ 2U280А (2020)
УЭС-280 (2017)
УЭС-280 ПАЛЕССЕ U280 (2020)
Схема
>
Не выбрано
Молотилка самоходная КЗК-16-1-0100000 (вид слева)
Молотилка самоходная КЗК-16-1-0100000 (вид справа)
Установка камеры наклонной КЗК-1420-1800000
Установка камеры наклонной КЗК-1420-1800000
Установка камеры наклонной КЗК-1420-1800000
Ограждение КЗК-1420-1800100
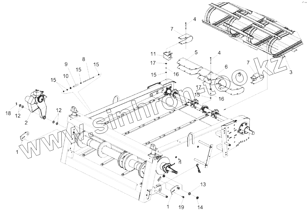
Камера наклонная КЗК-1420-1800010
Камера наклонная КЗК-1420-1800010
Камера наклонная КЗК-1420-1800010
Камера наклонная КЗК-1420-1800010
Камера наклонная КЗК-1420-1800010
Камера наклонная КЗК-1420-1800010
Гидросистема наклонной камеры комбайна КЗС-1420 КЗК-1420-0679000
Гидроблок поперечного копирования и реверса наклонной камеры КЗК-1420-0679300
Реверс КЗК-1420-1804000
Гидроцилиндр реверса наклонной камеры КЗК-1420-0679510
Вал нижний КЗК-1420-1806000
Транспортер КЗК-1420-1807000
Установка привода и вентилятора КЗК-1420-1809000
Шкив КЗК-1420-1800290
Муфта предохранительная КЗК-1420-1800420
Вентилятор КЗК-1420-1808000
Вентилятор КЗК-1420-1808030
Ролик натяжной КЗК-1420-1808070. Ролик КЗК-1420-1809020
Установка привода наклонной камеры КЗК-14-0125000А
Гидромуфта КЗК-14-0125040
Шкив КЗК-14-0125080
Пружина КЗК-14-0125090 и КЗК-14-0125110
Устройство натяжное КЗК-14-0125140
Устройство натяжное КЗК-14-0125170
Очистка КЗК-16-1-0202000
Очистка КЗК-16-1-0202000
Очистка. Установка привода главного контрпривода КЗК-16-1-0220000
Очистка. Установка шкивов КЗК-14-0202170 и КЗК-14-0290420
Очистка. Установка шкива обводного КЗК-14-0202190
Очистка. Установка стана решётного верхнего КЗК-14-0260000А
Очистка. Установка стана решётного верхнего КЗК-14-0260000А
Очистка. Установка доски стрясной КЗК-14-0280000
Очистка. Установка стана решетного нижнего КЗК-14-0240000А
Очистка. Установка вариатора КЗК-1420-0108010
Стяжка КЗК-1420-0202090 и рычаг КЗК-14-0202230
Рычаг КЗК-1420-0202260 и шкив обводной КЗК-14-0202190
Привод вариатора КЗК-14-0202400
Установка привода вентилятора КЗК-1420-0202450
Контрпривод вариатора КЗК-1420-0202500
Вариатор КЗК-1420-0108010
Установка вентилятора отсоса пыли КЗК-1420-0112000
Вентилятор КЗК-14-0112010А
Электромеханизм КЗК-1420-0701080
Электромеханизм подбарабанья КЗК-10-0701400
Установка механизма удерживания КЗК-14-0202060А
Рычаг КЗК-14-0202200
Установка элеваторов и шнеков КЗК-14-0207000
Элеватор колосовой КЗК-14-0208000А
Цепь элеватора КЗК-14-0208100
Элеватор зерновой КЗК-14-0214000
Элеватор зерновой КЗК-14-0214000
Звёздочка натяжная КЗК-14-0214160
Установка цепной передачи КЗК-14-0214500Б
Шнек распределительный КЗК-14-0218010
Шкив КЗК-14-0220160А и шкив КЗ 0220120А
Стан решетный нижний КЗК-14-0240000А
Грохот смонтированный КЗК-14-0240010А
Заслонка половы КЗК-14-0240020 и КЗК-14-0240020-01
Решето КЗК-14-0240100А КЗК-14-0240100-01
Стан решетный верхний КЗК-14-0260000А
Профиль пальцевый КЗК-14-0260050А
Доска стрясная КЗК-14-0280000
Привод главного контрпривода КЗК-16-1-0220000
Ролик обводной КЗК-14-0220010
Рычаг КЗК-14-0220060А
Гидроцилиндр главного привода КЗК-1420-0609500
Установка роторного соломосепаратора КЗК-16-1-0212000
Соломосепаратор роторный КЗК-16-1-0212020
Соломосепаратор роторный КЗК-16-1-0212020
Установка привода соломосепаратора КЗК-14-0212100А
Пружина КЗК-14-0212540А
Натяжник КЗК-14-0212510Б
Горловина КЗК-14-0212160А
Опора КЗК-14-0212250
Установка трубопроводов КЗК-14-0212300А
Капот КЗК-14-0228000
Редуктор КЗК-1624-0204100-02
Муфта КЗК-1624-0214520
Установка двигателя КЗК-16-1-0106000
Установка двигателя КЗК-16-1-0106000
Двигатель КЗК-16-1-0106010
Двигатель КЗК-16-1-0106010
Мультипликатор КЗК-1420-0114000
Установка топливопроводов КЗК-16-1-0126100
Амортизатор КЗК-10-0106160
Радиатор КЗК-16-1-0106040
Установка радиатора КЗК-16-1-0106050
Установка вентилятора КЗК-16-1-0106400
Воздухозаборник КЗК-16-1-0106700
Пылесъемник КЗК-12-3-0112130А
Установка глушителя КЗК-16-1-0106060
Установка бачка расширительного КЗК-16-1-0106070
Установка фильтра воздушного КЗК-16-1-0106080
Установка клапана предохранительного КЗК-16-1-0106300
Установка ограждений КЗК-16-1-0106430
Установка сливных рукавов КЗК-16-1-0106490
Установка электрооборудования моторной установки КЗК-16-1-0726000
Шасси КЗК-16-1-0111000
Шасси КЗК-16-1-0111000
Шасси КЗК-16-1-0111000
Аппарат молотильный КЗК-16-1-0102000
Аппарат молотильный КЗК-16-1-0102000
Аппарат молотильный КЗК-16-1-0102000
Аппарат молотильный КЗК-16-1-0102000
Крышка КЗК-1420-0102040
Пружина КЗК-1420-0102110
Камнеуловитель КЗК-1420-0102230
Ролик КЗК-1420-0102320
Шкив КЗК-1420-0102340
Установка датчика положения КЗК-1420-0102360
Опоры КЗК-1420-0102420 и КЗК 0102350
Рычаг КЗК-1420-0102440
Заслонка барабана КЗК-1420-0102750
Установка механизма подъема подбарабаний КЗК-1420-0115000
Электромеханизм подбарабанья КЗК-1420-0701070
Барабан ускоряющий КЗК-14-0102600
Подбарабанье переднее КЗК-14-0103100А
Подбарабанье заднее КЗК-1420-0103200
Барабан молотильный КЗК-14-0104010
Битер отбойный КЗК-14-0105010
Привод молотильного барабана КЗК-14-0134000
Рычаг КЗК-14-0134010
Пружина КЗК-14-0134040
Опора КЗК-1624-0134050А
Крышка КЗК-1624-0134070
Редуктор КЗК-1624-0311000
Водило КЗК-1624-0311020
Щиток КЗ 0104060
Мост ведущих колес КЗК-1420-0107000
Мост ведущих колес КЗК-1420-0107000
Редукторы бортовые КЗК-14-0107020-01 (изображен) и КЗК-14-0107020 (зеркальное отражение)
Редукторы бортовые КЗК-14-0107020-01 (изображен) и КЗК-14-0107020 (зеркальное отражение)
Водило УЭС-16-0107230
Колесо зубчатое КВК 0106140
Коробка передач КЗК-1624-0107030
Коробка передач КЗК-1624-0107030
Блок дифференциала КЗК-1624-0107210
Вал КЗК-1624-0107220
Вилка КЗК-1624-0107230
Мост управляемых колес КЗК-1420-0109000
Мост управляемых колес КЗК-1420-0109000
Тяга КЗК-1420-0109060
Гидроцилиндр УЭС-7-0109200
Установка вентилятора очистки КЗК-1420-0217500
Вентилятор очистки КЗК-14-0217000
Защита вентилятора КЗК-14-0100900
Установка колес КЗК-1420-0100040
Установка бункера КЗК-16-1-0203000
Бункер КЗК-16-1-0203010
Бункер КЗК-16-1-0203010
Бункер КЗК-16-1-0203010
Бункер. Установка шнеков горизонтальных КЗК-14-0206060А и КЗК-14-0206070А
Бункер. Установка шнека вертикального КЗК-14-0206650Б
Бункер. Установка шнека загрузки КЗК-14-0216000
Шнек загрузки КЗК-14-0216000
Редуктор КЗК-14-0245100-01
Стаканы КЗК-14-0245010 и КЗК-14-0245020
Установка шкафа электрического КЗК-14-0116000
Шкаф электрический КЗК-14-0116010
Установка крыши бункера КЗК-14-0204000Б
Клин КЗК-14-0204030А
Редуктор КЗК-14-0209000
Стакан КЗК-14-0209010
Крышки КЗК-14-0209030 и КЗК-14-0209050
Установка системы выгрузки КЗК-1420-0206000
Отвод с редуктором КЗК-1420-0206110
Редуктор КЗК-14-0210000
Стакан КЗК-14-0210010
Гидроцилиндр поворота выгрузного шнека КЗК-1420-0602500
Установка привода выгрузки КЗК-14-0221000А
Устройство натяжное КЗК-14-0221100А
Муфта КЗК-14-0221190
Механизм натяжения КЗК-14-0221230А
Гидроцилиндр выгрузки зернового бункера КЗК-1420-0609510
Установка соломоизмельчителя КЗК-16-1-0290500
Соломоизмельчитель КЗК-16-1-0290000
Шкив КЗК-16-1-0290090
Опора ножевая КЗК-1420-0290030
Ротор измельчителя КЗК-1420-0290140
Заслонка КЗК-16-1-0290160
Дефлектор КЗК-1420-0290020
Граблины КЗК-1420-0290100 и КЗК-1420-0290100-01
Установка газовых пружин КЗК-1420-0290080 и КЗК-1420-0290080-01
Установка привода соломоизмельчителя КЗК-14-0290400А
Контрпривод КЗК-14-0290410А
Натяжник КЗК-14-0290510А
Натяжник КЗК-14-0290570
Пружина КЗК-14-0290750
Пружина КЗК-14-0290800А
Установка первой ступени привода соломоизмельчителя КЗК-16-1-0290900
Гидроцилиндр соломоизмельчителя КЗК-1420-0609520
Установка кабины КЗК-14-0120000-01
Кабина КЗК-14-0120010-01
Площадка управления КЗК-1420-0119000-01
Площадка управления КЗК-1420-0119000-01
Сиденье КЗК-1420-0119040-01
Пульт управления КЗК-1420-0119050-01
Установка электрооборудования пульта КЗК-16-1-0725000
Подлокотник КВК 0129180
Привод КВК 0129310Б
Колонка рулевая КЗК-1420-0119230
Привод КЗК-1420-0119240
Привод управления КВК 0129250
Кардан 50-3401060
Насос-дозатор КЗК-1420-0602110
Установка колеса рулевого КЗК-12-0122300
Электромонтаж колонки рулевой КЗК-1420-0723000
Дверь КВК 0120320-01
Дверь КВК 0120360-01
Установка электрооборудования кабины КЗК-1420-0722000
Установка тормозных трубопроводов КЗК-1420-0119100
Установка климатическая КЗК-16-1-0113000
Установка оборудования кондиционера КЗК-16-1-0113010
Установка компрессора КЗК-16-1-0113030
Компрессор КВС-1-0150630-01
Установка конденсатора КЗК-16-1-0113050
Установка хомута КЗК-1420-0113070
Установка ресивера КЗК-8-3-0113050
Установка испарителя КЗК-16-1-0113020
Установка блока испарительно-отопительного КЗК-1420-0113060
Установка крана отопителя КЗК-8-3-0113070
Установка прижима КЗК-8-3-0113100
Установка подрамника кабины КЗК-14-0133000А
Установка трапа КЗК-14-0117000А
Рама КЗК-14-0117010
Кронштейн КЗК-12-0117020А
Трап КЗК-12-0117030А
Тяга КЗК-12-0117090А
Установка ступеньки КЗК-1420-0100050
Установка короба маслопроводов КЗК-1420-0100060
Установка ограждения КЗК-1420-0100100
Установка крыши моторного отсека КЗК-16-1-0124000
Замок КВС-1-0160240
Установка рамы опорной КЗК-16-1-0124070
Установка капотов и ограждений КЗК-1420-0128000
Капот левый КЗК-1420-0128010
Капот правый КЗК-1420-0128020
Щиток КЗК-1420-0128140
Установка площадки обслуживания моторной установки КЗК-16-1-0131000
Лестница КЗК-1420-0131830
Установка опор капотов КЗК-1420-0132000
Установка капотов КЗК-1420-0132100
Установка ящика аккумуляторного КЗК-14-0129000
Гидросистема привода ходовой части комбайна КЗС-1624-1 КЗК-16-1-0601000
Бак масляный КЗК-1420-0601010
Жгут датчика фильтра КВК 0700300
Гидроблок управления переключением передач КЗК-1420-0601300
Установка зажима ГПО 0601280
Полумуфта внутренняя КВК 0601450
Гидроблок доворота вала мотора ГСТ УЭС-16-0601060
Установка гидромотора КЗК-1420-0100070
Гидромотор КЗК-1420-0601200
Гидросистема рулевого управления и силовых гидроцилиндров комбайна КЗС-1624-1 КЗК-16-1-0602000
Гидросистема рулевого управления и силовых гидроцилиндров комбайна КЗС-1624-1 КЗК-16-1-0602000
Гидросистема рулевого управления и силовых гидроцилиндров комбайна КЗС-1624-1
Гидроблок демпфирования КЗК-1420-0602300
Гидроблок односекционный КЗК-1420-0602310
Гидроблок двухсекционный КЗК-1420-0602330
Фильтр напорный КЗК-1420-0602340
Установка гидронасосов КЗК-16-1-0100200
Гидронасос двухсекционный КЗК-1420-0601100
Тройник ввертный КЗК-1420-0601610
Установка гидронасоса рулевого управления КЗК-1420-0602130
Гидронасос двухсекционный КЗК-16-1-0602100 и КЗК-16-1-0602140
Гидронасос двухсекционный КЗК-16-1-0602110 и КЗК-16-1-0602160
Гидросистема привода радиатора комбайна КЗС-1624-1 КЗК-16-1-0604000
Гидроблок вентилятора КЗК-16-1-0604320
Радиатор масляный КЗК-16-1-0604490
Установка зажимов ГПД 0601220, ГПД 0601280 и ГПО 0601280
Гидросистема привода стояночного тормоза комбайна КЗС-1624-1 КЗК-16-1-0606000
Гидросистема привода стояночного тормоза комбайна КЗС-1624-1 КЗК-16-1-0606000
Блок пневмогидроаккумуляторов КЗК-1420-0606370
Клапан зарядки пневмогидроаккумулятора КЗК-16-1-0606390
Блок клапанов КЗК-1420-0606410 и КЗК-1420-0606410-01
Клапан электроуправляемый КВК 0606340Б и КВК 0606350А
Гидросистема привода мотовила комбайна КЗС-1420 КЗК-1420-0608000
Клапан промывочный КЗК-1420-0608310
Разъем многофункциональный КЗК-1420-0608330
Установка привода гидронасоса мотовила КЗК-16-1-0127000
Рычаг КЗК-14-0127010А
Гидронасос КЗК-1420-0608110
Стяжка КЗК-14-0127020А
Гидросистема низкого давления комбайна КЗС-1624-1 КЗК-16-1-0609000
Гидроблок низкого давления КЗК-1420-0609300
Клапан низкого давления КЗК-16-1-0609310
Установка топливной системы КЗК-16-1-0126000
Установка топливной системы КЗК-16-1-0126000
Клапан сливной КВС-1-0101180
Пневмосистема КЗС-1624-1 КЗК-16-1-0800000
Ресивер КЗК-16-1-0800030
Ресивер КЗК-16-1-0800050
Регулятор давления КЗК-16-1-0800190
Пневмовывод КВК 0800110
Установка электрооборудования молотилки КЗК-16-1-0721000
Установка электрооборудования молотилки КЗК-16-1-0721000
Установка электрооборудования молотилки КЗК-16-1-0721000
Установка электрооборудования молотилки КЗК-16-1-0721000
Блок реле КЗК-16-1-0700890
Панель шкафа КЗК-16-1-0700880
Панель модулей верхняя КЗК-1420-0701160
Модуль трансмиссии КЗК-1420-0701200
Модуль жатки КЗК-1420-0701600
Панель модулей нижняя КЗК-1420-0701170
Модуль базовый КЗК-1420-0701300
Модуль синхронизации КЗК-1420-0701880
Датчик потерь соломотряса КЗК-1420-0701640
Модуль потерь КЗК-1420-0701700
Датчик потерь зерна после очистки КЗК-1420-0701740
Модуль управления решет КЗК-1420-0701850
Схема приводов комбайна КЗС-1624-1 (вид слева)
Схема приводов комбайна КЗС-1624-1 (вид справа)
1
1
2
3
4
4
5
5
6
7
7
8
9
10
11
12
12
13
14
15
15
15
15
15
16
16
17
17
18
19
Позиция на иллюстрации
Заводской номер детали
Название детали
КЗК-12-1800010
КЗК-12-1800010
Винт
КЗК-1420-1800010
КЗК-1420-1800010
Камера наклонная
1
КЗК-1420-1800180
Упор
2
КЗК-1420-1804000
Реверс
3
КЗК-1420-1807000
Транспортер
4
КЗК-12-1800210
Болт
5
КЗК-1420-1803401
Кожух
6
КЗК-1420-1803402
Кожух
7
КЗК-1420-1803403
Кожух
8
КЗК-12-1800605И1
Шпилька
9
КЗК1770619
Пружина
10
КЗК-12-1800625
Втулка
11
КЗК-12-1810001
Корпус
12
КПР9206404
Шайба
13
КСН-2-0104615
Шайба
14
ГайкаМ24Х2-6g-2526
Гайка М24Х2-6g-2526
15
ГайкаМ8-6g-5915
Гайка М8-6g-5915
16
Шайба8.65Г-6402
Шайба 8.65Г-6402
17
ШайбаC8.01-6958
Шайба C 8.01-6958
18
Шплинт4Х40-397
Шплинт 4Х40-397
19
БолтМ12Х25-8.8-A-A3G
Болт М12Х25-8.8-A-A3G
Содержащиеся в справочниках-каталогах запасные части и детали не предлагаются к продаже, а носят исключительно информационный характер
Дополнительная информация
×
Название:
Номер:
Примечание: