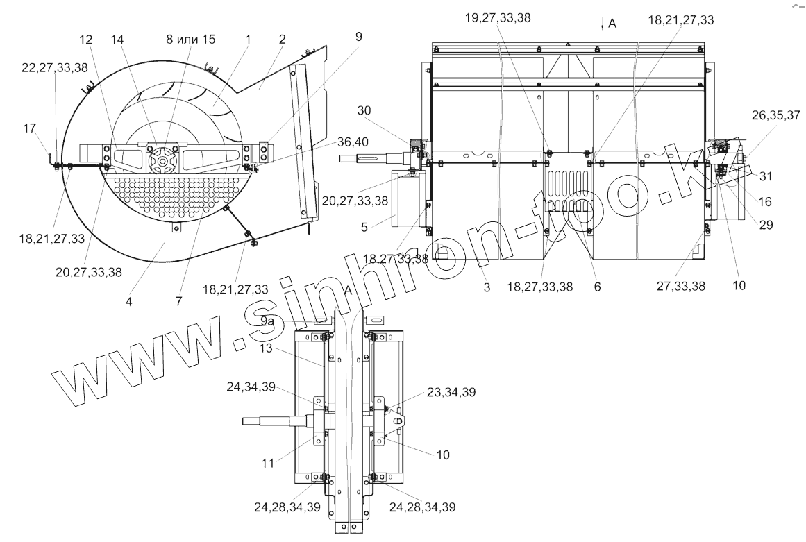
Каталог запасных частей к технике: Гомсельмаш КЗС-1218 часть 1. Вентилятор КЗК-10-0217000
КЗК-10-0217000
1
2
3
4
5
6
7
8
9
10
10
11
12
13
14
15
16
17
18
18
18
18
18
19
20
20
21
21
21
22
23
24
24
24
26
27
27
27
27
27
27
27
27
27
27
28
28
29
30
31
33
33
33
33
33
33
33
33
33
33
34
34
34
34
35
36
37
38
38
38
38
38
38
38
39
39
39
39
40
41
| Позиция на иллюстрации | Заводской номер детали | Название детали | |
|---|---|---|---|
| КЗК-10-0217000 | КЗК-10-0217000 | Вентилятор | |
| 1 | КЗК-10-0217020 | Крылач | |
| 2 | КЗК-10-0217100 | Кожух сдвоенный | |
| 3 | КЗК-10-0217160А | Поддон | |
| 4 | КЗК-10-0217160А-01 | Поддон | |
| 5 | КЗК-10-0217260А | Щиток | |
| 6 | КЗР0217240Б | Щиток | |
| 7 | КЗР0217260А | Щиток | |
| 8 | КЗР0217330 | Звездочка | |
| 9 | КЗК-10-0217310 | Кронштейн | |
| 10 | КЗР0217209Б | Корпус | |
| 11 | КЗР-10-0217209 | Корпус | |
| 12 | КЗР0217446 | Кронштейн | |
| 13 | КЗР0217446-01 | Кронштейн | |
| 14 | КЗР0217452А | Кронштейн | |
| 15 | КЗР0217604 | Звездочка | |
| 16 | КЗР0217611А | Втулка | |
| 17 | КЗР0217706 | Уголок | |
| 18 | УЭС-7-0400405 | Шайба | |
| 19 | БолтМ8-6gх16-7796 | Болт М8-6gх16-7796 | |
| 20 | БолтМ8-6gх20-7796 | Болт М8-6gх20-7796 | |
| 21 | БолтМ8-6gх25-7796 | Болт М8-6gх25-7796 | |
| 22 | БолтМ8-6gх30-7796 | Болт М8-6gх30-7796 | |
| 23 | БолтМ10-6gх16-7796 | Болт М10-6gх16-7796 | |
| 24 | БолтМ10-6gх25-7796 | Болт М10-6gх25-7796 | |
| 26 | БолтМ12-6gх30-7796 | Болт М12-6gх30-7796 | |
| 27 | ГайкаМ8-6G-5915 | Гайка М8-6G-5915 | |
| 28 | ГайкаМ10-6G-5915 | Гайка М10-6G-5915 | |
| 29 | 1.2-19853 | Масленка | |
| 30 | 680210А2НК7С17 | Подшипник | |
| 31 | 1680208С17 | Подшипник | |
| 33 | Шайба8Т.65Г-6402 | Шайба 8Т.65Г-6402 | |
| 34 | Шайба10Т.65Г-6402 | Шайба 10Т.65Г-6402 | |
| 35 | Шайба12Т.65Г-6402 | Шайба 12Т.65Г-6402 | |
| 36 | ШайбаС8.01-6958 | Шайба С8.01-6958 | |
| 37 | ШайбаС12.01-6958 | Шайба С12.01-6958 | |
| 38 | ШайбаС.8.01-11371 | Шайба С.8.01-11371 | |
| 39 | ШайбаС.10.01-11371 | Шайба С.10.01-11371 | |
| 40 | Шплинт2х20-397 | Шплинт 2х20-397 | |
| 41 | КЗК-10-0217310-01 | Кронштейн |
Содержащиеся в справочниках-каталогах запасные части и детали не предлагаются к продаже, а носят исключительно информационный характер