Вернуться на главную
Поиск
Каталоги запчастей к технике
Сельхозтехника
Гомсельмаш
КЗС-10К Палессе GS10
Вентилятор КЗК-10-0217000-01
Каталог запасных частей к технике: Гомсельмаш КЗС-10К Палессе GS10. Вентилятор КЗК-10-0217000-01
zoom-in
zoom-out
enlarge
shrink
circle-right
circle-left
file-text2
info
cart
Тип техники
Не выбрано
Легковые автомобили
Грузовые автомобили и прицепы
Автобусы
Сельхозтехника
Спецтехника
Двигатели
Мототехника
Марка
Не выбрано
AGCO
Amity
CASE IH
DongFeng
Fortschritt
Foton
Franz Kleine
Gaspardo
Great Plains
KRONE
KUHN
Lemken
Lovol
MacDon
Massey Ferguson
New Holland
TIGARBO
Vaderstad
Versatile
Wirax
Агро
Агротехмаш
Бобруйскагромаш (ОАО «УКХ «Бобруйскагромаш»)
БЭМЗ
ВгТЗ
Воронежсельмаш
ВТЗ
Гомсельмаш
ДКЗ
ЗАО "Техника-сервис"
ЗиД
КЗК
Кировец-Ландтехник
Клевер
Красная Звезда
Лидагропроммаш
Лидсельмаш
ЛТЗ
Машстройхолдинг
Минитракторы
Мордовагромаш
МТЗ
Навигатор-Новое машиностроение
Нефтекамский автозавод
ПТЗ
Ремком
РСМ
Сибсельмаш
ТеКЗ
ТКЗ
ХЗТСШ
ХТЗ
ЮМЗ
Модель
Не выбрано
FS80-2 (2017)
KЗС-812 (2016)
KЗС-812 (2017)
KЗС-812 (2018)
KЗС-812 (2021)
KЗС-812 (ПАЛЕССЕ GS812 PRO) (2022)
KЗС-812 (ПАЛЕССЕ GS812) (2021)
KС-100 (2020)
KС-100 (2021)
KС-100 (2022)
KС-150С (2022)
KС-200 (2017)
MS280F (2022)
ЖГР-4.5-1 (2011)
ЖГР-4.5-1 (2018)
ЖЗК-5-1 (2021)
ЖЗК-5-2 (2021)
ЖЗК-6-5 (2008)
ЖЗК-6-5 (2020)
ЖЗК-7-5 (2008)
ЖЗК-7-5 (2011)
ЖЗК-7-7 (2020)
ЖЗК-9 (2020)
ЖЗС-6, 7 (2010)
ЖЗС-9-1 (2018)
ЖЗС-9-2 (2018)
ЖЗС-9-2 (2020)
ЖЗС-9-2 (2021)
ЖР-5 (2021)
КВК-1-0900000 (2018)
КВК-1-0900000 (2021)
КВК-6025 (2015)
КВК-800 (FS80) (2017)
КВК-800 (FS80-2) (2010)
КВК-800 (FS80-2) (2014)
КВК-800 (FS80-5) (2013)
КВК-800 (FS80-5) (2016)
КВК-800 (FS80-7) (2017)
КВК-800 ПАЛЕССЕ FS80-2 (2019)
КВК-800-8 ПАЛЕССЕ FS80-8 (2018)
КВК-800-8 ПАЛЕССЕ FS80-8 (2021)
КВК-8060 (2012)
КВК-8060 (2017)
КВК-8060 (2021)
КВК-8060 (2021)
КВС-1-3900000 (2007)
КВС-4-3900000 (2010)
КГС-0200000 (2010)
КГС-0800000 (2010)
КГС-0900000 (2010)
КДП-3000 Палессе FT40 (2008)
КЗР-10 (2007)
КЗС-10К (ПОЛЕСЬЕ) (2005)
КЗС-10К Палессе GS10 (2012)
КЗС-10К Палессе GS10 (2013)
КЗС-10К Палессе GS10 (2018)
КЗС-10К Палессе GS10 (2021)
КЗС-1218 (ПАЛЕССЕ GS12) дополнение 1 (2020)
КЗС-1218 (ПАЛЕССЕ GS12) дополнение 2 (2020)
КЗС-1218 часть 1 (2013)
КЗС-1218 часть 2 (2013)
КЗС-1218А-1 (2015)
КЗС-1218А-1 (2018)
КЗС-1218А-1 (2019)
КЗС-1218А-1 (ПАЛЕССЕ GS12 А1) Дополнение (2020)
КЗС-1420 часть 1 (2014)
КЗС-1420 часть 2 (2014)
КЗС-1624-1 (2014)
КЗС-1624-1 (2017)
КЗС-2124КР (2018)
КЗС-3221КР ПАЛЕССЕ GH800 (2021)
КЗС-4118К ПАЛЕССЕ GS 4118 (2019)
КЗС-575 (2016)
КЗС-7 (2010)
КЗС-812 (2013)
КЗС-812С (2011)
КЗС-812С (2014)
КОК-6 (2011)
КОК-6-3, КОК-6-3-01, КОК-6-3-02 (2020)
КОК-8-2 (2012)
КОК-8-4 (2018)
КПК Полесье-3000
КПК Полесье-3000 (2006)
КПК-3000 (ПАЛЕССЕ FH40) (2010)
КПК-3000А (Палессе FH40A) (2010)
КПР-6 (2005)
КПР-9 Полесье-СН-90 (2006)
КСК-100А (2002)
КСК-100А-3 (2005)
КСК-600 (2007)
КСК-600 (2011)
КСК-600 (2015)
КСК-600 (2017)
КСК-600А (2020)
КСН-6 (2005)
ПЗ (2019)
ПКК-0200000А-06 (2010)
ПКК-0350000 (2010)
ПКК-0400000А (2010)
ПКК-0460000 (2010)
ПКК-1-0350000А (2010)
ПР (2019)
ПР-9 (2021)
Приспособление ПР-4 (2013)
СТВ-12 (2005)
УЭС Полесье-250 (2006)
УЭС-2-250А (2010)
УЭС-2-280А (2010)
УЭС-2-280А (2018)
УЭС-2-280А ПАЛЕССЕ 2U280А (2020)
УЭС-280 (2017)
УЭС-280 ПАЛЕССЕ U280 (2020)
Схема
>
Не выбрано
Молотилка самоходная КЗК-10-3-0100000 (вид справа)
Молотилка самоходная КЗК-10-3-0100000 (вид слева)
Молотилка самоходная КЗК-10-3-0100000 (вид спереди)
Электрооборудование молотилки самоходной КЗК-10-3-0100000 (вид слева)
Электрооборудование молотилки самоходной КЗК-10-3-0100000 (вид справа)
Электрооборудование молотилки самоходной КЗК-10-3-0100000 (вид сверху)
Электрооборудование молотилки самоходной КЗК-10-3-0100000 (вид спереди)
Электрооборудование шкафа распределительного КЗК-10-3-0700900
Шкаф электрический КЗК-10-3-0116000
Камера наклонная КЗК-12-1810000В-02
Установка транспортеров КЗК-12-1817000В
Основание КЗК-12-1810250
Установка вала верхнего КЗК-12-1813000Б
Муфта предохранительная КЗК 1873100
Установка ограждений КЗК-12-1800140 и КЗК-12-1800160
Установка вала КЗК-12-1800611
Гидрореверс КЗК-12-1804100
Гидроцилиндр КЗК-12-1790200А
Гидромотор КЗК-12-1790990А
Механизм продольного копирования КЗК-12-1805000
Установка вала нижнего КЗК-12-1816000Г
Камера наклонная. Привод транспортера
Установка рамки переходной КЗК-12-1808000А
Рамка переходная КЗК-12-1808000А
Рычаг КЗК-12-1808500
Система гидравлическая камеры наклонной КЗК-12-1790000А
Установка запасных частей КЗК-12А-1-1800100
Привод наклонной камеры КЗК-10-0125000
Очистка КЗК-10-3-0202000-01 (вид слева)
Очистка КЗК-10-3-0202000-01 (вид справа)
Аппарат молотильный КЗК-10-4-0102000
Аппарат молотильный КЗК-10-4-0102000 (установка битера отбойного)
Фланец КЗК-10-0102070
Шкив КЗК-10-0102430
Вариатор барабана КЗК 0108100
Аппарат молотильный КЗК-10-4-0102000 (установка барабана молотильного)
Барабан молотильный КЗК-10-0104100
Фланец КЗК-10-0102750
Вариатор барабана КЗК 0123000
Аппарат молотильный КЗК-10-4-0102000 (установка камнеуловителя и подбарабанья)
Камнеуловитель КЗК-10-0102220
Подбарабанье КЗК-10-0103000-01
Аппарат молотильный КЗК-10-4-0102000 (установка механизма подъема подбарабанья)
Аппарат молотильный КЗК-10-4-0102000 (установка электромеханизма подбарабанья)
Тяга КЗК-10-0100560-03 и КЗК-10-0100560-04
Боковина левая КЗК-10-0202030-01
Боковина правая КЗК-10-0202040
Очистка (установка шкивов)
Шкив КЗК-10-0202010-01
Шкив КЗК-12-0202860А-01
Рычаг КЗК-10-0202440
Очистка (установка шнека КЗК-10-0202770А, поддон, шкивы)
Пружина КЗК-10-0202840
Пружина КЗК-10-0202850
Очистка (установка стана решетного верхнего КЗК-10-0260000)
Стан решетный верхний КЗК-10-0260000
Очистка (установка доски стрясной КЗК-10-0280000)
Доска стрясная КЗК-10-0280000
Тяга КЗК 0202040Б
Тяга КЗК 0202040Б-01 (зеркальное отражение)
Рычаг КЗК 0202400В
Рычаг КЗК 0202410В
Рычаг КЗК 0202420Б
Рычаг КЗК-12-0202820
Устройство натяжное КЗК 0202640А
Очистка (установка шкива КЗК-12-0202810)
Пружина КЗК 0202840А
Пружина КЗК 0202850А-01
Устройство домолачивающее КЗК 0207000В-02
Элеватор колосовой КЗК 0208000А-04
Цепь элеватора КЗР 0208080В
Очистка (установка муфты фрикционной КЗК 0219020Б-01)
Муфта фрикционная КЗК 0219020Б-01
Очистка (установка контрпривода вариатора КЗК-12-0202500А и шкива ведомого КЗК-12-0217400)
Контрпривод вариатора КЗК-12-0202500Б
Привод КЗК-12-0202690Б
Соломотряс КЗК-12-0212040
Вал коленчатый ведущий КЗК-12-0212070
Вал коленчатый ведомый КЗК-12-0212080
Шкив ведомый КЗК-12-0217400
Очистка (установка шатуна КЗР0202030Е и шкивов КЗК-12-0202109А и КЗК-12-0202111А)
Рычаг КЗР 0202160Г
Очистка (установка рычагов КЗР 0202190Б-02 и КЗР 0202190Б-03)
Устройство натяжное КЗР 0202480
Шасси КЗК-10-3-0111000 (вид слева)
Шасси КЗК-10-3-0111000 (вид сверху)
Мост ведущих колес КЗК-10-3-0107000
Муфта КЗК-10-0107140
Муфта КЗК-10-0107150
Редуктор бортовой КЗК-10-0107200
Редуктор бортовой КЗК-10-0107200 (корпуса и крышки)
Редуктор бортовой КЗК-10-0107200 (валы и шестерни)
Редуктор бортовой КЗК-10-0107200-01
Редуктор бортовой КЗК-10-0107200-01 (корпуса и крышки)
Редуктор бортовой КЗК-10-0107200-01 (валы и шестерни)
Водило КЗК-10-0107210
Гидроцилиндр тормоза МК-23М.03.220А
Коробка передач КЗК-12-0107530 (валы, шестерни)
Коробка передач КЗК-12-0107530 (корпус, крышки)
Дифференциал КЗК-12-0107540
Механизм переключения передач КЗК-12-0107560
Гидроцилиндр блокировки диапазонов 3518020-46330
Мост управляемых колес КЗК-10-0109300 (лист 1)
Мост управляемых колес КЗК-10-0109300 (лист 2)
Гидроцилиндр УЭС-7-0109200
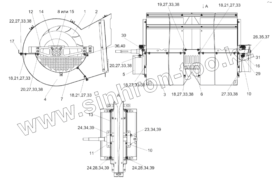
Вентилятор КЗК-10-0217000-01
Крылач КЗК-10-0217020А
Кожух сдвоенный КЗК-10-0217100
Блок шнеков КЗК-10-0218010А
Устройство тяговое КЗР 0232000
Устройство прицепное КИС 0122000А
Установка колес КЗК-10-0111100-01
Бункер КЗК-10-3-0203000 (общий вид)
Бункер КЗК-10-3-0203000
Бункер КЗК-10-3-0203000 (установка шнека)
Бункер КЗК-10-3-0203000 (установка шнека наклонного)
Установка крыши КЗК-10-0204370Б (лист 1)
Установка крыши КЗК-10-0204370Б (лист 2)
Установка крыши КЗК-10-0204370Б (лист 3)
Шторы КЗК-10-0204330А и КЗК-10-0204340А
Редуктор КЗК-12-0209100-01
Стакан КЗК-12-0209020
Вибродно КЗК-10-0226000
Вибропобудитель КЗК-10-0226100
Звездочка КЗР 0219070Б
Установка пробоотборника КЗК-10-3-0203350
Шнек с отводом КЗК-12-0206000Б
Отвод с редуктором КЗК-12-0206230А
Редуктор КЗК-12-0210000А
Стакан КЗК-12-0210010
Стакан КЗК-12-0210020
Элеватор зерновой КЗК-10-0214000-01 (лист 1)
Элеватор зерновой КЗК-10-0214000-01 (лист 2)
Элеватор зерновой КЗК-10-0214000-01 (лист 3)
Элеватор зерновой КЗК-10-0214000-01 (лист 4)
Цепи элеватора КЗК-10-0214140 и КЗК-10-0214160
Муфта фрикционная КЗК-10-0219100
Шнек загрузной КЗК-10С-0216000
Редуктор КЗК-12-0245000
Стакан КЗК-12-0245010
Стакан КЗК-12-0245020
Привод горизонтального шнека КЗК-10-0221100
Привод вибратора КЗК-10-0223000А
Установка соломоизмельчителя КЗК-10-0290600 (лист 1)
Установка соломоизмельчителя КЗК-10-0290600 (лист 2)
Соломоизмельчитель КЗК-10-0290000А
Опора ножевая КЗК-10-0290030А
Ротор измельчителя КЗК-10-0290140А
Шкив КЗК-12-0290090А
Заслонка КЗК-10-0290160Б
Рычаг КЗК-10-0290260
Пружина КЗК-10-0290660
Дефлектор КЗК-12-0290320 (лист 1)
Дефлектор КЗК-12-0290320 (лист 2)
Граблины КЗК-10-0290100 и КЗК-10-0290100-01
Установка двигателя КЗК-10-2-0106000 (лист 1)
Установка двигателя КЗК-10-2-0106000 (лист 2)
Двигатель КЗК-10-2-0106010 (лист 1)
Двигатель КЗК-10-2-0106010 (лист 2)
Амортизатор КЗК-10-0106160 и СЭУ 0400410
Установка гидронасосов КЗК-10-2-0106020
Установка главного привода КЗК-10-2-0106030
Установка главного привода КЗК-10-2-0106030-01
Установка шкива КЗК-2-0114300-01 и КЗК-2-0114300-05
Мультипликатор КЗК-12-0114000-01 и КЗК-12-0114000-05
Насос КЗК-12-0602890
Установка гидронасосов КЗК-12-0601610
Насос двухсекционный КЗК-12-0601400
Опора КЗК-10-2-0220090
Радиаторы КЗК-10-2-0106040, КЗК-10-2-0106040-01, КЗК-10-2-0106040-02
Воздухозаборник КЗК-12-3-0112000
Рама КЗК-12-3-0112080
Пылесъемник КЗК-12-3-0112130А
Установка бачка расширительного КЗК-10-2-0106070
Устройство натяжное КЗК-10-0112010
Пружина КЗС 0131210
Установка сливных рукавов КЗК-12-3-0106490
Электрооборудование двигателя
Установка глушителя КЗК-10-2-0106060
Установка воздухоочистителя КЗК-10-2-0106080
Привод главного контрпривода КЗК-10-1-0220000А
Пружина КЗК-12-3-0220050
Рычаг КЗК-12-3-0220210
Ограничитель КЗК-12-3-0220260
Установка вентилятора КЗК-12-3-0112240
Вентилятор КЗК-12-3-0112100
Установка капота КЗК-2-12-0228310
Установка фильтра воздушного КЗК-12-3-0126340А
Капот КЗК-2-12-0228300
Крыша КЗК-2-12-0228140
Установка ресиверов КЗК-2-12-0800010
Установка крыши КЗК-12-0124000А
Установка капотов и ограждений КЗК-10-3-0128000 (вид спереди)
Установка капотов и ограждений КЗК-10-3-0128000 (вид справа)
Установка капотов и ограждений КЗК-10-3-0128000 (вид слева)
Кабина КЗК-12-0120000-03 (лист 1)
Кабина КЗК-12-0120000-03 (лист 2)
Кабина КЗК-12-0120000-03 (лист 3)
Кабина КЗК-12-0120000-03 (лист 4)
Каркас КЗК-12-0120010
Дверь КЗК-12-0120900
Дверь КЗК-12-0131070
Ручка КЗК-12-0131010
Крышка КЗК-12-0120530А
Электрооборудование кабины КЗК-12-0120000-03
Установка выключателя зажигания КЗК-12-0122450
Установка климатическая КЗК-10-3-0113000-01
Установка компрессора КЗК-10-3-0113010-01 (вид сверху)
Установка компрессора КЗК-10-3-0113010-01 (вид слева)
Компрессор КЗК-12-0113160А-01
Компрессор КВС-1-0150630-01
Установка испарителя КЗК-10-0113040-03 (лист 1)
Установка испарителя КЗК-10-0113040-03 (лист 2)
Установка бампера КЗК-8-3-0132000
Установка площадок КЗК-10-3-0121000
Установка трапа КЗК-10-3-0117000А
Механизм фиксации трапа КЗК-10-3-0117110
Установка зеркала КЗК 0100520
Установка стеклоомывателя КЗК-12-0120460
Ящик аккумуляторный КЗК-12-0129000А
Площадка управления КЗК-10-3-0119000 (лист 1)
Площадка управления КЗК-10-3-0119000 (лист 2)
Площадка управления КЗК-10-3-0119000 (лист 3)
Пульт управления КЗК-10-3-0119200А-01
Привод КЗК-10-3-0119390
Установка электрооборудования пульта управления КЗК-10-3-0725000-01 (лист 1)
Установка электрооборудования пульта управления КЗК-10-3-0725000-01 (лист 2)
Панель выключателей КЗК-10-3-0700460
Сиденье КЗК-12-0119290Б-02
Рычаг КЗК-12-0119920Б
Электрооборудование блока управления КЗК-12-0119890А-01
Кронштейн КЗК-7-0119350А
Рулевая колонка КВС-1-0129230-01
Установка насоса-дозатора КЗК-10-0602090
Привод управления КЗС 0119600
Кардан 50-3401060
Установка колеса рулевого КЗК-12-0122600 и КЗК-12-0122600-01
Колесо рулевое КЗК-12-0122300
Колесо рулевое УЭС 0302560
Зажим УЭС 0302540
Электрооборудование рулевой колонки КВС-1-0129230-01
Установка колонки привода УЭС 0300710
Колонка привода УЭС 0300710
Установка механизма переключения передач КЗК-10-3-0119290
Установка тросов управления стояночным тормозом КЗК-10-0119100
Установка троса гидростата КЗК-10-3-0119150
Установка трубопроводов КЗК-10-3-0119140
Установка тросов управления двигателем КЗК-12-0119640Г
Пружина КЗК-10-0100580
Рычаг КЗК-10-0100590
Рычаг КЗК-10-0100620
Рычаг КЗК-10-0100680А
Пружина КЗК-10-0100720А
Пружина КЗК 0202840А-03
Установка бака топливного КЗК-10-2-0126000А (лист 1)
Установка бака топливного КЗК-10-2-0126000А (лист 2)
Гидросистема привода ходовой части КЗК-10-1-0601000Б (лист 1)
Гидросистема привода ходовой части КЗК-10-1-0601000Б (лист 2)
Фильтр всасывающий КЗК-12-0601070
Бак масляный КЗК-12-0601410
Крестовина КЗК-12-601330
Гидромотор КЗК-12-0601500-01
Гидросистема рулевого управления и силовых гидроцилиндров КЗК-10-3-0602000 (лист 1)
Гидросистема рулевого управления и силовых гидроцилиндров КЗК-10-3-0602000 (лист 2)
Гидросистема рулевого управления и силовых гидроцилиндров КЗК-10-3-0602000 (лист 3)
Гидросистема рулевого управления и силовых гидроцилиндров КЗК-10-3-0602000 (лист 4)
Дроссель с обратным клапаном КЗК 0602520А и КЗК 0602520А-01
Гидроцилиндр КЗК-10-1-0602510 и КЗК-10-1-0602510-01
Гидроцилиндр КЗК-12-0602310
Полумуфта молотилки КЗК-12-0602330, КЗК-12-0602330-01, КЗК-12-0602330-02
Пневмогидроаккумулятор УЭС-7-0602470
Гидроблок двухсекционный КЗК-10-0602760-01
Кран КЗК-10-0602380
Гидроцилиндр КЗК-10-0602500
Гидроблок пятисекционный КЗК-10-1-0602300А
Фильтр сливной КЗК-12-0602400
Фильтр напорный КЗК-12-0602570
Полумуфта внутренняя МС 12-3-020-01
Гидроцилиндр КЗК-12-0602740
Пневмосистема КЗК-10-3-0800000
Регулятор давления КЗК-10-0800190
1
2
3
4
5
6
7
8
10
10
11
12
13
14
15
16
17
18
18
18
18
18
19
20
20
21
21
21
22
23
24
24
24
26
27
27
27
27
27
27
27
27
27
27
28
28
29
30
31
33
33
33
33
33
33
33
33
33
33
34
34
34
34
35
36
37
38
38
38
38
38
38
38
39
39
39
39
40
Позиция на иллюстрации
Заводской номер детали
Название детали
КЗК-10-0217000-01
КЗК-10-0217000-01
Вентилятор
1
КЗК-10-0217020А
Крылач
2
КЗК-10-0217100
Кожух сдвоенный
3
КЗК-10-0217160А
Поддон
4
КЗК-10-0217160А-01
Поддон
5
КЗР0217260А
Щиток
6
КЗР0217240Б
Щиток
7
КЗР0217260А
Щиток
8
КЗР0217330
Звездочка
10
КЗР0217209Б
Корпус
11
КЗК-10-0217209
Корпус
12
КЗР0217446
Кронштейн
13
КЗР0217446-01
Кронштейн
14
КЗР0217452А
Кронштейн
15
КЗР0217604
Звездочка
16
КЗР0217611А
Втулка
17
КЗР0217706
Уголок
18
УЭС-7-0400405
Шайба
19
БолтМ8-6ех16-7796
Болт М8-6ех16-7796
20
БолтМ8-6ех20-7796
Болт М8-6ех20-7796
21
БолтМ8-6ех25-7796
Болт М8-6ех25-7796
22
БолтМ8-6ех30-7796
Болт М8-6ех30-7796
23
БолтМ10-6ех16-7796
Болт М10-6ех16-7796
24
БолтМ10-6ех25-7796
Болт М10-6ех25-7796
26
БолтМ12-6ех30-7796
Болт М12-6ех30-7796
27
ГайкаМ8-6G-5915
Гайка М8-6G-5915
28
ГайкаМ10-6G-5915
Гайка М10-6G-5915
29
1.2-19853
Масленка
30
680210А2НК7С17
Подшипник
31
1680208С17
Подшипник
33
Шайба8Т.65Г-6402
Шайба 8Т.65Г-6402
34
Шайба10Т.65Г-6402
Шайба 10Т.65Г-6402
35
Шайба12Т.65Г-6402
Шайба 12Т.65Г-6402
36
ШайбаС8.01-6958
Шайба С8.01-6958
37
ШайбаС12.01-6958
Шайба С12.01-6958
38
ШайбаС.8.01-11371
Шайба С.8.01-11371
39
ШайбаС.10.01-11371
Шайба С.10.01-11371
40
Шплинт2х20-397
Шплинт 2х20-397
Содержащиеся в справочниках-каталогах запасные части и детали не предлагаются к продаже, а носят исключительно информационный характер
Дополнительная информация
×
Название:
Номер:
Примечание: